Magna Concursos

Foram encontradas 20 questões.

3744042 Ano: 2023
Disciplina: Matemática
Banca: IF-SC
Orgão: IF-SC

Fernando desenha em uma folha A4 uma sequência de diversos quadrados, de 3 tamanhos diferentes, conforme a figura ao lado. Sabendo-se que o maior dos quadrados tem lado medindo 120 mm, então o comprimento total, em centíme-tros, da linha cheia, é:

Enunciado 4342636-1

 

Provas

Questão presente nas seguintes provas
3744041 Ano: 2023
Disciplina: Matemática
Banca: IF-SC
Orgão: IF-SC

Paulo calculou a massa de um cubo de lado 6 cm e verificou que o mesmo tinha 1620 gramas. Em seguida, perfurou o cubo de um extremo ao outro, como mos-tra a figura, fazendo três buracos na forma de paralelepípedo retângulo, de di-mensões 2 cm x 2 cm x 6 cm cada. Sendo assim, a massa do sólido resultante é:

Enunciado 4342635-1

 

Provas

Questão presente nas seguintes provas
3744040 Ano: 2023
Disciplina: Matemática
Banca: IF-SC
Orgão: IF-SC

No dia do lançamento de um filme, uma sala de cinema com capacidade para 156 pessoas, ficou lotada. O valor da entrada inteira era de R$ 36,00 e a meia-entrada de R$ 18,00. Considerando que a arrecadação foi de R$ 3.726,00, podemos afirmar que o número de pessoas que pagou a entrada inteira foi de:

 

Provas

Questão presente nas seguintes provas
3744039 Ano: 2023
Disciplina: Matemática
Banca: IF-SC
Orgão: IF-SC

Observe os dados da tabela sobre o desmatamento da Amazônia Legal, por estado em 2022 e a imagem de satélite de 2022, que mostra o desmatamento da Terra Indígena Apyterewa, território do povo Parakanã, que se localiza no Pará.

Desmatamento da Amazônia Legal por estado (2022)

Estado

Medida de área desmatada (em km²)

Acre

847

Amazonas

2607

Amapá

6

Maranhão

282

Mato Grosso

1906

Pará

4141

Rondônia

1512

Roraima

240

Tocantins

27

Amazônia Legal

11568

Fonte: https://www.gov.br/inpe/pt-br/assuntos/ultimas-noticias sei_01340-009084_2022_72_notatecnica_estimativa_prodes_2022_revisada_lu_lm_27_10_rev_la-002.pdf Acesso em: 07 mar. 2023

Enunciado 4342633-1

Fonte: Adaptado de https://imazon.org.br/imprensa/terra-indigena-apyterewa-e-a-mais-desmatada-na-amazonia-pelo-quarto-ano-consecutivo/ Acesso em: 07 mar. 2023

Considere que uma parte da área desmatada em Apyte-rewa, mostrada na imagem de satélite, tenha a forma aproximada de um trapézio retângulo e dimensões indicadas na figura abaixo.

Enunciado 4342633-2

Sobre os dados apresentados anteriormente, observe as seguintes afirmações:

I. Se a área aproximada de um campo de futebol é 10.000 m², a área desmatada do Pará equivale a 41.410 campos de futebol.

II. O percentual de desmatamento do Amazonas, em relação à medida de área total desmatada na Amazônia Legal, é de aproximadamente 22,5%.

III. A área desmatada do Maranhão é de \( 2,82 \cdot 10^8m^2 \).

IV. A parte da área desmatada da Terra Indígena Apyterewa, mostrada na Figura é dada pelo polinômio \( x^2+0,7x \).

Assinale a afirmativa CORRETA:

 

Provas

Questão presente nas seguintes provas
3744038 Ano: 2023
Disciplina: Matemática
Banca: IF-SC
Orgão: IF-SC

A roda gigante Big Wheel, de Balneário Camboriú, é mais uma atração da cidade litorânea que leva o apelido de “Du-bai brasileira”. Inaugurada em dezembro de 2020, conta com 36 cabines com capacidade máxima para seis pes-soas e o passeio na roda gigante dura entre 15 e 21 minu-tos, dependendo do clima. Oferece aos visitantes uma vista panorâmica da orla, da mata atlântica e dos arranha-céus, que são marca registrada do destino catarinense. A roda gigante está posicionada em um terreno que está a 17 m de altura em relação ao nível do mar e possui uma circunferência de 204 m. Partindo das informações do texto e adotando \( \pi=3 \), podemos afirmar que a maior al-tura que se pode estar nessa roda gigante, em relação ao nível do mar, é de:

Enunciado 4342632-1

Fonte: https://www.melhoresdestinos.com.br/ roda-gigante-balneario-camboriu-3.html Acesso em: 04 abr. 2023.

 

Provas

Questão presente nas seguintes provas
3744037 Ano: 2023
Disciplina: Matemática
Banca: IF-SC
Orgão: IF-SC

Para pesquisar a produção de hortaliças no Curso Técnico em Agroecologia do IFSC, foi construída uma estufa com 30 metros de comprimento por 8 metros de largura. Considerando que em 15% da área da referida estufa foram plantadas alfaces e que cada unidade de alface ocupa o espaço de um quadrado de 25 centímetros de lado, podemos dizer que o número de unidades de alfaces nesta estufa é de:

 

Provas

Questão presente nas seguintes provas
3744036 Ano: 2023
Disciplina: Matemática
Banca: IF-SC
Orgão: IF-SC

Leia o Texto IX, a seguir.

TEXTO IX

Enunciado 4342630-1

Fonte: https://exame.com/marketing/sadia-responde-irma-mais-nova-que-questiona-numero-de-nuggets/ Acesso em: 16 mar. 2023.

Com base no Texto IX, a autora do questionamento, Flavia, demostrou conhecimento a respeito dos núme-ros primos. Considerando esse tema e o contexto da postagem, assinale a alternativa CORRETA.

 

Provas

Questão presente nas seguintes provas
3744035 Ano: 2023
Disciplina: Matemática
Banca: IF-SC
Orgão: IF-SC

Carlos, Fabiano e Bruna juntaram dinheiro para comprar uma barraca de acampamento. Fabiano contribuiu com 60% do valor total da barraca. Carlos contribuiu com 40% do que faltava pagar. Bruna, por fim, contri-buiu com R$ 30,00. Sendo assim, o valor total da barraca foi:

 

Provas

Questão presente nas seguintes provas
3744034 Ano: 2023
Disciplina: Matemática
Banca: IF-SC
Orgão: IF-SC

Uma pizzaria que trabalha com o sistema de rodízio de piz-zas, buscando atrair clientes e aumentar o seu lucro, lançou a promoção ao lado. Sabendo que, em um determinado dia, 50 clientes compraram o rodízio de pizza e 70% deles esco-lheram como brinde o refrigerante, quantos clientes optaram pela sobremesa como brinde?

Enunciado 4342628-1

 

Provas

Questão presente nas seguintes provas
3744033 Ano: 2023
Disciplina: Matemática
Banca: IF-SC
Orgão: IF-SC

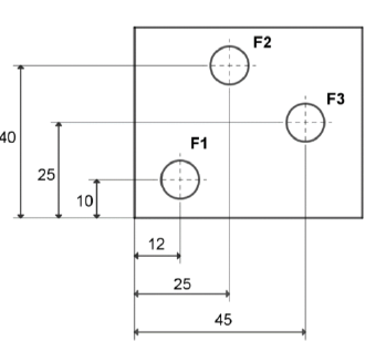
A figura ao lado representa uma peça retangular plana com três furos indicados por F1, F2 e F3. As medidas, dadas em mm, indi-cam as distâncias dos centros dos furos (circunferências) em rela-ção a dois lados da peça, um horizontal e outro vertical.

Enunciado 4342627-1

Assinale a alternativa que indica CORRETAMENTE a menor dis-tância entre os centros dos furos F2 e F3.

 

Provas

Questão presente nas seguintes provas