Foram encontradas 80 questões.
Os tiristores, são dispositivos eletrônicos que possuem 4 ou mais camadas PNPN. Pode-se dividir os tiristores em dois grupos: tiristores de potência e tiristores de disparo. Assinale a alternativa correta:
Provas
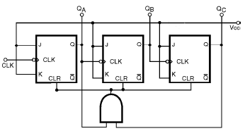
O circuito a seguir representa um contador binário com Flip-Flop tipo borda de descida, se a frequência do sinal na entrada de clock (CLK) for de 120 KHz. Qual deve ser o valor da frequência do sinal na saída Qc?

Provas
Convertendo o número octal 1067638 para o sistema HEXADECIMAL temos:
Provas
A figura a seguir apresenta os sinais aplicados à entrada (ENT) e ao clock (CLK) de um flip-flop tipo D. Considerando a mudança de estado sensível à borda de descida do clock, determine a forma de onda da saída Q e a sequência de estados (ABCDE):

Provas
Simplificando a expressão Booleana
!$ S = \overline { [B + (\overline A + D) . (\overline A + \overline D) . (\overline {C.D)}] . B . [ (\overline C \oplus D) + (\overline {C + \overline D}})] !$
obtém-se:
Provas
Uma das características para avaliação de desempenho de um conversor digital-analógico (D/A) é sua resolução. Assim, um conversor D/A de 6 bits possui resolução, em %, de:
Provas
Sobre o circuito da figura abaixo é correto afirmar que:

Provas
O transistor de efeito de campo (FET), é muito utilizado em circuitos eletrônicos tanto para amplificar sinais como para fazer chaveamento de comandos elétricos. Qual das afirmações abaixo, está correta com relação às características do FET?
Provas
No circuito abaixo determine o valor de Rc e Re, sabendo que: Vcc = 20 V, VCE = 3 V, IB = 40 uA, !$ \beta = 100 !$, RC = 4.RE e o transistor que esta sendo utilizado é de silício:

Provas
Para o circuito a seguir determinar os valores de VDS e ID sabendo que a potência fornecida PF = VDD x ID:
Dados: VGS = - 4V ; !$ R_D = 800\Omega !$ ; PF = 160mW ; VGS (corte) = - 20V e IDSS = 12,5mA

Provas
Caderno Container