Foram encontradas 80 questões.
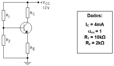
Dado o circuito a seguir, polarizar o transistor na região ativa, determinando os valores dos resistores RC e RE. Adotar: VCE = VCC/2 e VBE = 1V.

Provas
Considerando as afirmações a seguir sobre circuitos em CA.
I. Circuitos RLC em série possuem reatância mínima na frequência de ressonância.
II. Circuitos RLC em paralelo tendem a comportar-se como circuitos abertos, no que tange à impedância, se a componente resistiva tende a zero.
III. Em circuitos reais, compostos por um indutor e um capacitor em série, na frequência de ressonância, a impedância é nula.
IV. Se a corrente num circuito RLC em série está adiantada com relação à tensão, a frequência está abaixo da frequência de ressonância.
Estão corretas as afirmativas:
Provas
Um transmissor de pressão opera entre 0 a 400 bar, com sinal de saída no padrão 4 a 20mA. Assinale a alternativa que corresponde ao valor da corrente de saída para uma pressão de 130 bar.
Provas
A figura abaixo mostra a curva de calibração de um sensor de temperatura.

A análise da curva nos permite afirmar que:
I. Na região linear da resposta, o sensor apresenta sensibilidade de 1 mV/°C.
II. A resposta do sensor não apresenta offset ou bias.
III. O sensor não deve ser empregado em temperaturas acima de 100°C.
Estão corretas as afirmativas:
Provas
Um técnico em eletrotécnica estava estudando um equipamento alimentado por um transformador de 110V/9V e utilizava como instrumento de medição um osciloscópio. Ao energizar o equipamento, ele mediu três diferentes pontos no circuito, obtendo as formas de onda mostradas em I, II e III. Com base nelas, identifique quais foram os pontos de teste que o técnico mediu, respectivamente, e assinale a alternativa correta.

Provas
Determine a expressão da tensão de saída VS em função das entradas V1, V2 e V3 para o circuito a seguir.

Provas
Considerando um capacitor e um indutor analise as afirmativas:
I. A reatância capacitiva é igual a w.C, no qual w é a frequência angular em radiano/segundo e C é a capacitância em Farads.
II. A reatância indutiva é igual a w.L, no qual w é a frequência angular em radiano/segundo e L é a indutância em Henry.
III. A reatância capacitiva é dependente da tensão e da corrente.
IV. A reatância indutiva é grande nas altas frequências e pequena nas baixas frequências.
Assinale a alternativa correta:
Provas
Dado o circuito abaixo, qual é a capacitância equivalente entre os pontos A e B?

Provas
Dado o circuito elétrico a seguir, considerando VAB = 8,5 volts, qual o valor da corrente i1?

Provas
A característica de um instrumento relacionada ao grau de repetibilidade das suas medições é a:
Provas
Caderno Container