Foram encontradas 80 questões.
Com relação aos óleos parafínicos, pode-se afirmar que:
Provas
A Equação de Bernoulli pode ser expressa da seguinte forma:
!$ p + { \large 1 \over 2} \rho v^2 + \rho gz = constante !$
Tal equação é válida para:
Provas
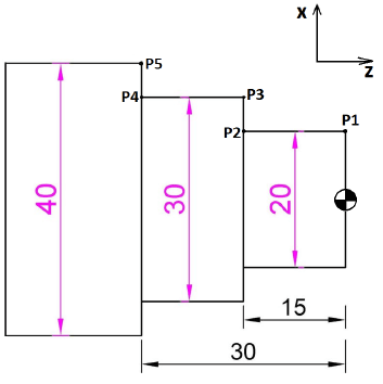
Analisando a imagem abaixo assinale a alternativa que contenha as coordenadas absolutas em X e Z no ponto P3, respectivamente (usar o diâmetro na coordenada X).

Provas
Os gases possuem diversas propriedades que devem ser conhecidas para se projetar um circuito pneumático. Assinale a alternativa que NÃO apresenta uma propriedade de um gás.
Provas
O ensaio por líquidos penetrantes é um método desenvolvido para a detecção de descontinuidades essencialmente superficiais, abertas na superfície do material. Assinale a alternativa que NÃO apresenta uma característica desejável no líquido penetrante.
Provas
Os símbolos
e
são símbolos utilizados representando dois tipos de tolerâncias em projetos mecânicos. Assinale a alternativa correta que contenha, respectivamente, os significados de ambos.
Provas
Um fator importante para realizar a união entre um furo e um eixo é o dimensionamento do ajuste entre ambos e este pode ser com folga ou com interferência. Assinale a alternativa correta que apresenta um tipo de união que utilize um ajuste com folga.
Provas
Analise o conjunto de transmissão abaixo:

O sentido de giro da engrenagem D1 é horário, as engrenagens D2, D3, D4, D5 e D6 possuem o diâmetro de 35 mm, 15 mm, 25 mm, 40 mm e 20 mm, respectivamente. Assinale a alternativa correta que contenha o sentido de giro do eixo 3 e rotação na engrenagem 6.
Provas
Analise o diagrama TTT do aço SAE 1080 abaixo.

DADO: se a curva de resfriamento não cortar nenhuma curva de transformação, a estrutura formada será 100% Martensita.
Assinale a alternativa que apresenta correta e respectivamente as estruturas formadas após resfriamento segundo as curvas (a), (b) e (c).
Provas
Assinale a alternativa INCORRETA sobre manutenção mecânica:
Provas
Caderno Container