Foram encontradas 80 questões.
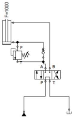
Considere o circuito hidráulico representado na figura.

Esse processo de soldagem ocorre, normalmente, de forma semiautomática, onde a alimentação do arame eletrodo acontece mecanicamente, por um alimentador motorizado, cabendo ao soldador iniciar e interromper a soldagem, além de mover a tocha ao longo da junta.
Assinale a alternativa correta.
Provas
A NBR 08403 define tipos e o escalonamento de larguras de linhas para uso em desenhos técnicos. De acordo com esta norma, a linha do tipo traço dois pontos estreita tem aplicação na representação gráfica dos seguintes elementos de desenho, EXCETO:
Provas
“A escala a ser escolhida para um desenho depende da complexidade do objeto a ser representado e da finalidade da representação. Em todos os casos a escala selecionada deve ser suficiente para permitir uma interpretação fácil e clara da informação representada. A escala e o tamanho do objeto ou elemento em questão são parâmetros para a escolha do formato da folha de desenho.” (NBR 8196, 1999, Desenho Técnico – Emprego de Escalas).
De acordo com a NBR 8196, uma escala admissível para a ampliação de um desenho técnico é:
Provas
Sobre o número de Reynolds, é correto afirmar:
Provas
Sobre a característica de reversibilidade dos sistemas hidráulicos, assinale a alternativa correta.
Provas
Sobre os materiais não metálicos, leia as afirmativas a seguir:
I- Tanto os materiais semicondutores como os materiais isolantes possuem um espaçamento entre as bandas de valência e de condução. Entretanto, nos semicondutores a energia deste espaço é menor que nos isolantes.
II- Um material com baixo coeficiente de expansão linear expande mais do que um material com maior coeficiente de expansão linear.
III- Os elastômeros não vulcanizados apresentam uma maior capacidade de deformação que os elastômeros vulcanizados.
É correto apenas o que se afirma em:
Provas
Turbinas movidas a vapor geram energia elétrica nas usinas termelétricas. O ciclo de Rankine é um ciclo termodinâmico ideal que pode ser utilizado para modelar, de forma simplificada, uma usina termelétrica. Os elementos básicos de um ciclo de Rankine simples ideal estão mostrados na figura abaixo.

Considerando que algumas usinas termelétricas que utilizam turbinas a vapor podem ser encontradas próximas a grandes reservatórios de água, como rios e lagos, analise as seguintes afirmações.
I- O ciclo de Rankine simples mostrado na figura não prevê a reutilização da energia que é rejeitada no condensador e, por isso, tem um rendimento comparável ao de um ciclo de Carnot que opera entre as mesmas temperaturas.
II- A instalação de algumas usinas próximas a grandes rios se dá devido à necessidade de remover calor do ciclo, por intermédio da transferência de calor que ocorre no condensador, porém com implicações ao meio ambiente.
III- Em usinas que utilizam combustíveis fósseis, o vapor gerado na caldeira é contaminado pelos gases da combustão e não é reaproveitado no ciclo, sendo mais econômico rejeitá-lo, causando impacto ambiental.
É correto apenas o que se afirma em:
Provas
Um sistema de refrigeração por compressão de vapor com seus principais componentes e seu respectivo ciclo teórico, construído sobre um diagrama de Mollier (P-h), está mostrado na figura abaixo.

Analise as afirmativas a seguir, observando os processos termodinâmicos que constituem o ciclo teórico mostrado acima:
I- 1 → 2 é um processo adiabático e reversível com aumento de temperatura e pressão.
II- 2 → 3 é um processo isotérmico com pressão constante.
III- 3 → 4 é um processo isentálpico com expansão reversível.
É correto o que se afirma em:
Provas
Um engenheiro projetou uma transmissão por engrenagens cilíndricas de dentes retos. Ele definiu um módulo de 4 mm para as engrenagens. A engrenagem motora possui 25 dentes, e a movida possui 75 dentes. Todas as perdas por atrito deverão ser desprezadas nessa questão. A engrenagem motora será montada sobre um eixo de diâmetro igual a 50 mm e a movida, sobre um eixo de diâmetro 80 mm. Sabe-se que o torque obtido no eixo da engrenagem movida é de 600 N. m.
Com esses dados, pode-se dizer que a força tangencial de transmissão, que age nos dentes da engrenagem motora, é de:
Provas
Os tratamentos térmicos visam modificar a microestrutura e as propriedades mecânicas dos materiais. Com relação ao tratamento térmico de aços, é INCORRETO afirmar que:
Provas
Caderno Container