Foram encontradas 1.513 questões.
Sobre máquinas síncronas, é correto afirmar:
Provas
Para os circuitos a seguir, os valores de capacitância e indutância equivalentes das associações mistas de capacitores (a) e indutores (b) são, respectivamente:

Dados: C1 = 2F, C2 =2F, C3 =8F, C4 =8F, L1=2H, L2=8H, L3=4H e L4=8H.
Provas
Considerando-se um transformador de 6 kVA, ideal, utilizado como abaixador, com 1500 espiras no primário, corrente de 30 A no secundário e tensão no secundário igual a um quinto da tensão do primário, o número de espiras no secundário e a corrente no primário são, respectivamente:
Provas
Qual o valor da queda de tensão no resistor de !$ 35 \Omega !$, considerando uma tensão de 100 V entre A e C?

Provas
Qual o valor da resistência R2 para a condição de equilíbrio do circuito a seguir?

Considere: !$ R_1=56 \Omega !$
!$ R_3=82 \Omega !$
!$ R_4=50 \Omega !$
!$ V = 100 V !$
Provas
Dado o circuito a seguir, calcule o valor da resistência shunt Rs:

Provas
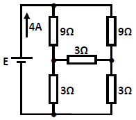
No circuito a seguir, qual o valor da tensão E da fonte em Volts?

Provas
Na figura a seguir são mostradas formas de onda de tensão e corrente para um circuito elétrico em Corrente Alternada:

Analisando as formas de onda, podemos concluir que:
Provas
Considerando-se um transformador monofásico ideal, com razão de espiras do primário para o secundário de 10:1, analise as afirmativas a seguir.
I. A razão entre as tensões de primário e secundário neste transformador é de 10 para 1, ou seja, trata-se de um transformador abaixador.
II. A razão entre as potências de primário e secundário neste transformador é de 1 para 10.
III. A razão entre as correntes de primário e secundário é de 1 para 1, ou seja, as correntes de primário e secundário são iguais.
Estão corretas as afirmativas:
Provas
Em circuitos de acionamento e proteção, os fusíveis e contatores são elementos que realizam, respectivamente, as funções de:
Provas
Caderno Container