Foram encontradas 40 questões.
Os controladores lógicos programáveis, podem ser programados por quatro métodos. Ladder, Blocos de Função, listagem de instruções e código estruturado.

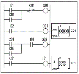
Verifique qual a função que o CLP programado com o diagrama ladder apresentado irá executar, quando a entrada liga for acionada.
Provas
Analise o circuito digital aqui apresentado, considerando que as entradas A B e C podem receber sinais lógicos zero ou um.

Verifique o funcionamento do circuito apresentado e defina qual a lógica que representa a saída S.
Provas
A figura apresenta um conhecido circuito Conversor CC-CC (chopper). Tais dispositivos proporcionam mudanças em valores de sinais contínuos de tensão, através do chaveamento, geralmente por modulação PWM, de componentes semicondutores (para este caso, um transistor npn).

Considere que, para este circuito, seus componentes são ideais e a corrente iout sempre será positiva.
O que se pode afirmar acerca deste circuito?
Provas
O circuito abaixo funciona como chave eletrônica. Seja VD1 = 2,5V e ID1 = 30mA. Considere os seguintes dados sobre o BC548: VCE(sat) = 0,5V; VBE(on) = 0,7V.

Considerando a chave S1 fechada e usando o critério de saturação forte, o circuito funcionará corretamente para quais valores comerciais de R1 e R2?
Provas
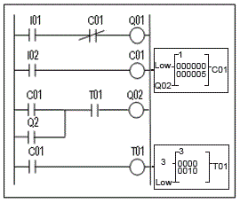
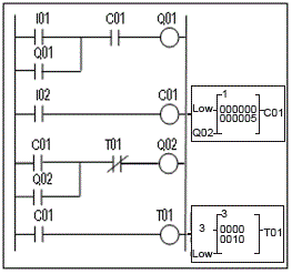
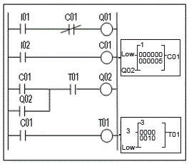
Considere apenas as etapas descritas abaixo (linguagem Ladder):
O operador pressiona o botão B1 e o motor da esteira é energizado e começa a transportar os blocos sólidos em fila indiana conforme desenho. No final da esteira o bloco sólido cai por gravidade no tanque, durante a queda o bloco é detectado pela chave fim de curso. Quando passar (cair) o quinto bloco no tanque, a esteira é parada e a válvula “VA” é aberta por dez (10) segundos, após esse tempo à válvula “VA” é fechada. Para repetir o processo o operador precisa acionar o botão B1 novamente.
O Botão B1 é do tipo push-button (não retentivo) conectado em I1 do CLP.
A chave fim de curso Normalmente Aberta é conectada em I2 do CLP.
O motor M1 da esteira é conectado em Q1
Válvula “A” Normalmente fechada (quando energizada abre) conectada em Q2 do CLP.

Escolha o programa em linguagem ladder que realiza a tarefa descrita.
Provas
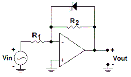
A fonte da figura é de corrente alternada, com equação Vin(t) = 1,4 sin(ωt) V. Além disso, tanto o amplificador operacional quanto o diodo são ideais, com este último apresentando uma tensão zener de 5V. Considere, também, que os resistores R1 e R2 valem, respectivamente, 2kΩ e 10kΩ.

Qual será a forma de onda esperada para a tensão Vout?
Provas
A geração de corrente contínua é obtida quando uma máquina primária é conectada ao eixo de uma máquina de corrente contínua, aplicando a este eixo um conjugado mecânico e imprimindo uma determinada velocidade à máquina.
Indique que tipo de gerador de corrente contínua é apresentado na figura a seguir:

....
...
MARQUES, L. S. B.; SAMBAQUI, A. B. K.; DUARTE, J. Apostila de Máquinas Elétricas. IFSC, Joinvile, 2013.
Provas
As Harmônicas são um distúrbio de energia que provocam diversos tipos de problemas nas instalações elétricas em todos os circuitos, como sobretensões, sobrecorrentes, queima de equipamentos e funcionamentos inadequados de equipamentos.
...
Dada a série de Fourier abaixo, o valor da tensão true-rms desse circuito é aproximadamente?
V(t) = 100 sen (300 πt) + 10 sen (600 πt) + 80 sen (900 πt)
Provas
- Medidas ElétricasTransformadores para instrumentos, Transformador de potencial e Transformador de corrente
Os transformadores de corrente são equipamentos importantes para medição e proteção de circuitos, porém algumas características são bem específicas e não podem ser ignoradas.
...
Que fenômeno ocorre quando se abre o secundário de um TC em carga?
Provas
- Transformadores e Máquinas ElétricasPrincípios BásicosPerdas, rendimento, torque, potência, ângulo de potência e funcionamento geral
Em uma dada linha de transmissão de energia elétrica, o nível de tensão adotado é de 13,8kV. Na estação transformadora, ela passa por um transformador com 2500 espiras no enrolamento do primário e 1250 espiras no do secundário. Sabe-se que, no secundário do transformador, existe um TP com relação de transformação de 120:1 que está conectado a um voltímetro.
;;;
A tensão no secundário do transformador e a tensão mostrada pelo multímetro são de, respectivamente,
Provas
Caderno Container