Foram encontradas 40 questões.
Em uma planta industrial, os engenheiros são frequentemente desafiados a garantir a eficiência e a segurança de diferentes equipamentos elétricos, como motores e geradores. Para isso, é necessário analisar como os circuitos elétricos respondem a variações de tensão ao longo do tempo. Durante uma manutenção programada, um engenheiro precisa transformar a tensão aplicada a um circuito RLC para o domínio de Laplace. Essa análise é fundamental para prever o comportamento dinâmico do circuito e garantir que os equipamentos operem dentro dos parâmetros desejados sob diferentes condições de tensão.
O circuito analisado pelo engenheiro é composto por um resistor R, um indutor L e um capacitor C, associados em série. O sinal de tensão aplicado ao circuito é v(t) = 10 e-2t + 5 sen (3t) V, onde t ≥ 0 . Com base nessas informações, indique a alternativa que apresenta corretamente a expressão da tensão V(s), no domínio de Laplace, aplicada ao circuito.
Provas
Interruptores paralelos cumprem a função de acionamento de sistemas de iluminação em ambientes grandes e/ou com mais de uma porta de acesso. A figura apresentada a seguir traz o recorte do diagrama elétrico de ligações de uma planta baixa de instalações elétricas em que estão detalhadas as ligações dos circuitos de iluminação de uma da sala com dois ambientes e duas portas de acesso. A sala terá à sua disposição dois circuitos de iluminação acionados, ambos por interruptores em paralelo SP1,2. A legenda apresenta a designação dos equipamentos instalados nesta sala. Indique a alternativa que apresenta corretamente o conteúdo do Eletroduto “X” designado na planta para pleno funcionamento dos dois circuitos de iluminação propostos.

Fonte: IFSP, 2024.
Provas
Instalações elétricas industriais normalmente atendem cargas de potência elevada e requerem orçamento elevado para compra de materiais elétricos como condutores e dispositivos de proteção. Um projetista precisa dimensionar os condutores de atendimento a uma carga trifásica cuja corrente de projeto calculada por condutor fase é de 255 A (considere os fatores de correção atendidos). O método de instalação será canaleta fechada embutida no piso e a opção do material utilizado para o condutor será cobre com isolação de PVC numa temperatura ambiente de 30 °C. A tabela de capacidade de condução de corrente é apresentada a seguir. Buscando economizar na compra dos insumos, o projetista quer ligar condutores em paralelo por fase, diminuindo a seção nominal do cabo a ser comprado. Com base no exposto e na situação apresentada, indique a alternativa que traz a correta ação do projetista e da aplicação da norma NBR 5410/2004.

Fonte: NBR 5410/2004 (adaptado).
Provas
Além dos projetos de instalações elétricas, ambientes internos de aplicações específicas devem ser guiados pelos projetos luminotécnicos que visam garantir as condições adequadas do trabalho a que estes ambientes se destinam. Considere que um projetista está elaborando um projeto luminotécnico de um escritório com 12 m de largura por 12 m de comprimento, pé direito de 3,0 m e altura do plano de trabalho de 0,80 m. A cor do teto é branca; da parede, amarela, e do chão, preta, com índices de reflexão de 70%, 30% e 10%, respectivamente. Considere 300 lux a iluminância necessária para o local com limpeza mediana. Considere também a indicação do setor de compras de uma determinada luminária comercial LED cuja especificação traz 3600 lm e uma única lâmpada por luminária. A equação para cálculo de índice do local, as tabelas do fator de utilização (u) para luminária indicada e dos índices de fator de manutenção do local estão dispostos a seguir.
Dados: Cálculo de índice do local: k = \( \dfrac{a.b}{h\left(a+b\right)} \)
Tabela de fator de utilização (u) para luminária indicada

Fonte: IFSP, 2024.
Tabela de fator de manutenção do local

Fonte: IFSP, 2024.
Indique a alternativa que apresenta o número mais aproximado de luminárias necessárias para o local, de acordo com as especificações do projeto.
Provas
Sistemas elétricos podem ter aplicações distintas e conectar diversos tipos de cargas em paralelo. As cargas podem variar de puramente resistivas, mistas a puramente capacitivas ou indutivas. Cada uma delas será representada por sua potência e pelo seu Fator de Potência (FP). Para diversas atuações, como em gerenciamento de energia, é necessária a análise da equivalência final vista pelo gerador que alimentará estas cargas. Considere um sistema elétrico fictício com gerador equilibrado e tensão de linha de 12,5 kV rms que conecta paralelamente as seguintes cargas:
Carga 1: 30 kVA, FP=0,8;
Carga 2: 25 kVA FP=1;
Carga 3: 25 kVA, FP=0,6;
Carga 4: 10 kVar, puramente indutiva, portanto, FP nulo.
Analisando as cargas apresentadas, indique a alternativa correta que apresenta respectivamente os valores de corrente de linha e FP equivalente vistos pelo gerador.
Provas
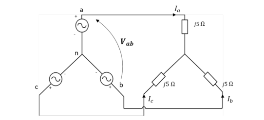
Conexões Y-Y em sistemas trifásicos apresentam-se como uma das mais utilizadas, econômicas e seguras devido à possibilidade de aterrar o neutro, por exemplo, em altas tensões. A figura apresenta um sistema simplificado de ligações de um circuito trifásico equilibrado de uma pequena oficina com uma carga equilibrada de impedância j5 Ω em cada fase, no qual se admite a corrente no fio neutro nula e, consequentemente, sua omissão no circuito representado. Sabendo que o sistema está totalmente equilibrado em sequência de fases positiva e conhecendo a tensão de linha da fonte e sua defasagem como Vab= \( \sqrt{ } \) 3.100 ∠ 30° Vrms, indique a alternativa que apresenta corretamente as correntes de fase na carga Ia , Ib e Ic , respectivamente.

Fonte: IFSP, 2024.
Provas
Ao longo das décadas de desenvolvimento das máquinas elétricas, diversas aplicações têm se beneficiado do uso de motores de corrente contínua (C.C.). Contudo, o avanço tecnológico e o uso destas máquinas em situações de maior acuidade, confiabilidade e baixa facilidade de manutenção fizeram escalar o desenvolvimento tecnológico para a concepção de uma máquina especial conhecida como motor C.C. sem escovas (brushless). Esse motor é fruto da combinação de um circuito eletrônico de chaveamento de estado sólido e de um pequeno motor semelhante ao motor de passo de ímã permanente. Identifique a alternativa correta quanto à função deste circuito de chaveamento de estado sólido de acordo com o funcionamento e características do motor C.C. brushless.
Provas
Os motores de indução trifásico destacam-se principalmente por dois tipos: os motores de rotor bobinado e os motores de rotor gaiola de esquilo. Estes, por sua vez, são mais utilizados, baratos e demandam menos manutenção quando comparados aos motores de rotor bobinado. Considere que um motor de indução tipo rotor gaiola de esquilo de 4 polos foi alimentado por um sistema trifásico de 200 V com frequência de 60 Hz. Indique a alternativa que apresenta corretamente a velocidade de rotação do rotor sabendo que seu escorregamento é de 3%.
Provas
Em uma instalação elétrica monofásica de uma pequena fábrica, um motor elétrico indutivo é responsável por parte significativa da produção. O engenheiro responsável observou que este motor consome uma potência ativa de 4 kW, o que representa a energia efetivamente convertida em trabalho, e uma potência reativa de 3 kVAr, associada ao campo magnético necessário para o funcionamento do motor.
Com base nas informações acima, indique a alternativa que apresenta os valores corretos da potência aparente (S) e do fator de potência (FP) desta instalação.
Provas
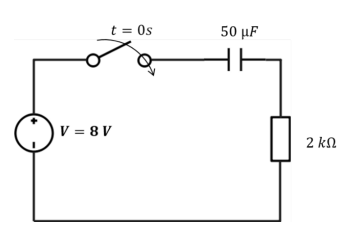
Um aluno está realizando um teste em bancada, como o ilustrado a seguir, para saber a resposta de um circuito RC. O circuito possui um capacitor de 50 µF conectado em série com um resistor de 2 kΩ, conforme mostrado na figura. O capacitor está inicialmente descarregado. Em t = 0, uma chave é fechada, conectando o circuito a uma fonte de tensão constante de V = 8V . Indique a alternativa que apresenta corretamente o valor da constante de tempo (τ) para este circuito RC.

Fonte: IFSP, 2024.
Provas
Caderno Container