Foram encontradas 40 questões.
Leia, com atenção, o excerto abaixo:
“Outro saber necessário à prática educativa (...) é o que fala do respeito devido à autonomia do ser do educando. Do educando criança, jovem ou adulto. Como educador, devo estar constantemente advertido com relação a este respeito que implica igualmente o que devo ter por mim mesmo. (...) O respeito à autonomia e à dignidade de cada um é um imperativo ético e não um favor que podemos ou não conceder uns aos outros.” (Freire, 2019, p. 58)
Paulo Freire discute alguns saberes necessários à prática educativa a partir de uma perspectiva progressista, tendo a autonomia do educando como um dos aspectos centrais. Para atuar de modo coerente com esse princípio, o educador, com base em Freire, deve:
Provas
A educação abrange os processos formativos que se desenvolvem na vida familiar, na convivência humana, no trabalho, nas instituições de ensino e pesquisa, nos movimentos sociais e organizações da sociedade civil e nas manifestações culturais. A educação escolar se desenvolve, predominantemente, por meio do ensino, em instituições próprias. A preparação geral para o trabalho e a habilitação profissional poderão ser desenvolvidas nos próprios estabelecimentos de ensino médio ou em cooperação com instituições especializadas em educação profissional.
Fonte: Adaptação da LBD - Lei n. 9.394/1996
Com base na Lei de Diretrizes e Bases da Educação Nacional – Lei n. 9.394/1996, a educação profissional e tecnológica abrange:
Provas
A Constituição Federal, em seu capítulo IV, trata da questão da ciência, tecnologia e inovação na ordem estatal brasileira. Não obstante, o Instituto Federal de Educação, Ciência e Tecnologia também organiza suas ações baseadas nesse mandamento constitucional por meio do ACTec: Programa de Apoio à Ciência e Tecnologia do IFSP. A Pró-Reitoria de Pesquisa e Pós-Graduação do IFSP aprovou o Programa de Apoio à Ciência e Tecnologia do IFSP (PACTec) no Conselho de Pesquisa, Inovação e Pós-Graduação, visando a angariar recursos para pagar bolsas para nossos estudantes participarem de projetos de pesquisa, inovação e extensão, bem como apoiá-los a participar de eventos científicos e tecnológicos.
Fonte: IFSP. Texto adaptado, disponível em: https://www. ifsp.edu.br/acoes-e-programas/83-pesquisa/4352-programa-de-apoio-a-ciencia-e-tecnologia-pactec-do-instituto-federal-de-sao-paulo, acesso em 15 de ago. 2024.
Sobre a função do Estado brasileiro no tema tratado, pode-se afirmar que:
Provas
De acordo com a Lei n. 8.112/1990, que dispõe sobre o regime jurídico dos servidores públicos civis da União, das autarquias e das fundações públicas federais, a autoridade que tiver ciência de irregularidade no serviço público é obrigada a promover a sua apuração imediata, mediante sindicância ou processo administrativo disciplinar, assegurada ao acusado ampla defesa. Na sindicância, a apuração administrativa poderá resultar:
Provas
De acordo com a Lei n. 8.429/1992, constitui um dos Atos de Improbidade Administrativa que causa prejuízo ao erário:
Provas
Faça a leitura do Art. 4º, da Lei n. 12.711/2012, a seguir:
“Art. 4º - As instituições federais de ensino técnico de nível médio reservarão, em cada concurso seletivo para ingresso em cada curso, por turno, no mínimo 50% (cinquenta por cento) de suas vagas para estudantes que cursaram integralmente o ensino fundamental em escolas públicas.”
Fonte: Lei n. 12.711/2012. Disponível em: https://www. planalto.gov.br/ccivil_03/_ato2011-2014/2012/lei/l12711. htm. Acesso em: 21 ago. 24.
Após a leitura do artigo, analise, com atenção, a situação abaixo:
Joana é aluna do 9º ano do Ensino Fundamental de uma escola pública de Barretos, onde estuda desde o 1º ano. Desejando estudar no Instituto Federal de São Paulo (IFSP), Joana pediu a seus responsáveis que buscassem, juntos, informações mais detalhadas sobre o processo seletivo para o curso técnico em Alimentos integrado ao Ensino Médio, ofertado pelo Campus Barretos do IFSP.
Considerando a Lei n. 12.711/2012, que “Dispõe sobre o ingresso nas universidades federais e nas instituições federais de ensino técnico de nível médio e dá outras providências” (e suas alterações), a informação correta que Joana e seus responsáveis receberão é a de que,
Provas
A carreira de Professor do Ensino Básico, Técnico e Tecnológico é disciplinada pela Lei n. 12.772/2012. No que tange a sua estrutura, acesso, promoção e progressão funcional, é correto dizer:
Provas
De acordo com a Lei n. 11.892/2008 (Lei que Institui a Rede Federal de Educação Profissional, Científica e Tecnológica, cria os Institutos Federais de Educação, Ciência e Tecnologia, e dá outras providências.), a administração dos Institutos Federais possui os seguintes órgãos superiores:
Provas
Para garantir a segurança de pessoas e animais, o funcionamento adequado da instalação e a conservação dos bens, a NBR-5410/2004 traz especificações de atendimento no projeto e no dimensionamento de proteções contra sobrecorrentes e efeitos térmicos em instalações elétricas de baixa tensão. Para tanto, os projetos de instalações elétricas utilizam variáveis de cálculo, índices e fatores como: corrente nominal do dispositivo de proteção (In ), corrente de projeto do circuito (Ib )capacidade de corrente do condutor (Iz ), corrente de funcionamento de proteção com limite de sobrecarga (I2 ), corrente de fusão de fusíveis (IF) e corrente de disparo térmico de disjuntores (ID). Indique a alternativa que apresenta corretamente as condições que devem ser atendidas simultaneamente no dimensionamento de proteções contra sobrecorrente e efeitos térmicos.
Provas
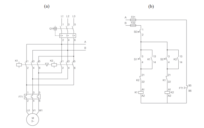
Diagramas de comandos elétricos permitem concentrar graficamente tanto a lógica (ou comando) de um processo de acionamento quanto as ligações de potência (ou força) necessárias para este acionamento. A figura apresentada, extraída de um manual de partidas de motores, mostra dois quadros, sendo: (a) força e (b) comando. Indique a alternativa que apresenta corretamente a aplicação e o funcionamento dos diagramas apresentados.
Figura: Diagrama de Comandos Elétricos de um acionamento: (a) força e (b) comando.

Fonte: Adaptado do Manual WEG – Guia e seleção de partidas. Disponível em https://static.weg.net/medias/downloadcenter/ haa/h53/WEG-guia-de-selecao-de-partidas-50037327-manual-portugues-br-dc.pdf. Acesso em: 09 set. 2024, p. 12.
Provas
Caderno Container