Foram encontradas 40 questões.
De forma geral, sem levar em conta a forma ou a configuração, quando duas partes possuem movimento relativo entre si, elas podem constituir um mancal. Os mancais usados como elementos de máquinas podem ser de deslizamento ou de rolamento.
Em relação aos elementos de máquinas denominados mancais, pode-se afirmar que:
Provas
Os elementos de máquinas são cruciais para a funcionabilidade de equipamentos destinados à área da mecânica industrial. Eles podem estar presentes em aplicações que exigem transmissão de torque, potência ou fixação de peças ou componentes.
Em relação aos elementos de máquinas, pode-se afirmar que:
Provas
A gestão eficaz da manutenção é crucial para garantir a longevidade e a eficiência operacional de ativos em uma organização. Diferentes modelos para a gestão da manutenção abordam, de maneiras distintas, aspectos que envolvem a preservação do desempenho dos equipamentos, a otimização de custos e a minimização de riscos.
Indique qual é a principal vantagem de se adotar a manutenção preventiva no processo de planejamento e controle da manutenção em uma organização:
Provas
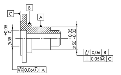
Dentre os diferentes aspectos que impactam a confiabilidade dos resultados de uma medição, um deles, de fundamental importância, é a adequada seleção do instrumento de medição, em função das características da grandeza a ser medida. Um operador precisa realizar a medição da cota especificada no desenho abaixo de ɸ 50 mm e afastamentos +0,05 e -0,03, em um lote de 50 peças, e decidir por sua conformidade à especificação. Indique qual das alternativas abaixo apresenta o instrumento de medição adequado para realizar a medição direta dessa cota dimensional, permitindo ao operador decidir pela aceitabilidade de cada uma das peças, com menor probabilidade de erros de decisão.

Fonte: https://olhonavaga.com.br/questoes/
questoes?id=43274&tc=1
Provas
Diversas propriedades mecânicas de um material submetido aos esforços de tração, tais como limite de resistência, limite de escoamento, módulo de elasticidade, entre outros, são determinadas a partir dos resultados de tensão e deformação específica, obtidos durante o ensaio de tração em um corpo de prova representativo do material em questão.
Considere o ensaio de tração realizado em um corpo de prova de seção circular de 100 mm2 de área de seção transversal, 40 mm de comprimento útil e 80 mm de comprimento total. Ao se aplicar uma força de tração de 48 000 N no corpo de prova, qual será o valor da tensão a que ele estará sendo submetido?
Provas
Juntamente com as tolerâncias dimensionais, a especificação e o controle das tolerâncias geométricas têm importante papel para a funcionalidade e intercambiabilidade de componentes mecânicos em que pequenas variações na forma ou na posição podem comprometer o desempenho, causar desgaste prematuro ou levar à falha do sistema.
Um operador precisa realizar a medição de um desvio de circularidade em uma peça cilíndrica utilizando um relógio comparador com resolução de 0,001 mm. A peça tem um diâmetro nominal de 100 mm e uma tolerância de circularidade de 0,005 mm. Um relógio comparador é montado em um suporte fixo, e a peça é girada lentamente em um torno para obter a leitura completa ao longo de todo o perímetro do cilindro.
Durante a medição, o operador obteve as seguintes leituras, em pontos distintos, ao longo do perímetro da peça (em milímetros):
• Ponto A: +0,004
• Ponto B: -0,002
• Ponto C: +0,003
• Ponto D: 0,000
• Ponto E: -0,001
• Ponto F: +0,002
• Ponto G: -0,003
• Ponto H: +0,001
Com base nas leituras fornecidas, qual é a conclusão correta sobre o desvio máximo de circularidade e a conformidade da peça?

Fonte: IFSP, 2024.
Provas
Leia, com atenção, os excertos abaixo:
“De hoje em diante, que fique combinado que não haverá mais ‘índio’ no Brasil. Fica acertado que os chamaremos indígenas, que é a mesma coisa que nativo, original de um lugar. Certo? Bem, calma lá. Alguém me soprou uma questão: mais índio e indígena não é a mesma coisa? Pois é. Não, não é. Digam o que disserem, mas ser um indígena é pertencer a um povo específico, Munduruku, por exemplo. Ser ‘índio’ é pertencer a quê? É trazer consigo todos os adjetivos não apreciados em qualquer ser humano. Ela é uma palavra preconceituosa, racista, colonialista, etnocêntrica, eurocêntrica. Acho melhor não a usarmos mais, não é?” (sic)
Fonte: São Paulo. Secretaria Municipal de Educação, 2019, p. 16.
“Ao mesmo tempo, a linguagem como produtora de conhecimento, ao não apresentar de maneira sistemática e elaborada elementos da história e da cultura africanas e afro-brasileiras, elimina não só a possibilidade de as crianças conhecerem tal história e cultura, como também leva à idéia de que não possuem importância, portanto sua ausência se torna normal, natural, a ponto de nem ser denunciada e desejada. Esse fato configura um círculo vicioso de silêncio e silenciamento, que dificulta a reflexão das crianças sobre as relações raciais no cotidiano escolar e, ao mesmo tempo, sobre o próprio pertencimento racial. Por extensão, que essas crianças reflitam e ajam sobre as discriminações experienciadas e percebidas no dia a dia.”
Fonte: Brasil. MEC, 2005, p. 99.
A partir dos excertos apresentados, um caminho eficaz que a escola deve assumir, considerando que o espaço escolar deve romper com práticas racistas e discriminatórias e promover uma educação que reconheça e promova a diversidade étnico-racial, é
Provas
Leia, com atenção, os excertos a seguir:
“A relação entre educação básica e profissional no Brasil está marcada historicamente pela dualidade. Nesse sentido, até o século XIX, não há registros de iniciativas sistemáticas que hoje possam ser caracterizadas como pertencentes ao campo da educação profissional. O que existia até então era a educação propedêutica para as elites, voltada para a formação de futuros dirigentes.
Fonte: Documento base da educação profissional técnica de nível médio integrada ao Ensino Médio, 2007, p. 10.
“Os Institutos Federais, com uma proposta singular de organização e gestão, no diálogo com as realidades regional e local e em sintonia com o global, costuram o tecido de uma rede social capaz de gerar, em resposta às demandas de desenvolvimento sustentável e inclusivo, arranjos e tecnologias educacionais próprios. Vislumbra-se que se constituam em marco nas políticas educacionais no Brasil, pois desvelam um projeto de nação que se pretende social e economicamente mais justa. Na esquina do tempo, essas instituições podem representar o desafio a um novo caminhar na produção e democratização do conhecimento.” (Pacheco, 2015, p. 27).
Com base na leitura dos excertos, é fundamental o entendimento de que a história da educação profissional no Brasil tem, na criação dos Institutos Federais, a afirmação do compromisso democrático, ético e cidadão de ruptura com a dualidade entre uma formação para a elite e outra para os trabalhadores. Nessa perspectiva, segundo Pacheco (2015), entre os conceitos fundamentais para a compreensão das concepções que orientam a criação dos Institutos Federais está:
Provas
Leia os textos abaixo:
Texto 1
“No que diz respeito à educação básica de jovens e adultos no Brasil, pode-se afirmar que predominam iniciativas individuais ou de grupos isolados, acarretando descontinuidades, contradições e descaso dos órgãos responsáveis (Moura, 2005). Por outro lado, a cada dia, aumenta a demanda social por políticas públicas perenes nessa esfera. Tais políticas devem pautar o desenvolvimento de ações baseadas em princípios epistemológicos que resultem em um corpo teórico bem estabelecido e que respeite as dimensões sociais, econômicas, culturais, cognitivas e afetivas do jovem e do adulto em situação de aprendizagem escolar (Cabello, 1998).” (Moura e Henrique, 2012, p. 115).
Texto 2
A história da educação de jovens e adultos no Brasil é marcada pela luta de diferentes segmentos sociais pela construção de políticas públicas eficazes e específicas para essa modalidade de ensino. No âmbito federal, o Programa Nacional de Integração da Educação Profissional à Educação Básica na Modalidade de Educação de Jovens e Adultos – PROEJA foi instituído em 2005 para que as instituições federais de educação profissional ofertassem cursos de formação inicial e continuada de trabalhadores e cursos técnicos de nível médio para a população jovem e adulta. (IFSP, 2024)
Após a leitura dos textos, analisando o que indicam os autores, entre os desafios enfrentados pelo PROEJA, destaca-se:
Provas
Leia, com atenção, o excerto abaixo:
“O projeto não é algo que é construído e em seguida arquivado ou encaminhado às autoridades educacionais como prova do cumprimento de tarefas burocráticas. Ele é construído e vivenciado em todos os momentos, por todos os envolvidos com o processo educativo da escola. O projeto busca um rumo, uma direção. É uma ação intencional, com um sentido explícito, com um compromisso definido coletivamente. Por isso, todo projeto pedagógico da escola é, também, um projeto político por estar intimamente articulado ao compromisso sociopolítico com os interesses reais e coletivos da população majoritária. É político no sentido de compromisso com a formação do cidadão para um tipo de sociedade.” (Veiga, 2011, p. 12-13)
Ao abordar a construção do projeto político pedagógico da escola, Veiga destaca sete elementos básicos coerentes com os princípios de igualdade, qualidade, liberdade, gestão democrática e valorização do magistério. Entre eles:
Provas
Caderno Container