Foram encontradas 40 questões.
A linguagem C é vastamente utilizada na programação de microcontroladores e sistemas embarcados. Ela permite acesso direto ao hardware, o que é bastante desejável para muitos dispositivos eletrônicos. Considere o código abaixo, escrito no Dev C++ 5.11. Ao final da execução do algoritmo no compilador, quais valores serão exibidos no console?

Fonte: IFSP, 2024
Provas
Disciplina: Estatuto da Pessoa com Deficiência - Lei 13.146/2015
Banca: IF-SP
Orgão: IF-SP
De acordo com a Lei n. 13.146/2015 (Estatuto da Pessoa com Deficiência), os telecentros comunitários que receberem recursos públicos federais para seu custeio ou sua instalação, e lan houses, devem possuir equipamentos e instalações acessíveis. O percentual de computadores com recursos de acessibilidade para pessoas com deficiência visual que os estabelecimentos citados devem garantir, no mínimo, é:
Provas
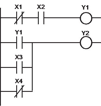
Um engenheiro de automação está programando um Controlador Lógico Programável (CLP) para gerenciar o controle de um sistema de esteiras em uma fábrica. O CLP é programado utilizando a linguagem Ladder para garantir que as esteiras operem de maneira segura. A figura abaixo mostra um diagrama Ladder utilizado para acionar duas saídas, esteira 1 (Y1) e esteira 2 (Y2), com base nas entradas X1, X2, X3 e X4.

Fonte: IFSP, 2024
Com base no diagrama apresentado, analise as seguintes afirmativas:
I. Se a entrada X1 estiver desacionada, a esteira 1 será acionada, independentemente do estado de X2.
II. A esteira 2 será acionada se X3 e X4 forem acionadas.
III. Se todas as entradas estiverem desacionadas, a esteira 2 será acionada.
Quais afirmativas estão corretas?
Provas
Memórias são dispositivos utilizados para armazenar informações tais como números, letras, endereços e instruções em forma de sinais digitais por períodos curtos ou longos. A grande vantagem dos sistemas digitais sobre os analógicos é a habilidade de armazenar grandes quantidades de informações digitais. Embora distingam-se pela sua operação interna, as memórias têm princípios básicos de operação comuns. Seja uma memória de 32 x 4 que armazena 32 palavras de 4 bits, quais as condições em cada entrada e saída quando a palavra de dados 0111 estiver sendo escrita no endereço 01100?
Provas
Uma das aplicações mais comumente utilizadas com o diodo Zener reside na regulação de tensão de saída de fontes de alimentação. Por meio da sua utilização em conjunto com um resistor, pode-se conseguir uma tensão praticamente constante à carga, independente das flutuações da tensão de entrada.
Considere o circuito com o diodo Zener e os dados mostrados na imagem a seguir para determinar a faixa de valores da tensão de entrada Vi que manterão o diodo Zener no estado ligado.

Fonte: IFSP, 2024
Provas
Em uma planta industrial, um motor trifásico de 9 kW é utilizado para acionar uma esteira transportadora que opera em um ambiente de produção contínua. O motor, que opera a 220 V e possui um fator de potência de 0,8, é acionado por partida direta, uma solução simples e eficaz para este tipo de aplicação. O engenheiro responsável pelo sistema precisa calcular a corrente de partida do motor, que é essencial para o dimensionamento adequado dos componentes de proteção e controle do motor. A corrente de partida do motor é aproximadamente cinco vezes a corrente nominal, de forma que possa garantir a segurança operacional da planta. Com base nessas informações, qual será a corrente de partida do motor, de forma aproximada? Considere um rendimento de 100% e use a aproximação \( \sqrt{3} \)=1,7.
Provas
Considere um robô planar com duas juntas rotativas (RR), em que o comprimento do primeiro link é L1 e o comprimento do segundo link é L2. A cinemática direta relaciona os ângulos das juntas (θ1 e θ2) com a posição do efetuador final no plano XY. Qual é a equação da cinemática direta que descreve a posição (x, y) do efetuador final em termos dos ângulos das juntas e dos comprimentos dos links?
Provas
Um robô industrial é uma máquina programável de propósito geral que possui certas características antropomórficas, sendo o braço mecânico (ou manipulador) a característica antropomórfica mais óbvia. O manipulador, combinado com um controlador de alto nível, permite que um robô industrial realize várias tarefas como carregamento e descarregamento de máquinas e equipamentos, processo de soldagem e pintura pulverizada.
Em relação aos robôs industriais, pode-se afirmar que:
Provas
O funcionamento de inversor de frequência consiste na variação da frequência que alimenta o motor de indução trifásico, por meio de um circuito de controle e dispositivos de estado sólido, inicialmente tiristores e, nos dias atuais, IGBT’s. Porém, operar um motor com frequências abaixo ou acima da sua frequência nominal pode trazer dificuldades à operação. A figura a seguir mostra uma curva operacional típica que os fabricantes divulgam para evitar danos ao motor, em que um fator é aplicado ao conjugado nominal para determinar sua capacidade de trabalho.

Fonte: FRANCHI, C. M. Acionamentos Elétricos. São Paulo: Érica, 4ª edição, 2014.
Assim, sobre operações com inversores de frequência, assinale a alternativa correta.
Provas
Em uma fábrica, um engenheiro precisa garantir que uma bomba de água seja ligada apenas 5 segundos após um sensor de nível detectar que o tanque está vazio. Para isso, ele configurou um temporizador de retardo na energização (TON) com um tempo de 5 segundos no CLP. A bomba deve permanecer ligada enquanto o sensor continuar indicando que o tanque está vazio. O que acontecerá com a bomba se o sensor de nível detectar que o tanque está vazio por 3 segundos e, em seguida, o nível voltar ao normal?
Provas
Caderno Container