Foram encontradas 40 questões.
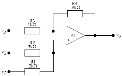
Observe o circuito abaixo.

A tensão de saída, considerando o amplificador operacional ideal, é dada por
Provas
Questão presente nas seguintes provas
Quanto aos motores síncronos, afirma-se:
I. Durante a partida de um motor síncrono, por seus enrolamentos amortecedores, o enrolamento de campo CC é curto-circuitado enquanto se aplica CA ao estator, trazendo o motor até sua velocidade a vazio como um motor de indução.
II. Conforme a carga mecânica aplicada a um motor síncrono cresce, a corrente de armadura (Ia) aumenta, independentemente da excitação.
III. Se o motor síncrono está sobre ou subexcitado, seu fator de potência tende a aproximar-se da unidade com o aumento da carga.
Estão corretas as afirmativas
Provas
Questão presente nas seguintes provas
Um material magnético tem parte de sua curva de magnetização expressa pela Tabela abaixo.
Curva de magnetização da questão 08.
| H (Ae/m) | 0 | 1000 | 2000 | 3000 | 4000 | 5000 |
| B (T) | 0 | 0,10 | 0,20 | 0,27 | 0,32 | 0,35 |
A permeabilidade relativa para o ponto (4000 Ae/m; 0,32 T) vale:
Provas
Questão presente nas seguintes provas
Duas fontes de tensão CC não-ideais são ligadas em paralelo para alimentar uma carga de 2,5 !$ \Omega !$. As forças eletromotrizes das fontes e suas resistências série são respectivamente 14,0 V / 2,0 !$ \Omega !$ e 12,0 V / 1,0 !$ \Omega !$. As correntes de cada fonte serão respectivamente
Provas
Questão presente nas seguintes provas
Duas cargas trifásicas equilibradas são ligadas em paralelo e posteriormente alimentadas por uma rede elétrica também equilibrada com 440 V eficazes de tensão de linha e 60 Hz. A primeira trata-se de uma carga ligada em estrela onde cada fase é formada por um resistor de 20!$ \Omega !$ em série com uma reatância indutiva de 24 !$ \Omega !$. A segunda carga trata-se de um banco de capacitores formado por três capacitores de 47 !$ \mu !$F ligados em triângulo. É correto afirmar que a potência aparente fornecida pela rede ao conjunto é de
Provas
Questão presente nas seguintes provas
Deseja-se gerar uma rampa de tensão que, partindo do zero, cresça na razão 12.000 V/s durante o tempo de 10 ms. Para isto serão usados uma fonte de corrente de 2,40 mA e um capacitor. É certo afimar que, para esta função, a capacitância do capacitor deve ser
Provas
Questão presente nas seguintes provas
Quanto à ligação de geradores síncronos em paralelo, afirma-se que:
I. As tensões dos geradores devem ter a mesma forma de onda.
II. Os valores eficazes das tensões devem ser idênticos.
III. As características combinadas de tensão total dos geradores e da velocidade da máquina primária devem ser descendentes com a aplicação da carga.
Estão corretas as afirmativas
Provas
Questão presente nas seguintes provas
Para o circuito da figura abaixo a corrente fornecida pela fonte é de 2,0 A, logo a resistência Rx vale

Provas
Questão presente nas seguintes provas
Um indutor puro está sendo alimentado por uma fonte de corrente com onda triangular. No momento em que a corrente cresce na razão de 8,0 kA/s gera-se uma tensão nos seus terminais que vale 400 V.
É certo afirmar que a indutância do indutor é
Provas
Questão presente nas seguintes provas
Um campo elétrico uniforme de 20.000 V/m aponta no sentido vertical de cima para baixo conforme a figura ao lado. Para as distâncias representadas na figura afirma-se que o módulo da d.d.p entre os pontos A e C vale

Provas
Questão presente nas seguintes provas
Cadernos
Caderno Container