Foram encontradas 40 questões.
Um campo elétrico uniforme de 240.000 V/m age sobre uma carga de prova de 20 !$ \mu !$C causando-lhe certa força. Afirma-se que o módulo da força sobre esta carga será
Provas
Questão presente nas seguintes provas
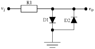
Observe os circuitos abaixo.

Os circuitos apresentados representam duas portas lógicas com diodos ideais, nas quais vA, vB e vC são as tensões de entrada e vy é a tensão de saída. Considerando que o valor lógico baixo corresponde a 0 V e o valor lógico alto corresponde a 5 V, os circuitos A e B, respectivamente, implementam as funções lógicas
Provas
Questão presente nas seguintes provas
Dois barramentos cilíndricos paralelos, horizontais, estão distanciados entre si de 12,0 cm. Num dado instante de um curtocircuito circulam em cada um deles correntes de 20 kA em sentidos opostos.
Sabendo-se que cada um deles tem um comprimento de 1,20 m e que estão envoltos no ar (cuja permeabilidade relativa é tomada como 1,0) é correto afirmar que a força total entre eles é de:
Provas
Questão presente nas seguintes provas
Observe o circuito abaixo.

Considerando o modelo de diodos com queda de tensão constante, e que o valor da tensão direta de condução dos diodos é de 0,7 V, a característica de transferência que melhor representa o funcionamento do circuito é
Provas
Questão presente nas seguintes provas
Sobre diodos semicondutores, analise as afirmações abaixo.
I. Os diodos zener são diodos projetados para operar na região de ruptura e são utilizados no projeto de circuitos reguladores de tensão.
II. Um diodo ideal apresenta características semelhantes às de uma chave elétrica simples, exceto pelo fato de que o diodo conduz em um único sentido.
III. Ao se escolher um diodo para uma aplicação específica é importante que a especificação da tensão de pico inversa (ou PIV) seja feita comparando–se o valor máximo da tensão entre os terminais do diodo sob condições de polarização reversa no circuito com o valor indicado no manual.
Estão corretas as afirmativas
Provas
Questão presente nas seguintes provas
Quanto às chaves de partida para motores de indução, afirma-se que:
I. Uma desvantagem da chave estrela-triângulo é a necessidade de que a tensão de linha da rede deve coincidir com a tensão em estrela do motor.
II. A chave série-paralelo reduz a corrente de partida a 25% do seu valor para partida direta.
III. Numa chave de partida eletrônica (Soft-Starter) o valor RMS da tensão é controlado pelo ângulo de disparo dos tiristores.
Estão corretas as afirmativas
Provas
Questão presente nas seguintes provas
Uma bobina é alimentada por uma bateria de 12 V com resistência interna desprezível obtendo-se uma corrente elétrica de 1,6 A. Essa mesma bobina foi alimentada através de uma rede elétrica com 127 V de tensão eficaz e 60 Hz sendo nessa situação medida uma corrente de 6,8 AEF.
Baseado nessas informações, o valor característico da indutância da bobina é
Provas
Questão presente nas seguintes provas
Em relação a um Motor de Indução Trifásico, afirma-se que:
I. Num motor de indução trifásico, as correntes induzidas no rotor produzem uma onda de fluxo que gira numa velocidade menor do que a onda do estator.
II. Usando rotores de gaiola dupla e barras profundas, os motores de gaiola podem ser projetados para ter as boas características de partida que resultam de uma resistência de rotor elevada e, ao mesmo tempo, as boas características de funcionamento resultantes de uma resistência de rotor baixa.
III. O escorregamento de máximo torque pode ser controlado pela variação da resistência do rotor, quando o mesmo é de rotor bobinado.
Estão corretas as afirmativas
Provas
Questão presente nas seguintes provas
Um capacitor puro ao ser ligado em uma rede elétrica com 220 VEF e 60 Hz absorve uma corrente elétrica de 1,82 AEF. Quando o mesmo for ligado em 127 VEF e 50 Hz, é correto afirmar que o valor eficaz da corrente elétrica no capacitor será de
Provas
Questão presente nas seguintes provas
Em relação aos motores de corrente contínua, afirma-se que:
I. Para trocar o sentido de rotação de qualquer motor CC, é necessário inverter o sentido da corrente através da armadura com relação ao sentido do campo magnético.
II. A regulação de velocidade de um motor CC é definida como: “a variação da velocidade desde a plena carga até a situação de carga nula, expressa em porcentagem da velocidade nominal”.
III. Um motor CC de excitação paralela (shunt) operando com o campo fraco e sem nenhum meio de compensar a reação da armadura, é particularmente susceptível à instabilidade de carga e de disparar a sua velocidade.
Estão corretas as afirmativas
Provas
Questão presente nas seguintes provas
Cadernos
Caderno Container