Foram encontradas 120 questões.
No circuito monofásico apresentado ao lado temos 2 motores de indução: M1 – 10 kVA !$ \cos \Phi, !$ = 0,7 e M2 – 30 kW Fp = 0,8.

Determine o valor da capacitância que quando acrescentada em paralelo com o circuito leve o fator de potência do conjunto para 0,92 ind.
Provas
Questão presente nas seguintes provas
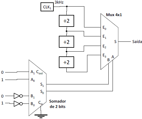
Considere o circuito abaixo, composto de um gerador de relógio de 3kHz, 3 divisores de frequência, um multiplexador 4x1, um somador de 2 bits e dois inversores.

O valor da frequência do sinal de saída, é de
Provas
Questão presente nas seguintes provas
No circuito ao lado sabe-se que : L1 = 15,92 mH, R1 = 10 !$ Ω !$, C = 663 μF, R2 = 5 !$ Ω !$, L2 = 7,96 mH, R3 = 3 !$ Ω !$ e que E = 179,61 sen (376,99 t + 30°) V . Se colocarmos um voltímetro analógico na escala de C.A.

Sobre o capacitor quantos volts mediremos?
Provas
Questão presente nas seguintes provas
Uma carga trifásica absorve 650 kW, com um fator de potência de 0,57 indutivo, de uma linha de 380 V. Em paralelo com a carga existe um banco de capacitores trifásicos de 90 kVA.
Obtenha a corrente total absorvida da fonte (IL) .
Provas
Questão presente nas seguintes provas
Morais (2001, p.19) afirma que “A ortografia funciona assim como um recurso capaz de cristalizar na escrita as diferentes maneiras de falar dos usuários de uma mesma língua. Escrevendo de forma unificada, podemos nos comunicar mais facilmente. E cada um continua tendo a liberdade de pronunciar o mesmo texto à sua maneira quando, por exemplo, o lê em voz alta.”
De acordo com o trecho dado, analise as afirmativas a seguir:
I. A ortografia mantém a padronização da língua evitando, assim, que cada um registre seu modo próprio de falar quando escreve.
II. A unificação da língua escrita, através das normas ortográficas, faz com que os falantes tenham menor liberdade ao ler um texto em voz alta.
III. A padronização da língua, via ortografia, propicia que dois usuários da língua e distantes geograficamente possam se comunicar via escrita tranquilamente.
Estão corretas as afirmativas
Provas
Questão presente nas seguintes provas
Leia o poema abaixo, para resolução da questão.
Testamento
O que não tenho e desejo
É o que melhor me enriquece.
Tive uns dinheiros - perdi-os...
Tive amores - esqueci-os.
Mas no maior desespero
Rezei: ganhei essa prece.
Vi terras de minha terra.
Por outras terras andei.
Mas o que ficou marcado
No meu olhar fatigado,
Foram terras que inventei.
Gosto muito de crianças:
Não tive um filho de meu.
Um filho!... Não foi de jeito...
Mas trago dentro do peito
Meu filho que não nasceu.
Criou-me, desde menino,
Para arquiteto meu pai.
Foi-se-me um dia a saúde...
Fiz-me arquiteto? Não pude!
Sou poeta menor, perdoai!
Não faço versos de guerra,
Não faço porque não sei.
Mas num torpedo-suicida
Darei de bom grado a vida
Na luta em que não lutei.
Considerando algumas características biográficas e temáticas, identificam-se que os versos acima são de autoria do poeta,
Provas
Questão presente nas seguintes provas
Considere a seguinte análise de Platão e Fiorin (2007) sobre a Argumentação:
“Um dos aspectos importantes a considerar quando se lê um texto é que, em princípio, quem o produz está interessado em o leitor de alguma coisa. Todo texto tem, por trás de si, um produtor que procura o seu leitor (ou leitores), usando para tanto vários recursos de natureza lógica e linguística. Chamamos a todos os recursos acionados pelo produtor do texto com vistas a levar o leitor a crer naquilo que o texto diz e fazer aquilo que ele propõe.”
(FIORIN, José Luiz; SAVIOLI, Francisco Platão. Para entender o texto: leitura e redação. 17. ed. São Paulo: Ática, 2007. p.173)
Os termos que completam, correta e respectivamente, as lacunas, segundo o excerto retirado de Platão e Fiorin (2007, p.173), são:
Provas
Questão presente nas seguintes provas
O valor de !$ vi1 !$ no circuito esquematizado abaixo, é

Provas
Questão presente nas seguintes provas
Considerando os capacitores !$ C1 !$, !$ C2 !$ e !$ C3 !$ ideais, qual o valor da tensão de saída !$ (vo) !$ e da impedância de saída !$ (Zo) !$ do circuito esquematizado na figura abaixo?

Provas
Questão presente nas seguintes provas
Observe o circuito lógico abaixo.

Qual é a tabela verdade correspondente?
Provas
Questão presente nas seguintes provas
Cadernos
Caderno Container