Foram encontradas 120 questões.
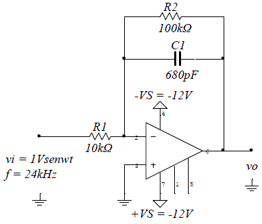
O valor de !$ vo !$ no circuito esquematizado na figura abaixo, é

Provas
Questão presente nas seguintes provas
Leia o texto 1 e o texto 2, para responder à questão.
Texto 1
REMISSÃO
Tua memória, pasto de poesia,
tua poesia, pasto dos vulgares,
vão se engastando numa coisa fria
a que tu chamas: vida, e seus pesares.
Mas, pesares de quê? perguntaria,
se esse travo de angústia nos cantares,
se o que dorme na base da elegia
vai correndo e secando pelos ares,
a nada resta, mesmo, do que escreves
e te forçou ao exílio das palavras,
senão contentamento de escrever,
enquanto o tempo, e suas formas breves
ou longas, que sutil interpretavas,
se evapora no fundo de teu ser?
(ANDRADE, Carlos Drummond de. Claro enigma. 17ª ed. Rio de Janeiro: Record, 2007)
Texto 2
“O escritor não escreve senão – já preso nos laços ou na rede da literatura, como acontece desde a plataforma de lançamento de Montaigne – para o seu outro. Ainda que através da imprensa especializada, das editoras e coleções de literatura, a que se ligam, aliás, as pequenas chances de profissionalização da área. Podendo passar dessa alteridade já frágil para a intransitividade – ou erótica escritural sublimante, se quisermos dar sentido psicológico profundo a essa tendência à solidão – a que muitos acabarão se referindo, modernidade adentro, de resto”.
(MOTTA, Leda Tenório da. A literatura, o público e o gosto médio. In Sobre a crítica literária brasileira no último meio século. Rio de Janeiro: Imago Editora Ltda, 2002)
A leitura dos textos 1 e 2 indica entre eles uma relação de
Provas
Questão presente nas seguintes provas
No circuito ao lado sabemos que a corrente no resistor vale 10 A, no capacitor 2 A e no indutor 2 A.

Calcule a corrente que a fonte está fornecendo.
Provas
Questão presente nas seguintes provas
Abaixo temos um transformador trifásico Ideal com a relação de espiras de 5:1 conforme descrito no desenho. Sabemos que Z1 = Z2 = Z3 = 10!$ Ω !$ e que a tensão sobre Z1, VZ1 = 500 V.

O calculo do módulo da tensão e da corrente, ambos na linha do primário do transformador é de
Provas
Questão presente nas seguintes provas
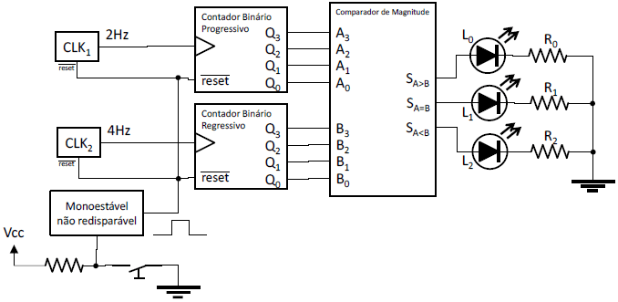
Ao pressionar o botão, o multivibrador monoestável não redisparável do circuito abaixo produz um pulso de nível alto de 5s de duração. O pulso gerado pelo monoestável desativa o reset dos contadores e dos geradores do sinal de relógio. O gerador de 2Hz gera o sinal de contagem de um contador binário progressivo e o gerador de 4Hz gera o sinal de contagem de um contador binário regressivo. Um comparador de magnitude de 4 bits compara as saídas dos contadores e ativa 3 leds de acordo com os valores dos contadores.

A partir do evento citado, é correto afirmar que o led
Provas
Questão presente nas seguintes provas
Considerando que o tempo de atraso de propagação de um Flip-Flop é de 50ns, qual o atraso de propagação de um contador assíncrono que conte de 010 a 120010, sob um sinal de relógio de 1MHz?
Provas
Questão presente nas seguintes provas
O valor impedância de entrada !$ (Zi) !$ e do ganho de tensão !$ (Av) !$ do circuito esquematizado na figura abaixo é, respectivamente:

Provas
Questão presente nas seguintes provas
De acordo com as afirmações abaixo, marque com (V) as que forem verdadeiras e com (F) as falsas:
( ) Em um Sistema Trifásico quando utilizamos as ligações em estrela podemos dizer que !$ VL=\sqrt3 \times VF !$ e que !$ IL=IF !$
( ) Em um Sistema Trifásico quando utilizamos as ligações em estrela podemos dizer que !$ VF= \sqrt3 \times VL !$ e que !$ IL=IF !$
( ) Em um Sistema Trifásico quando utilizamos as ligações em triângulo podemos dizer que !$ VL=VF !$ e que !$ IL=\sqrt 3 \times IF !$
( ) Em um Sistema Trifásico quando utilizamos as ligações em triângulo podemos dizer que !$ VL=\sqrt 3 \times VF !$ e que !$ IL=IF !$
( ) Em um Sistema Trifásico quando utilizamos as ligações em triângulo podemos dizer que !$ VL=VF !$ e que !$ IF= \sqrt 3 \times IL !$
A sequência correta, de cima para baixo, é
Provas
Questão presente nas seguintes provas
No circuito ao lado, VR = 100V, VL = 100 V e VC = 100 V, isto significa dizer que a tensão da fonte é de

Provas
Questão presente nas seguintes provas
Leia o texto a seguir, para responder a questão.

Revista Veja, 16 de março de 2015.
No que diz respeito a gênero textual, são feitas as seguintes afirmações.
I. A propaganda e o menu são gêneros textuais diferentes, porque representam domínios de formas linguísticas pelos interlocutores.
II. O fato de considerar a propaganda e o menu como gêneros textuais implica considerá-los como formas culturais e cognitivas, com restrições, padronizações e regularidades, e não como entidades dinâmicas.
III. O menu está inserido na propaganda com o objetivo de estimular o consumo dos produtos da marca Sadia, ou seja, há um gênero exercendo a função de outro, o que recebe o nome de intergenericidade.
Está (ão) correta (s) apenas a (s) afirmação (ões)
Provas
Questão presente nas seguintes provas
Cadernos
Caderno Container