Foram encontradas 40 questões.
Se dobrarmos o valor da resistência elétrica, a potência elétrica
Provas
Questão presente nas seguintes provas
No que se refere à chave de partida direta, os motores poderão utilizar esse sistema de partida de motores elétricos quando:
I. A corrente nominal da rede é tão elevada que a corrente de partida do motor não é relevante.
II. A partida do motor é feita sem carga, o que reduz a duração da corrente de partida e, consequentemente, atenua os efeitos sobre o sistema de alimentação.
III. O limite de potência permitida pela concessionaria local, normalmente é estabelecida em 15 cv, quando a unidade de consumo é alimentada em baixa tensão por rede da concessionária.
IV. A carga necessitar de acionamento lento e progressivo.
Estão corretos os procedimentos
Provas
Questão presente nas seguintes provas
Na formação de cavaco, nas condições normais de usinagem com ferramenta de metal duro ou de aço rápido, afirma-se que
Provas
Questão presente nas seguintes provas
Em máquinas CNC, os eixos do sistema de coordenadas estão relacionados com os movimentos executados, sendo que, num torno,
Provas
Questão presente nas seguintes provas
Com relação a partida através de chave compensadora, afirmam-se:
I. Na derivação 65%, a corrente de partida na linha se aproxima do valor da corrente de acionamento, utilizando chave estrela-triângulo.
II. Apresenta custo inferior ao da chave estrela-triângulo.
III. A comutação da derivação de tensão reduzida para a tensão de suprimento não acarreta elevação da corrente, já que o autotransformador se comporta, neste instante, semelhante a uma reatância que impede o crescimento da mesma.
IV. A chave permite variações gradativas de tape para que se possa aplicar a chave adequadamente à capacidade do sistema de suprimento.
Estão corretas apenas as afirmativas
Provas
Questão presente nas seguintes provas
No processo mecânico de usinagem por furação (sem pré-furação), a profundidade de corte corresponde a
Provas
Questão presente nas seguintes provas
Numa programação em comando FANUC, tem-se que
Provas
Questão presente nas seguintes provas
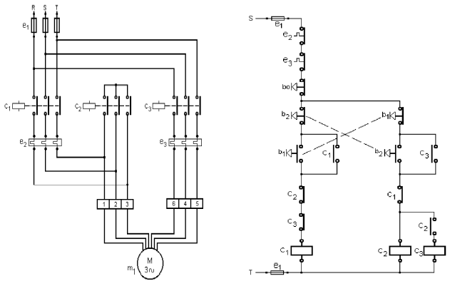
Dados os circuitos de potência e comando para partida de um motor Dahlander, o acionamento do circuito é realizado através das botoeiras b1 e b2 e desativado pela botoeira b0.

No momento que a botoeira b1 for acionada a (s) seguinte (s) contatora (s) será (ão) acionada (s)
Provas
Questão presente nas seguintes provas
Um chuveiro elétrico, alimentado por uma tensão de 220 V, dissipa uma potência máxima de 7446 W e uma potência mínima de 3723 W.
Qual o valor da resistência do chuveiro quando ele estiver, respectivamente, na posição inverno ou na posição verão?
Provas
Questão presente nas seguintes provas
Num centro de usinagem com comando FANUC, usina-se uma peça que tem a forma de um cubo. A origem do sistema de coordenadas é localizada no centro da superfície superior da peça. Na usinagem, utiliza-se uma fresa de topo de 5 mm de diâmetro e parte da programação é mostrada abaixo.
N49 G90
N50 G0 X0.000 Y0.000 Z5.000
N51 G1 Z-1.000
N52 G91
N53 G1 X10.000
N54 G90
N55 G1 Z1.000
Com base na programação acima, é correto afirmar que
Provas
Questão presente nas seguintes provas
Cadernos
Caderno Container