Foram encontradas 40 questões.
Considere o sistema de controle abaixo:
Figura 20

Fonte: O autor
Com relação ao LGR do sistema, analise as afirmativas a seguir:
I. Os polos estão localizados em (0,0) e (4,0).
II. Para k=1, os polos se localizam em (-2,0).
III. Para k>1, a saída do sistema apresenta polos complexos.
IV. Para k>2, o sistema em malha fechada é instável.
Estão corretas apenas as afirmativas:
Provas
Considere o sinal periódico abaixo:

Ao realizar a análise deste sinal, através das séries de Fourier, conclui-se que a função
Provas
Analise a função abaixo:

A transformada inversa de Laplace da função acima é
Provas
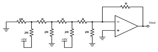
O circuito abaixo representa um conversor DA de 4bits.
Figura 19

Fonte: O autor
O valor da tensão Vout do circuito é de
Provas
Figura 18
Fonte: O autor A tensão Vout para o circuito é de
Provas
Figura 17
Fonte: O autor A tensão Vout para o circuito é de
Provas
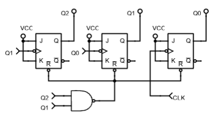
Analise o circuito abaixo:
Figura 16

Fonte: O autor
É correto afirmar que o circuito sequencial acima
Provas
Considere a expressão booleana abaixo:
![]()
A expressão simplificada, com o menor número de portas, corresponde à alternativa
Provas
Considere os circuitos digitais abaixo.
Figura 15

Fonte: O Autor
É correto afirmar que
Provas
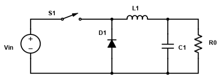
Analise o circuito abaixo, considerando como tensão de saída a queda de tensão no resistor R0.
Figura 14

Fonte: O autor
De qual tipo de conversor se trata este circuito?
Provas
Caderno Container