Foram encontradas 50 questões.
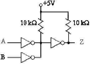
Os elementos de memória empregam uma função-chave dentro dos sistemas digitais. Devido à capacidade de retenção do estado lógico anterior, esses elementos permitem que a dinâmica de certos circuitos digitais seja capaz de modelar até mesmo comportamento sequencial. Dado o circuito abaixo, não é possível afirmar que:

Provas
A respeito de circuitos digitais microprocessadores e de dispositivos de lógica programável, é correto afirmar que:
Provas
A entrada de seleção de maior peso, no circuito apresentado abaixo, é a S2.

Qual é a função lógica gerada?
Provas
A seguir é apresentado um arranjo de memória somente de leitura do tipo N-ROM. Esta faz uso de células implementadas por meio de um transistor NMOS arranjadas em linhas e colunas, sendo que as linhas representam uma palavra de dados e cada coluna contém um bit de uma das palavras de dados armazenadas.

Para esse arranjo as linhas de endereço são A0 e A1 e as de dados, D3, D2, D1 e D0, tal que A1 e D3 sejam os bits mais significativos para suas respectivas informações. O decodificador de endereços fornece +5V somente em sua saída ativa. Sobre essa memória, pode-se afirmar que:
Provas
A respeito de um circuito digital microprocessador, é incorreto afirmar que:
Provas
No circuito abaixo, uma porta inversora pertencente à família TTL padrão é acionada por meio da tensão de saída no pino de ajuste de um potenciômetro. Nesse circuito, são mensuradas as seguintes grandezas: corrente na entrada da porta inversora, A, tensão na entrada da porta, V1, e tensão na saída da porta, V2.

À medida que se manipula a resistência no pino de saída do potenciômetro, altera-se a tensão na entrada da porta inversora. Nessa situação, é incorreto afirmar que:
Provas
O circuito abaixo utiliza portas inversoras a coletor aberto para implementar lógica combinacional. Para o arranjo apresentado, qual é a lógica implementada?

Provas
O sistema de controle de um elevador é efetuado por meio da seguinte função lógica:
!$ Z = \bar{A} \ \bar{B} \ \bar{C} + \bar{A} \ \bar{B} \ C + A \ \bar{B} \ \bar{C} + A \ B \ \bar{C} !$
A única representação combinacional de Z que não representaria a função de acionamento do elevador é:
Provas
Memórias RAM do tipo estática utilizam latches e flip-flops como células de memória. Em relação às memórias RAM dinâmicas, pode-se afirmar que:
Provas
Dentre as bases numéricas existentes, a decimal é a mais utilizada. Sabendo que certos números decimais inteiros são representados por uma sequência de dígitos na forma ABBA, assim como 1001, 0770, dentre outros, é correto afirmar que os valores numéricos que respeitam tal estrutura:
Provas
Caderno Container