Foram encontradas 50 questões.
Sobre portas lógicas e suas utilizações em circuitos
digitais, assinale a alternativa correta.
Provas
Questão presente nas seguintes provas
Assinale a alternativa que contém a melhor simplificação para a expressão lógica

Provas
Questão presente nas seguintes provas
A respeito de equipamentos de medição utilizados
em circuitos eletrônicos, é correto dizer.
Provas
Questão presente nas seguintes provas
- EletrotécnicaCircuitos Elétricos em Eletricidade
- EletrotécnicaCircuitos de Corrente Contínua e de Corrente Alternada
Dado o circuito retificador controlado mostrado na figura abaixo e considerando as formas de onda pulsante (VP) e a tensão da rede elétrica (VS) mostradas a seguir.


Marque a resposta que corresponde a forma de onda da tensão (VR) que está aplicada na resistência ligada na saída desse retificador.
Provas
Questão presente nas seguintes provas
- EletrotécnicaCircuitos Elétricos em Eletricidade
- EletrotécnicaCircuitos de Corrente Contínua e de Corrente Alternada
Considere a associação de capacitores mostrado na figura abaixo.

Determine a capacitância equivalente entre os terminais A e B.
Provas
Questão presente nas seguintes provas
- EletrotécnicaCircuitos Elétricos em Eletricidade
- EletrotécnicaCircuitos de Corrente Contínua e de Corrente Alternada
Em uma casa existe um chuveiro elétrico que está
alimentado por uma tensão de fase de 150 V e ele
está consumindo uma potência elétrica ativa de
4500 W. Determine a resistência elétrica desse
chuveiro.
Provas
Questão presente nas seguintes provas
- EletrotécnicaCircuitos Elétricos em Eletricidade
- EletrotécnicaCircuitos de Corrente Contínua e de Corrente Alternada
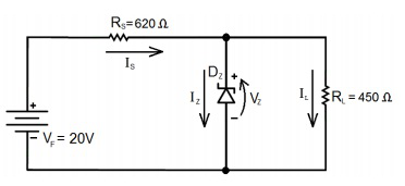
Dado o circuito com diodo zener mostrado no
circuito abaixo, determine as correntes do resistor
shunt (RS) e do resistor de carga (RL) sabendo que a
tensão zener é de 4,5 V e que a corrente máxima do
diodo zener é de 50 mA.


Provas
Questão presente nas seguintes provas
- EletrotécnicaCircuitos Elétricos em Eletricidade
- EletrotécnicaCircuitos de Corrente Contínua e de Corrente Alternada
Dado o circuito da figura abaixo e considerando
todos os diodos ideais, determine o valor da tensão
de saída V0 e a corrente no resistor R1.


Provas
Questão presente nas seguintes provas
- EletrotécnicaCircuitos Elétricos em Eletricidade
- EletrotécnicaCircuitos de Corrente Contínua e de Corrente Alternada
Uma resistência elétrica foi fabricada utilizando
Nicromo cuja resistividade (ρ) é igual a
aproximadamente 1x10-6 Ω.m, sabendo que o
comprimento do fio utilizado é de 15 cm e que seu
diâmetro é de 0,1 mm. Determine a resistência
elétrica do mesmo, bem como a corrente que
passará por ele quando sobre ele estiver aplicado
uma diferença de potencial (d.d.p.) de 12,5 V. (Use
π = 3)
Provas
Questão presente nas seguintes provas
- EletrotécnicaCircuitos Elétricos em Eletricidade
- EletrotécnicaCircuitos de Corrente Contínua e de Corrente Alternada
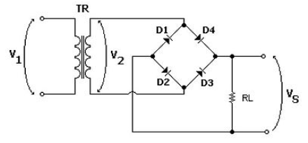
Dado o circuito retificador de onda completa mostrado no circuito da figura abaixo e considerando que os diodos são ideais, determine a tensão DC (VS) na carga (RL) sabendo que a tensão RMS (VRMS) na entrada do transformador V1 é igual a 220 V e que a relação de transformação do transformador é V1/V2 = 11.(Use √2 = 1,4 e π = 3,1)


Provas
Questão presente nas seguintes provas
Cadernos
Caderno Container