Foram encontradas 50 questões.
Instrumentos digitais apresentam erros intrínsecos associados às medidas que fornecem, geralmente devido aos desvios e tolerâncias dos seus componentes internos, ruído eletrônico etc. Esse tipo de erro é denominado de incerteza instrumental. O cálculo da incerteza instrumental é padronizado pelo próprio fabricante e está disponível no manual do equipamento. Suponha que em um amperímetro digital com fundo de escala de 20\( \mu \)A, foi registrada a medida de 10,55. Se no manual do fabricante consta a incerteza de ±(2%|Leitura|+3 contagens), o valor da corrente elétrica, levando em consideração a incerteza instrumental será de:
Provas
Instrumentos de medidas elétricas analógicos continuam sendo muito utilizados nos dias atuais. A leitura é feita de maneira indireta, usualmente através do posicionamento de um ponteiro sobre uma escala.

A figura acima retrata o visor de um instrumento de medidas elétricas ajustado para medição de corrente elétrica, cuja leitura registrada é:
Provas
Os processos industriais são formados por equipamentos mecânicos, elétricos, eletrônicos, hidráulicos ou pneumáticos que, através de sucessivas operações utilizando matéria-prima e energia, resultará num produto final e resíduos. Nesse contexto, os controladores lógicos programáveis (CLP) são vastamente empregados no controle lógico de processos, gerenciando as variáveis de entrada e, através de um programa, definindo ações de controle e operação do processo.
A linguagem concebida como uma ferramenta gráfica para programação de CLP foi:
Provas
Os sistemas de controle de automação industrial podem ser classificados em controle de processos contínuos ou controle de processos discretos. Analise as seguintes afirmativas:
I. Em um sistema de controle contínuo, todas as variáveis são funções de um tempo contínuo.
II. Sinais definidos apenas em determinados instantes de tempo são chamados de sinais de tempo discreto.
III. Um sinal senoidal é um sinal de tempo discreto.
IV. Chaves fim de curso são dispositivos que recebem apenas sinais contínuos.
É CORRETO apenas o que se afirma em:
Provas
No universo dos sistemas automatizados, destacam-se os sistemas industriais de produção. Esses sistemas podem ser classificados quanto ao seu nível de flexibilidade. Analise as assertivas a seguir:
I. Está baseada em uma linha de produção especialmente projetada para a fabricação de um produto específico e determinado. É utilizada quando o volume de produção deve ser muito elevado, e o equipamento é projetado adequadamente para produzir altas quantidades de um único produto ou uma única peça de forma rápida e eficiente, isto é, para ter uma alta taxa de produção.
II. É baseada em um equipamento com capacidade de fabricar uma variedade de produtos com características diferentes, segundo um programa de instruções previamente introduzido. Esse tipo de automação é utilizado quando o volume de produção de cada item é baixo. O equipamento de produção é projetado para ser adaptável às diferentes características e configurações dos produtos fabricados. Essa adaptabilidade é conseguida mediante a operação do equipamento sob controle de um programa de instruções preparado para o produto em questão.
III. Pode ser entendida como uma solução de compromisso entre os outros dois tipos de automação. Também é conhecida como sistema de Manufatura Integrada por Computador e, em geral, parece ser mais indicado para o volume médio de produção.
Nesse tipo de fabricação, diferentes produtos podem ser fabricados ao mesmo tempo no mesmo sistema, bastando programar o computador central para desviar as diferentes peças e materiais para as estações de trabalho adequadas. Portanto, a potência computacional do controlador é o que torna essa versatilidade possível.
As assertivas I, II e III tratam, respectivamente, de automação:
Provas
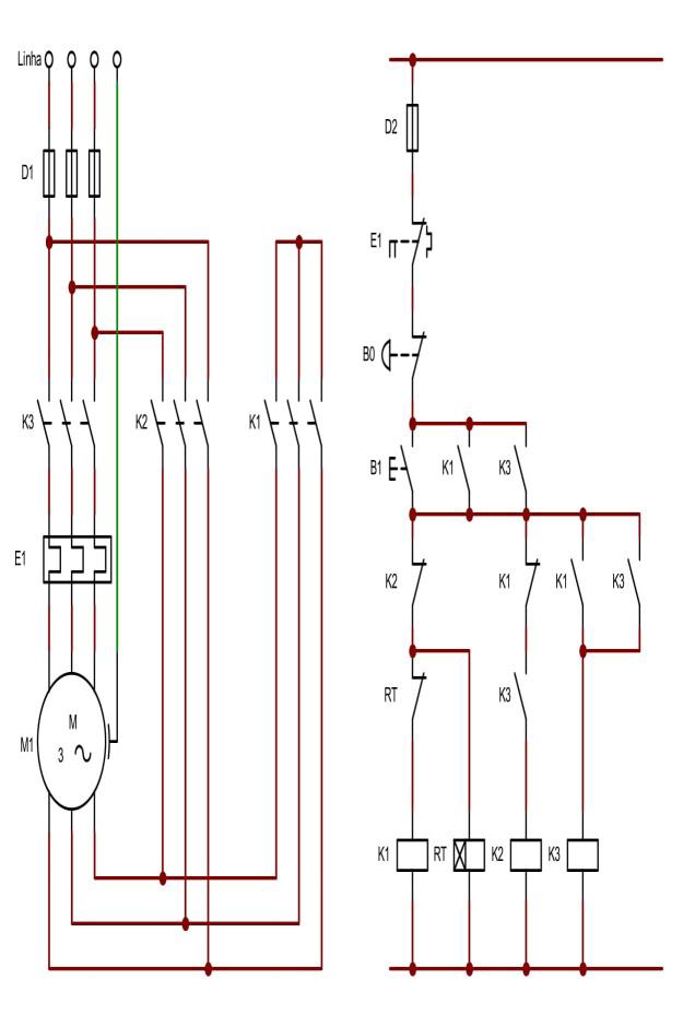
A figura a seguir apresenta o diagrama para partida de um motor. Pode-se afirmar que:

Provas
Analise as assertivas a seguir sobre tipos de manutenção:
I. Adota uma abordagem proativa e sistemática para evitar falhas e garantir o bom funcionamento dos sistemas elétricos. Consiste em um conjunto de atividades planejadas e realizadas de forma regular com o objetivo de identificar e corrigir problemas potenciais antes que eles causem interrupções na operação ou resultem em danos aos equipamentos. A finalidade principal desse tipo de manutenção elétrica é aumentar a confiabilidade e a vida útil dos componentes elétricos, garantindo a segurança dos usuários e a eficiência energética.
II. Com uma abordagem proativa e avançada de manutenção, utiliza tecnologias e técnicas específicas para monitorar continuamente o desempenho dos sistemas elétricos e identificar sinais precoces de falhas ou problemas iminentes. Ao contrário da manutenção descrita no item anterior, que é realizada em intervalos programados, esse tipo de manutenção é baseado em dados e informações em tempo real, permitindo que as intervenções sejam realizadas apenas quando necessário, otimizando recursos e minimizando interrupções não planejadas. Essa forma de manutenção envolve o uso de diversas técnicas de monitoramento e diagnóstico para avaliar o estado dos equipamentos elétricos, identificar desvios de funcionamento e prever possíveis falhas antes que elas ocorram.
III. Adota uma forma de intervenção que atua após a ocorrência de uma falha ou problema em um sistema elétrico. Diferente das manutenções anteriores, que têm caráter proativo e visam evitar falhas, essa forma de manutenção é reativa e tem o objetivo de corrigir defeitos e restaurar o funcionamento normal dos equipamentos elétricos após uma ocorrência não programada. Quando um componente elétrico ou sistema apresenta uma falha ou mau funcionamento, essa manutenção é acionada para solucionar o problema. Essa intervenção pode ser realizada em caráter emergencial, especialmente quando a falha afeta a continuidade das operações ou representa um risco à segurança.
As assertivas I, II e III tratam, respectivamente, de manutenções:
Provas
O paquímetro e o micrômetro são dois instrumentos que fornecem medidas precisas de dimensões lineares, como comprimentos, espessuras e diâmetros. Preencha corretamente as lacunas do texto a seguir a respeito de tais instrumentos e suas características: “O _______ é um instrumento de medida utilizado para medição de dimensões internas, externas, de profundidades e ressaltos de peças em geral. É formado basicamente por uma régua com escalas fixas em _______ e polegadas, sobre as quais corre um cursor, dotado de escalas auxiliares, chamadas de nônio ou vernier. A precisão de medição que se obtém com esse instrumento, às vezes, não é suficiente. Para medições mais rigorosas, utiliza-se o _______, que assegura uma exatidão de 0,01mm. Portanto, é um instrumento de dimensão variável que permite medir, por leitura direta, as dimensões reais com uma aproximação de até 0,001mm. O princípio utilizado é o do sistema parafuso e porca. Assim, se, numa porca fixa, um parafuso der um giro de uma volta, haverá um avanço de uma distância igual ao seu _______”.
A sequência que preenche CORRETAMENTE as lacunas do texto é:
Provas
Equipamento de Proteção Individual – EPI – são todos aqueles equipamentos, dispositivos ou produtos, de uso individual do trabalhador, com o intuito de protegê-lo contra os riscos capazes de ameaçar a sua segurança e a sua saúde. São EPI’s utilizados por profissionais que realizam atividades com eletricidade:
Provas
Na descrição de um multímetro True RMS, consta a seguinte informação: Grau de Proteção IP40.
A partir dessa informação, pode-se afirmar que:
Provas
Caderno Container