Foram encontradas 120 questões.

O circuito ilustrado na figura acima apresenta, além de um transistor bipolar de junção (TBJ), as fontes necessárias para a sua polarização. De acordo com o fabricante do transistor, o parâmetro !$ \beta !$ — ganho de corrente de emissor comum — pode assumir qualquer valor entre 100 e 170. Considerando que a diferença de potencial entre a tensão de base e a tensão de emissor do TBJ seja igual a 0,7 V quando o transistor está polarizado no modo ativo, julgue o item subsecutivo.
Para que o TBJ opere no modo ativo com Vpol fixado em 12 V, o valor de R deve ser superior a 9 k!$ \Omega !$.
Provas

Suponha que uma tensão senoidal vS, com 2 VRMS de amplitude e 30º de fase, seja aplicada à entrada de um amplificador de dois estágios, conforme esquematizado no circuito da figura acima, na qual não estão mostradas as fontes DC de alimentação dos amplificadores operacionais . Com base nesse esquema e assumindo que os resistores, a fonte de tensão e os amplificadores operacionais sejam ideais, julgue o item subsequente.
A tensão vo na saída do circuito amplificador deve apresentar* 50 VRMS de amplitude e 210º de fase.
Provas

Suponha que uma tensão senoidal vS, com 2 VRMS de amplitude e 30º de fase, seja aplicada à entrada de um amplificador de dois estágios, conforme esquematizado no circuito da figura acima, na qual não estão mostradas as fontes DC de alimentação dos amplificadores operacionais . Com base nesse esquema e assumindo que os resistores, a fonte de tensão e os amplificadores operacionais sejam ideais, julgue o item subsequente.
Modificando o circuito, mediante a remoção do estágio 1 e da conexão série dos resistores de 1 k!$ \Omega !$ e 2 k!$ \Omega !$, mostrados na figura, a magnitude do ganho de tensão do circuito modificado passa a ser !$ \dfrac{2}{3} !$ da magnitude do ganho de tensão do circuito original.
Provas

Suponha que uma tensão senoidal vS, com 2 VRMS de amplitude e 30º de fase, seja aplicada à entrada de um amplificador de dois estágios, conforme esquematizado no circuito da figura acima, na qual não estão mostradas as fontes DC de alimentação dos amplificadores operacionais . Com base nesse esquema e assumindo que os resistores, a fonte de tensão e os amplificadores operacionais sejam ideais, julgue o item subsequente.
A potência total suprida pelas fontes DC de alimentação dos amplificadores operacionais é inferior a 300 mW
Provas

Suponha que uma tensão senoidal vS, com 2 VRMS de amplitude e 30º de fase, seja aplicada à entrada de um amplificador de dois estágios, conforme esquematizado no circuito da figura acima, na qual não estão mostradas as fontes DC de alimentação dos amplificadores operacionais . Com base nesse esquema e assumindo que os resistores, a fonte de tensão e os amplificadores operacionais sejam ideais, julgue o item subsequente.
As amplitudes das correntes i1 e i2 são, respectivamente, 1 mARMS e 4 mARMS.
Provas
Com relação às funções lógicas utilizadas em circuitos digitais e à assistência técnica de equipamentos eletrônicos, julgue o item subsecutivo.
Em determinadas situações, equipamentos eletrônicos complexos, exibindo mau funcionamento ou completamente danificados, podem ser reparados com simplicidade. De forma geral, um procedimento simples, seguro e eficaz de manutenção corretiva é sempre substituir o suposto componente defeituoso do equipamento em manutenção por outro componente confiável do mesmo tipo.
Provas
Com relação às funções lógicas utilizadas em circuitos digitais e à assistência técnica de equipamentos eletrônicos, julgue o item subsecutivo.
A função lógica !$ Z=A\overline{B}C+ABC+\overline{A}BC !$, em que A, B e C são variáveis lógicas, ou seja, assumem valores 0 ou 1, !$ \overline{A} !$, !$ \overline{B} !$ e !$ \overline{C} !$ e são os seus complementos lógicos, pode ser implementada utilizando-se duas portas lógicas: uma OU e a outra E.
Provas
Com relação às funções lógicas utilizadas em circuitos digitais e à assistência técnica de equipamentos eletrônicos, julgue o item subsecutivo.
A inspeção regular do aterramento é procedimento recomendável para manutenção preventiva dos equipamentos eletrônicos de um laboratório. Além de choque elétrico ao usuário, alguns problemas relacionados com o mau aterramento podem ser assim identificados: travamento constante de computadores; interferências e ondulações nas imagens de monitores de vídeo; queima de circuitos integrados e placas eletrônicas supostamente novos e funcionais; e resposta super-rápida dos sistemas de proteção, como fusíveis e disjuntores.
Provas
Com relação às funções lógicas utilizadas em circuitos digitais e à assistência técnica de equipamentos eletrônicos, julgue o item subsecutivo.
Com base na tabela dos níveis de tensão em volts, mostrada abaixo, de um circuito lógico de duas entradas, é correto afirmar que o circuito desempenha a função de uma porta lógica NOU.
|
entradas (A, B) [V] |
saída [V] |
|
(0, 0) |
5 |
|
(0, 5) |
0 |
|
(5, 0) |
0 |
|
(5, 5) |
0 |
Provas

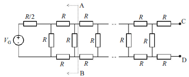
Considerando que uma rede ideal arbitrariamente extensa de células elementares seja alimentada por uma fonte de tensão Vo em série com uma resistência de valor R/2, conforme esquema acima, julgue os itens seguintes.
A resistência que deve ser conectada aos terminais do circuito (pontos C e D), para que a resistência total vista pela fonte de tensão seja independente do número de células elementares corresponde a !$ R(\sqrt{3}-1) !$
Provas
Caderno Container