Foram encontradas 60 questões.
Caso haja um acidente em laboratório de eletricidade, existem alguns procedimentos que devem ser executados. Sobre isso, analise as assertivas abaixo, assinalando V, se verdadeiras, ou F, se falsas.
( ) Desligue o aparelho da tomada ou a chave geral.
( ) Arraste a vítima para longe da fonte de eletricidade com um objeto não condutor de eletricidade.
( ) Se houver parada cardiorrespiratória, acione o serviço de emergência e aguarde junto à vítima.
( ) Se a vítima estiver consciente, deite-a de costas com as pernas abaixadas.
A ordem correta de preenchimento dos parênteses, de cima para baixo, é:
Provas
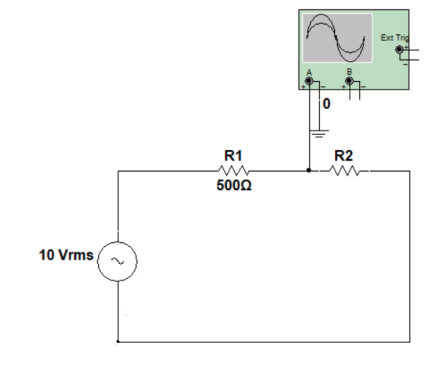
Com base na leitura do osciloscópio, determine o valor de R2 no circuito. Canal A está configurado para 5V/Div.

Provas
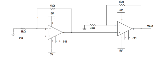
Para o circuito a seguir, determine o ganho de tensão em dB com duas casas decimais. Considere log2 = 0.301, log3 = 0.477 e log5 = 0.699

Provas
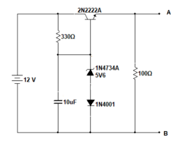
Para o circuito do regulador com transistor e zener, determine a tensão na saída da fonte regulada entre os terminais A e B. Considere o Vbe do transistor 0,7V e o hfe = 100, Vd = 0,6V, Vz = 5,6V.

Provas
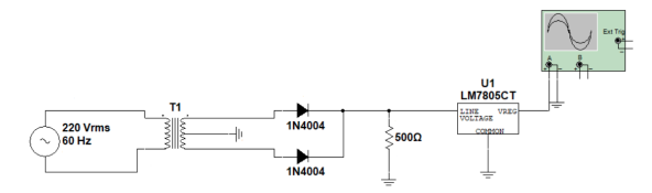
Para o circuito a seguir, determine o gráfico com a leitura do osciloscópio na saída de um regulador linear de 5V(LM7805) sabendo que a relação do transformador é de 10:1.

Provas
Analise o diagrama unifilar da planta baixa a seguir e identifique os circuitos que estão com erro.

Provas
Determine a tensão medida pelo voltímetro no Catodo de D5.

Provas
Sabendo que o osciloscópio está na escala de 1ms/Div, determine a frequência do sinal da fonte.

Provas
Para o circuito a seguir, determine a corrente fornecida pela fonte na forma polar. Considere !$ \pi !$ = 3,14 e a impedância arredondada sem casas decimais.

Provas
Para um sistema potência ativa de 1732W e potência reativa de -1000Var, o fator de potência será de:
Provas
Caderno Container