Foram encontradas 50 questões.
Uma barra de comprimento de 2,0 m é feita de aço estrutural tendo o diagrama tensão-deformação mostrado na seguinte figura. A tensão de escoamento do aço é de 250 Mpa, e a inclinação da parte linear da curva tensão-deformação (módulo de elasticidade) está abaixo de 200 GPa. A barra é carregada axialmente até alongar 6,5 mm e, em seguida, a carga é removida. Nesse caso, qual é o comprimento final da barra em comparação ao comprimento original?

Provas
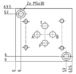
Em um bloco MANIFOLD hidráulico, tem-se a simbologia de processo gravada nele. A esse respeito, assinale a alternativa correta.

Provas
Um elevador de carga foi projetado para transportar uma carga máxima de 10000 N, sendo que o peso da cabine é de 1 kN e o contrapeso possui o mesmo peso da cabine. Assinale a alternativa correta sobre a potência do motor para que o elevador se desloque a uma velocidade constante de 1 m/s.
(Obs.: desconsidere o peso do cabo de aço).
Provas
Informe se é verdadeiro (V) ou falso (F) o que se afirma a seguir e assinale a alternativa com a sequência correta.
( ) A água de resfriamento é necessária para os seguintes equipamentos em plantas de absorção de amônia: condensador, absorvedor e separador.
( ) Em um sistema de refrigeração, o dispositivo de expansão é conectado entre compressor e evaporador.
( ) O refrigerador de compressão de vapor emprega o ciclo de Carnot reverso.
( ) A condição do gás refrigerante, após passar pelo condensador em um sistema de compressão de vapor, é líquido saturado.
Provas
Em um compressor de quatro estágios, se a pressão no primeiro e no terceiro estágio for 1 bar e 16 bar, qual será a pressão de entrega no quarto estágio?
Provas
Analisando a figura a seguir sobre vibrações livres com diversos tipos de amortecimento viscoso, assinale a alternativa que representa a sequência correta de associação.

Provas
Analise as assertivas e assinale a alternativa que aponta as corretas.
I. A condução e convecção são formas de propagação de calor que, para ocorrer, dependem de meio material.
II. A condução, convecção e irradiação são formas de propagação de calor que, para ocorrer, dependem de meio material.
III. O vácuo presente na garrafa térmica serve para impedir a propagação de calor por convecção.
IV. A condução térmica é um tipo de propagação de calor que atua na transferência de energia térmica entre as partículas que compõem o sistema
V. Em geladeiras, o sistema funciona pela diferença entre as densidades que ocorre entre os fluidos, sendo que esse tipo de propagação de calor ocorre devido à convecção.
Provas
Um motor de 6 cilindros de 4,2 L de cilindrada tem taxa de compressão de 9:1. Qual é o volume total desse cilindro em cm³?
Provas
Sobre sistemas motores a combustão, preencha as lacunas e assinale a alternativa correta.
Os motores do ciclo têm ignição por , e o combustível é misturado com o ar de da câmara de compreensão. Já os de ciclo têm ignição por , e o combustível é misturado com o ar de da câmara de compressão.
Provas
Analise as assertivas e assinale a alternativa que aponta as corretas.
I. A vibração livre é apresentada quando uma força periódica é aplicada ao sistema.
II. Nas vibrações não amortecidas, o atrito pode ser desprezado, sendo que o movimento continua indefinidamente até cessar.
III. Nas vibrações amortecidas, a amplitude do movimento decresce lentamente até que cessa.
IV. A ressonância mecânica ocorre quando um sistema recebe energia com frequência igual a uma de suas frequências naturais de vibração e aumenta sua amplitude.
V. Frequência natural é a frequência particular de um corpo em vibração livre, determinada pelo tamanho, pela forma e composição deste.
Provas
Caderno Container