Foram encontradas 50 questões.
De acordo com a NBR 14039, que trata das instalações elétricas em média tensão, as instalações devem ser projetadas e construídas para suportar com segurança os efeitos térmicos e mecânicos resultantes de correntes de curto-circuito. Assinale a alternativa na qual consta um tipo de curto-circuito que NÃO deve ser considerado nestes projetos.
Provas
Motores em corrente contínua podem ter a velocidade de rotação do eixo do rotor controlada pela tensão de terminal aplicada na armadura ou pela variação do fluxo na bobina de campo. Sobre esse aspecto de motores de corrente contínua, é CORRETO afirmar que:
Provas
Numa pequena indústria, existem 8 motores monofásicos, em que cada um consome 2000 VA com fator de potência 0,8. Um circuito de iluminação com 50 luminárias fluorescentes, sendo que cada luminária contem 4 lâmpadas de 40 W. Um segundo circuito de iluminação com 10 lâmpadas de vapor de mercúrio de 1000 W. Sabendo-se que os motores funcionam 10 horas por dia, as lâmpadas fluorescentes funcionam quatro horas por dia e as lâmpadas de vapor de mercúrio funcionam 2 horas por dia, qual será o consumo de energia ao final de 24 dias de operação?
Provas
Um transformador ideal está sendo utilizado no circuito da figura seguinte. Assinale a alternativa que corresponde à relação de espiras que fará com que a fonte entregue a máxima potência possível.

Provas
Sendo a corrente de projeto de um circuito terminal identificada por IB, a corrente nominal de um disjuntor termomagnético por IN, e a capacidade de condução de corrente do condutor utilizado pelo circuito terminal por IZ. Dada as seguintes proposições:
I - IZ deve ser sempre maior que IB.
II - IB deve ser sempre maior que IN.
III - IN deve ser menor do que IZ.
IV - IZ deve ser sempre menor que IB.
Analise as proposições anteriores e assinale a opção CORRETA, em conformidade com a NBR 5410.
Provas
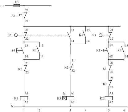
O esquema de comando apresentado na figura seguinte foi empregado para o acionamento de um motor de indução trifásico para o fechamento e abertura de um portão de uma garagem. As chaves fins de cursos são acionadas uma na abertura total e a outra no fechamento total do portão. Analise o diagrama e as proposições de I a IV seguintes:

I - A contatora K1 é responsável pelo acionamento do motor para a abertura do portão.
II - Uma vez iniciada a abertura do portão, essa ação poderá ser cancelada a qualquer momento.
III - Uma vez iniciado o fechamento do portão, essa ação poderá ser cancelada a qualquer momento.
IV - Após abertura total do portão, esse será fechado automaticamente após 5s.
Assinale a alternativa CORRETA.
Provas
Um galvanômetro G foi utilizado para construir um voltímetro; a resistência que foi utilizada tem o valor igual a R. Se este voltímetro for utilizado para medir a tensão no resistor RL indicado na figura seguinte, considerando-se que RI=RL=R, é CORRETO afirmar que o erro percentual de medição será igual a:

Provas
Sobre o método de dimensionamento de condutores através da queda de tensão, é CORRETO afirmar que:
Provas
Um técnico foi designado para realizar um ensaio em um transformador de 220/12V, 240W, 1∅. Para a realização do ensaio, ele utilizou um multímetro, colocou uma ponta de prova em cada um dos terminais de baixa tensão do transformador. É CORRETO afirmar que:
Provas
O valor da resistência equivalente entre os pontos a e do circuito abaixo é:

Provas
Caderno Container