Foram encontradas 70 questões.
Assinale abaixo o item que está em DESACORDO com a NR-10 (SEGURANÇA EM INSTALAÇÕES E SERVIÇOS EM ELETRICIDADE):
Provas
Nos projetos de instalações elétricas de baixa tensão em relação ao condutor neutro, observa-se que:
Provas
Para as instalações elétricas de baixa tensão, assinale a alternativa CORRETA:
Provas
De acordo com a teoria de motores elétricos e analisando os dados na placa de identificação do motor abaixo é CORRETO afirmar que:

Provas
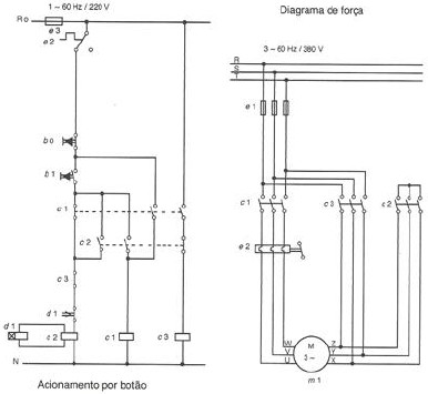
Abaixo são mostrados os diagramas de comando e força para partida de um motor de indução trifásico.

É CORRETO afirmar que:
Provas
Analise as afirmativas abaixo sobre os componentes utilizados em comandos elétricos e marque a opção FALSA:
Provas
Para um motor elétrico trifásico e com múltiplas relações nominais (220/380/440/660)V, analise as afirmativas abaixo e assinale a CORRETA:

Provas
Em um projeto luminotécnico, o Método dos Lúmens é baseado na determinação do fluxo luminoso para se obter um iluminamento médio do plano de trabalho. Neste método observa-se que:
Provas
Quanto ao tipo, acessórios e correto funcionamento de lâmpadas, assinale a afirmativa CORRETA:
Provas
Em relação às grandezas relacionadas ao estudo da luminotécnica é CORRETO afirmar que:
Provas
Caderno Container