Foram encontradas 60 questões.
Observe o esquema da figura a seguir.

Elaborado pelo(a) autor(a).
A partir do esquema, o sistema entrará em operação de que maneira?
Provas
Provas
Sistemas embarcados são sistemas eletrônicos microprocessados que, após serem programados, possuem uma função específica que geralmente não pode ser alterada.
A seguir um exemplo de programação C++ usado em um kit Arduino.
1 void main (void) {
2 int tecla;
3 kpInit();
4 lcdInit();
5 for(;;){
6 kpDebounce();
7 tecla = kpReadkey();
8 lcdPosition( 0 , 0 );
9 lcdNumber( tecla );
10 }
11 }
Elaborado pelo(a) autor(a).
Sobre o programa, ao ser executado, o que ele faz?
Provas
Provas
Provas
Provas
Provas
Elaborado pelo(a) autor(a).
Este diagrama representa uma
Provas
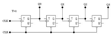
Observe o circuito da figura a seguir.

Elaborado pelo(a) autor(a).
Esse circuito é um
Provas
Observe a figura a seguir.

Elaborado pelo(a) autor(a).
O tipo de porta lógica para o qual o circuito representado na figura acima pode ser simplificado é
Provas
Caderno Container