Magna Concursos

Foram encontradas 60 questões.

3321381 Ano: 2024
Disciplina: Engenharia Eletrônica
Banca: Verbena
Orgão: IFS
Com a implantação da indústria 4.0 a partir de 2010, muitas tecnologias e métodos de acessos se tornaram obsoletas a partir do surgimento de novas técnicas, métodos, metodologias, tecnologias avançadas, etc. São exemplos de dispositivos IoT implantados pela indústria 4.0:
 

Provas

Questão presente nas seguintes provas
3321380 Ano: 2024
Disciplina: Atualidades e Conhecimentos Gerais
Banca: Verbena
Orgão: IFS
Com tantas mudanças, o profissional inserido na Indústria 4.0 precisa estar adaptado a essa nova realidade. São exemplos de profissões e/ou profissionais que a indústria 4.0 está exigindo no mercado de trabalho presente e futuro:
 

Provas

Questão presente nas seguintes provas
3321379 Ano: 2024
Disciplina: Atualidades e Conhecimentos Gerais
Banca: Verbena
Orgão: IFS
A Indústria 4.0, também chamada de Quarta Revolução Industrial, engloba um amplo sistema de tecnologias avançadas que estão mudando as formas de produção e os modelos de negócios no Brasil e no mundo, a partir de 2010. São exemplos de tecnologias usadas na indústria 4.0:
 

Provas

Questão presente nas seguintes provas
3321378 Ano: 2024
Disciplina: Engenharia Eletrônica
Banca: Verbena
Orgão: IFS
Circuitos de eletrônica de potência convertem um tipo ou um nível de uma forma de onda de tensão ou de corrente em outra e por isso são chamados de conversores. Os conversores que são classificados como inversores são do tipo:
 

Provas

Questão presente nas seguintes provas
3321377 Ano: 2024
Disciplina: Engenharia Eletrônica
Banca: Verbena
Orgão: IFS
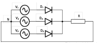
O circuito de um retificador trifásico alimentando uma carga resistiva é representado pela figura a seguir.


Enunciado 3747103-1


Elaborado pelo(a) autor(a).



Se a tensão da rede de cada fonte é de 220Vef e 60Hz, então o valor médio da tensão na carga resistiva (R) de 50 ohms é
 

Provas

Questão presente nas seguintes provas
3321376 Ano: 2024
Disciplina: Engenharia Eletrônica
Banca: Verbena
Orgão: IFS
A eletrônica de potência é uma ciência aplicada dedicada aos estudos dos conversores estáticos de energia elétrica. Os conversores realizam o tratamento eletrônico da energia elétrica. São exemplos de elementos ativos usados nos conversores estáticos:
 

Provas

Questão presente nas seguintes provas
3321375 Ano: 2024
Disciplina: Engenharia Eletrônica
Banca: Verbena
Orgão: IFS
As linhas de transmissão de RF metálicas usadas em sistemas de radiodifusão, apresentam perdas que atenuam o sinal transmitido por elas. A atenuação que gera uma onda estacionária na linha é
 

Provas

Questão presente nas seguintes provas
3321374 Ano: 2024
Disciplina: Engenharia Eletrônica
Banca: Verbena
Orgão: IFS
Um enlace de micro-ondas usado para conectar duas torres usa uma antena do tipo:
 

Provas

Questão presente nas seguintes provas
3321373 Ano: 2024
Disciplina: Engenharia Eletrônica
Banca: Verbena
Orgão: IFS
A onda eletromagnética ao se propagar no espaço livre pode sofrer atenuação nos obstáculos. O fenômeno da onda eletromagnética em contornar um obstáculo é
 

Provas

Questão presente nas seguintes provas
3321372 Ano: 2024
Disciplina: Engenharia Eletrônica
Banca: Verbena
Orgão: IFS
Em automação industrial o uso de dispositivos de comunicação, bem como as Interfaces Homem-Máquina (IHM) são fundamentais para melhoria na qualidade dos processos, otimização dos espaços, redução no tempo de produção e dos custos. As redes industriais surgiram com o advento da computação na indústria, pois até então, o monitoramento a grandes distâncias só podiam ser feitos com sistemas analógicos. São exemplos de protocolos de comunicações usados em uma planta industrial:
 

Provas

Questão presente nas seguintes provas