Foram encontradas 60 questões.
Emprega-se um compensador com o objetivo de implementar a ação derivativa de um controlador PID, em que o ganho derivativo seja 0,3 numa faixa de frequência estreita em torno de 100 rad/s.
A função de transferência do compensador que atende a estas especificações é
Provas
A figura representa a resposta ao degrau unitário de um sistema linear e invariante no tempo, estável, de segunda ordem e sem zeros finitos.

Assinale a opção que corresponde ao gráfico de Boda da resposta em frequência do sistema.
Provas
O sistema descrito pelas seguintes equações de estado
\( \begin{bmatrix} \dot{x}_1 \\ \dot{x}_2 \end{bmatrix}= \begin{bmatrix}1 & 0 \\0 & -1\end{bmatrix} \begin{bmatrix} x_1 \\ x_2 \end{bmatrix} +\begin{bmatrix}1 \\ 0 \end{bmatrix} \mu \)
\( y= \begin{bmatrix}0 & 1 \end{bmatrix} \begin{bmatrix}x_1 \\ x_2 \end{bmatrix} \)
é
Provas
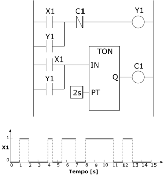
No programa LADDER da figura, X1, Y1 e C1 são variáveis booleanas na memória de um CLP e TON é um temporizador com atraso no acionamento, e com tempo de atraso indicado na figura e especificado em segundos. Sabe-se que todas as variáveis booleanas estão inicialmente em nível lógico 0, que a contagem do temporizador está inicialmente zerada, e que a variável X1 evolui de 0 a 15s conforme a figura.

Desprezando-se o tempo de varredura do CLP, o tempo, em segundos, em que Y1 permanece em nível lógico 1 no intervalo de 0 a 15s é
Provas
Considere a rede de Petri com a marcação inicial da figura.

A transição que possui a propriedade de ser não viva é a transição
Provas
O circuito da figura é um Schmitt Trigger em que o amplificador operacional é ideal, com tensões de saturação 0 e 15 Volts.

Considerando-se que de 0 a 12 segundos o sinal Vi apresenta a variação indicada na figura e que Vo = 15V em t = 0s, o tempo total, em segundos em que Vo permanece em 0V no intervalo de 0 a 12 segundos é
Provas
Um cilindro de simples ação com mola restauradora possui uma mola com força de 100 N e atrito igual a 10% da força da mola e é comprimido com uma pressão de trabalho de 1,0 kPa.
Considerando que a força efetiva de avanço do êmbolo é de 890 N, a área do êmbolo é
Provas
Correlacione os nomes de válvulas de circuitos hidráulicos e pneumáticos listados à esquerda aos símbolos de válvulas apresentados à direita.
| I | Válvula alternadora | ( ) |
|
| II | Válvula de simultaneidade | ( ) |
|
| III |
Válvula reguladora de vazão unidirecional |
( ) |
|
| IV |
Válvula reguladora de pressão |
( ) |
|
| V | Válvula limitadora de pressão | ( ) |
|
Assinale a opção que indica a correlação correta dos símbolos das válvulas às suas respectivas denominações.
Provas
A figura a seguir apresenta as vistas frontal e perspectiva na conformação inicial e a lateral já flexionada de uma viga com face trapezoidal regular.
O trapézio possui a base superior e altura iguais a 9dm e a inferior igual a 18 dm.

Sabendo-se que a viga suporta um esforço de compressão e tração máximas acima e abaixo da linha neutra (LN) respectivamente, na situação em que distâncias das bases inferior e superior com a LN forem no máximo iguais a 4 dm. Assinale a opção que indica a distância da linha neutra da base inferior e a sua resposta aos esforços, respectivamente.
Provas
Um motor de corrente contínua possui os seguintes parâmetros:
• Resistência da armadura: 10 Ω
• Momento de inércia do rotor: 2,5 x 10-5 kg/m2
• Constante de torque: 0,05 N.m/A • Constante de tensão da força contra eletromotriz: 0.05 V.s/rad
Desprezando-se a indutância da armadura e atritos viscosos no rotor, pode-se obter um modelo de primeira ordem para o motor, na forma da função de transferência:
\( {\large{Ω(s) \over V(s)}}={\large{A \over \tau s+1}} \)
em que Ω(s) e V(s) são as transformadas de Laplace da velocidade angular do rotor \( ω \)(t) e da tensão da armadura \( ν \)(t), respectivamente.
Os parâmetros do modelo A, em rad/s.V , e \( \tau \), em segundos, são, respectivamente,
Provas
Caderno Container