Foram encontradas 60 questões.
Assinale a alternativa que preencha corretamente a lacuna. Dentro da linguagem de programação e diagramas Ladder, a instrução tem o seguinte comportamento:
Energizar uma saída com retenção.
Provas
Questão presente nas seguintes provas
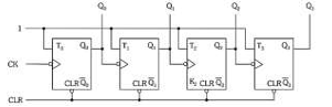
Analise a figura abaixo.

Assinale a alternativa que corresponda à montagem apresentada.
Provas
Questão presente nas seguintes provas
Com base na figura abaixo, assinale a alternativa que contemple a expressão lógica resultante após a aplicação do teorema de De Morgan.


Provas
Questão presente nas seguintes provas
Analise a montagem com os CIs da figura que segue. Aplicando a tabela com as variáveis apresentadas, as saídas 3 (CI 2), 11 (CI 2) e 6 (CI 2) terão uma composição binária.

Assinale a alternativa que apresenta as saídas corretas, na mesma ordem em que são apresentadas.
Observação: Considere os CIs alimentados corretamente e em pleno funcionamento.

Assinale a alternativa que apresenta as saídas corretas, na mesma ordem em que são apresentadas.
Observação: Considere os CIs alimentados corretamente e em pleno funcionamento.
Provas
Questão presente nas seguintes provas
Um programador está recebendo um relatório de erro, onde uma determinada posição de memória está com erro. Na mensagem o sistema apresenta o endereço (BCF32)16. Se o programador necessitar entender o endereço em octal, por razões de projeto, ele terá que convertê-lo.
Assinale a alternativa que corresponda o endereço dado no formato octal.
Provas
Questão presente nas seguintes provas
Um determinado processo em máquina binária está somando os números binários (10100100)2 com (00111001)2. No final da operação aritmética, o processo deve apresentar o complemento de 2 da soma, porém, na base hexadecimal. Assinale a alternativa que apresenta corretamente o que será exibido.
Provas
Questão presente nas seguintes provas
A tecnologia de amplificadores PWM é a muito empregada nos sistemas de servoacionamentos. Esses amplificadores PWM geralmente trabalham com transistores do tipo FET, chaveando a tensão da fonte de alimentação a uma frequência de algumas dezenas de kHz. Independentemente do tipo de motor DC ou da tecnologia eletrônica empregada no driver, há vários métodos de realimentação empregados para o acionamento que são:
( ) Realimentação por corrente.
( ) Realimentação por tacogerador.
( ) Realimentação por encoder.
( ) Realimentação I x R.
Analise as afirmativas acima dê valores Verdadeiro (V) ou Falso (F) e assinale a alternativa que apresenta a sequência correta de cima para baixo.
( ) Realimentação por corrente.
( ) Realimentação por tacogerador.
( ) Realimentação por encoder.
( ) Realimentação I x R.
Analise as afirmativas acima dê valores Verdadeiro (V) ou Falso (F) e assinale a alternativa que apresenta a sequência correta de cima para baixo.
Provas
Questão presente nas seguintes provas
O mundo hoje tem muitos sistemas controlados por computadores e outros dispositivos digitais. Está comum encontrarmos sistemas que se utilizam de encoders como elementos de realimentação de posição angular. Dentre destes dispositivos, temos alguns tipos. O tipo que consiste em um disco de material translúcido, marcado com listras alternadamente transparentes e opacas, alinhadas radialmente e com um fototransmissor, que é a fonte de luz, e que fica localizado de um lado do disco, enquanto um fotorreceptor fica do outro do disco, atuando quando o disco gira. Quando o disco gira o feixe de luz é alternadamente transmitido e interrompido. Assim, a saída do fotorreceptor é um trem de pulso, cuja frequência é proporcional à velocidade de rotação do disco. Esse enconder é conhecido por .
Assinale a alternativa corretamente a lacuna.
Assinale a alternativa corretamente a lacuna.
Provas
Questão presente nas seguintes provas
Existem várias tratativas construtivas na construção de um robô. Por exemplo para que se possa transmitir a força ou o torque do motor para as juntas de um manipulador, é possível fazer o acionamento direto, ou com a utilização de algum sistema de transmissão de movimento, como polias e correias, por exemplo. Analise as afirmativas abaixo e dê valores Verdadeiro (V) ou Falso (F) e tendo como objetivo, as vantagens de se utilizar sistemas de transmissão.
( ) Redução no torque do motor.
( ) Minimização de linearidades.
( ) Redução da inércia no motor.
Assinale a alternativa que apresenta a sequência correta de cima para baixo.
( ) Redução no torque do motor.
( ) Minimização de linearidades.
( ) Redução da inércia no motor.
Assinale a alternativa que apresenta a sequência correta de cima para baixo.
Provas
Questão presente nas seguintes provas
Dado o sistema da figura a seguir, calcule os módulos dos componentes resultantes horizontal e vertical das forças aplicadas e assinale a alternativa correta.


Provas
Questão presente nas seguintes provas
Cadernos
Caderno Container