Foram encontradas 80 questões.

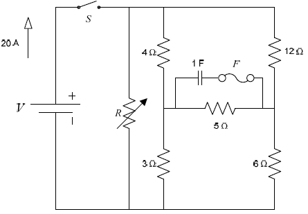
No circuito apresentado na figura acima, a chave S é fechada e a corrente fornecida pela bateria é 20 A. Para que o fusível F, de 1,5 A, não abra durante o funcionamento do circuito, o valor da resistência variável R, em ohms, é:
Consideração:
O capacitor está descarregado antes do fechamento da chave S.
Provas
Em um experimento existem três recipientes E1, E2 e E3. Um termômetro graduado numa escala X assinala 10 ºX quando imerso no recipiente E1, contendo uma massa M1 de água a 41 ºF. O termômetro, quando imerso no recipiente E2 contendo uma massa M2 de água a 293 K, assinala 19 ºX. No recipiente E3 existe inicialmente uma massa de água M3 a 10 ºC. As massas de água M1 e M2, dos recipientes E1 e E2, são transferidas para o recipiente E3 e, no equilíbrio, a temperatura assinalada pelo termômetro é de 13 ºX. Considerando que existe somente troca de calor entre as massas de água, a razão !$ { \large M_1 \over M_2} !$ é:
Provas

Um cabo subterrâneo inicialmente isolado, instalado entre os pontos A e B, possui resistência de 0,01 /m. Este cabo se rompeu e seu ponto de ruptura apresenta fuga de corrente para a terra. Para determinar o ponto de rompimento do cabo e escavar o terreno de modo a sanar o problema, foi montado o aparato apresentado na figura acima, composto por uma bateria Vb ajustada para fornecer uma corrente constante de 10 A ao circuito formado pela resistência R e pelo cabo. O valor da tensão da bateria é mostrado por um voltímetro que apresenta um erro de medição de +/- 10 %. Sabendo que a leitura do voltímetro é 16,67 V, é CORRETO afirmar que:
Provas
Um automóvel percorre uma estrada reta de um ponto A para um ponto B. Um radar detecta que o automóvel passou pelo ponto A a 72 km/h. Se esta velocidade fosse mantida constante, o automóvel chegaria ao ponto B em 10 min. Entretanto, devido a uma eventualidade ocorrida na metade do caminho entre A e B, o motorista foi obrigado a reduzir uniformemente a velocidade até 36 km/h, levando para isso, 20 s. Restando 1 min para alcançar o tempo total inicialmente previsto para o percurso, o veículo é acelerado uniformemente até 108 km/h, levando para isso, 22 s, permanecendo nesta velocidade até chegar ao ponto B. O tempo de atraso, em segundos, em relação à previsão inicial, é:
Provas

Um objeto puntiforme de massa m é lançado do ponto A descrevendo inicialmente uma trajetória circular de raio R, como mostrado na figura acima. Ao passar pelo ponto P o módulo da força resultante sobre o objeto é !$ \sqrt{17}mg !$, sendo g a aceleração da gravidade. A altura máxima !$ h_{max} !$ que o objeto atinge na rampa é:
Provas
Um feixe de luz de intensidade I incide perpendicularmente em uma lâmina de vidro de espessura constante. A intensidade da onda transmitida do ar para o vidro e vice-versa é reduzida por um fator q (0<q<1). Ao chegar a cada interface de separação entre o ar e o vidro, a onda se divide em refletida e transmitida. A intensidade total da luz que atravessa o vidro, após sucessivas reflexões internas no vidro, é dada por:
Provas

Uma onda plana de frequência f propaga-se com velocidade v horizontalmente para a direita. Um observador em A desloca-se com velocidade constante u (u < v) no sentido indicado na figura acima. Sabendo que a é o ângulo entre a direção de propagação da onda e de deslocamento do observador, a frequência medida por ele é:
Provas
Em certos problemas relacionados ao escoamento de fluidos no interior de dutos, encontram-se expressões do tipo:
!$ \gamma = { \large Kal^3 \over v^2} !$
A grandeza possui a mesma dimensão da razão entre potência e temperatura. O termo k é a condutividade térmica, conforme descrito pela Lei de Fourier. As dimensões dos parâmetros a e l são, respectivamente, as mesmas de aceleração e comprimento. A dimensão de v para que a equação acima seja dimensionalmente correta é igual a:
Provas

A figura acima apresenta uma partícula com velocidade v, carga q e massa m penetrando perpendicularmente em um ambiente submetido a um campo magnético B. Um anteparo está a uma distância d do centro do arco de raio r correspondente à trajetória da partícula. O tempo, em segundos, necessário para que a partícula venha a se chocar com o anteparo é:
Dados:
• v = 10 m/s
• B = 0,5 T
• q = 10 μC
• m = 10 x 10-20 kg
• !$ d = { \large\sqrt{2} \over 2} r !$
Provas
Quando uma corda de violão é tocada, o comprimento de onda da onda sonora produzida pela corda
Provas
Caderno Container