Foram encontradas 60 questões.


O verbo que admite a mesma transposição que aparece grifada acima está também grifado na frase:
Provas


Provas
texto apresentado abaixo.
Há um preconceito enraizado contra a livre expressão
das emoções na cultura ocidental. Quem demonstra angústia,
raiva, alegria excessiva ou medo, tanto no trabalho quanto na
vida pessoal, é considerado passional, irracional, frágil e
despreparado para enfrentar a realidade da vida. É aquele que
não aprendeu a dominar seus sentimentos e a desenvolver
aquilo que nos diferencia dos animais: a racionalidade. Hoje,
fala-se muito em inteligência emocional, mas nem todos
entendem seu real significado. Não se trata de adestrar o
comportamento e suprimir os impulsos para atingir objetivos,
mas identificar e aceitar a manifestação das emoções mais
primárias, inclusive as desconfortáveis.
A apologia à racionalidade ignora o poder dos sentimen-
tos. Pesquisas recentes, no entanto, comprovam a importância
do reconhecimento e da expressão das emoções – até as
negativas. Um estudo realizado nos Estados Unidos defende
que as emoções podem ser mais confiáveis do que a razão nos
momentos de decisão. São elas que levam o indivíduo à ação,
permitem sonhar, possibilitam o afeto, a generosidade e
conduzem o mundo às grandes mudanças ideológicas.
Há uma certa unanimidade sobre os benefícios da
expressão de emoções positivas, como felicidade, amor,
alegria, prazer, entusiasmo. Mas, quando se fala em raiva, ódio,
angústia, mágoa, ressentimento, há um consenso explícito de
que essas emoções devem ser escondidas, evitadas. As pes-
quisas estão derrubando essa crença e os psicólogos afirmam
que as emoções negativas têm o seu valor. O local de trabalho
costuma ser visto como o ambiente menos propício para
manifestar sentimentos. "A estratégia das organizações de fixar
metas e objetivos para os funcionários criou uma disciplina de
comportamento que condena a expressão das emoções
individuais", avalia Antônio Valverde, professor de filosofia da
PUC-SP. "Por isso, há tanta monotonia, pouca solidariedade e
escassa criatividade nas empresas."
(Adaptado de Isto é, 25 de março de 2009, p.65-67)

Considerando-se o quadro e o texto, a afirmativa INCORRETA é:
Provas


Provas


Os dois-pontos assinalam, considerando-se o contexto,
Provas
Considere um transformador com as seguintes especificações: 110 V × 9 V/1 A. Ligando-se o primário a uma rede elétrica de 127 V, a tensão medida no secundário utilizando-se um voltímetro na escala AC, é
Provas
A resistência elétrica dos materiais está relacionada com suas dimensões (comprimento e área da seção transversal) e com sua característica. Esta característica é a resistividade elétrica, representada pela letra grega ρ, cuja unidade de medida pelo Sistema Internacional é
Provas
Considere o desenho da peça apresentado abaixo.

A vista lateral esquerda é
Provas
Considere as afirmações abaixo sobre o Mapa de Riscos.
I. É uma representação gráfica dos riscos de acidentes nos diversos locais de trabalho.
II. Círculos de cores e tamanhos diferentes mostram os locais e os fatores que podem gerar situações de perigo.
III. Indicam somente locais e fatores que podem gerar acidentes graves ou gravíssimos.
IV. Tem como objetivos estabelecer o diagnóstico da situação de segurança e saúde no trabalho na empresa, bem como possibilitar, durante a sua elaboração, a troca e divulgação de informações entre os trabalhadores.
Está correto o que se afirma APENAS em
Provas
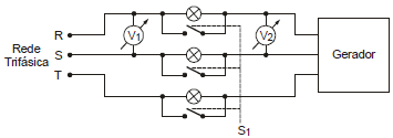
Considere a situação-problema abaixo para responder a questão.
Um técnico foi chamado para acompanhar o processo de sincronização de um gerador AC trifásico na rede elétrica. O diagrama ilustra a montagem do circuito.

Considere que tanto a rede trifásica quanto o gerador estão energizados e S1 está aberta. As medidas dos voltímetros são V1 = 219 V e V2 = 216 V. Neste caso, pode-se afirmar que
Provas
Caderno Container