Foram encontradas 60 questões.
Considere a situação-problema abaixo para responder a questão.
Um técnico foi chamado para acompanhar o processo de sincronização de um gerador AC trifásico na rede elétrica. O diagrama ilustra a montagem do circuito.

Considere as afirmações abaixo a respeito das lâmpadas de sinalização.
I. Se as lâmpadas piscam em sequência, mas não todas juntas, significa que a rede e o gerador não têm a mesma sequência de fase.
II. Se todas as lâmpadas estão acesas na sua potência máxima, significa que a rede e o gerador estão sincronizados e podem ser ligados em paralelo com a rede.
III. Se todas as lâmpadas estão apagadas, a defasagem entre as fases do gerador e da rede está próxima de 180º.
Está correto o que se afirma em
Provas
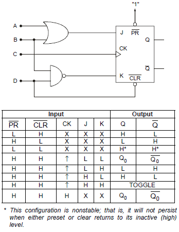
Considere o circuito e a tabela-verdade do Flip-Flop JK.

A carta de tempos do circuito é
Provas
Um microprocessador é formado pelos blocos básicos:
Provas
O circuito apresentado abaixo é ligado à entrada de RESET de um microcontrolador.

Sua função é
Provas
Em telefonia, para geração do sinal PCM têm-se 3 etapas, quais sejam:
Provas
Considere as afirmações abaixo com referência ao Patch Panel.
I. É um intermediário entre as tomadas de parede e os switches da rede.
II. É um equipamento que possui circuitos integrados de alta velocidade para atender às necessidades da rede.
III. São normalmente instalados em racks, junto com os switches e outros equipamentos.
IV. São ligados aos switches usando cabos de rede curtos, chamados de "patch cords".
Está correto o que se afirma APENAS em
Provas
Considere as afirmações abaixo com referência a cabeamento estruturado.
I. A ideia do cabeamento estruturado é disponibilizar pontos de rede em locais onde eles são necessários ou possam vir a ser necessários.
II. Todos os cabos vão para uma área central chamada de sala de equipamento onde ficam os servidores, switches e roteadores principais.
III. A sala de equipamento deve ser de acesso restrito para que os equipamentos fiquem fisicamente protegidos.
IV. O cabeamento estruturado prevê também o uso de cabos de telefone e de outros tipos de cabos de telecomunicação, não se limitando aos cabos de rede.
Está correto o que se afirma em
Provas
Um microcontrolador é formado pelos blocos básicos:
Provas
Relacione corretamente as colunas frequência, faixa e aplicação relativas à radiocomunicação.
| Frequência |
Faixa | Aplicação |
| I. 30MHz a 300MHz |
a. SHF | x. satélite |
| II. 300MHz a 3 GHz |
b. VHF | y. radiovisibilidade |
| III. 3 GHz a 30 GHz |
c. UHF | z. TV aberta |
Provas
São tipos de modulação digital apenas
Provas
Caderno Container