Foram encontradas 1.410 questões.
No software AutoCAD, os comandos são distribuídos e classificados de acordo com sua função.
São comandos de visualização, formatação, desenho e modificação, respectivamente,
Provas
Um desenhista projetista recebeu de seu cliente a informação de que o terreno em que pretende construir é retangular e mede 50 × 100 metros. Antes de realizar os estudos para mostrar ao cliente, o desenhista projetista consultou o Departamento de Obras da Prefeitura Municipal e foi informado de que para este terreno são permitidos:
I. Taxa de Ocupação de 60%.
II. Coeficiente de Aproveitamento igual a 2.
III. Gabarito de altura máxima sem limite.
Respeitando os parâmetros fornecidos pela Prefeitura, a construção que terá a maior área construída é a de
Provas
|
Ponto |
X (m) |
Y (m) |
| 0 | 0,0 | 0,0 |
| 1 | 15,0 | -15,0 |
| 2 | 60,0 | -15,0 |
| 3 | 60,0 | 15,0 |
| 4 | 15,0 | 15,0 |
Considerando que a reta entre os pontos 0 e 1 é chamada de “r” e a reta entre os pontos 1 e 2 é chamada de “s”, e as coordenadas da tabela fornecida, o ângulo interno formado entre essas retas mede
Provas
|
Ponto |
X (m) |
Y (m) |
| 0 | 0,0 | 0,0 |
| 1 | 15,0 | -15,0 |
| 2 | 60,0 | -15,0 |
| 3 | 60,0 | 15,0 |
| 4 | 15,0 | 15,0 |
Considerando as coordenadas da tabela acima como sendo os vértices da poligonal de um terreno, a área correspondente é
Provas
Na geometria euclidiana, dois ângulos complementares são aqueles cujas medidas somadas resultam em \( \pi \)/2 radianos. Sendo assim, o ângulo complementar de 39° 24’ 36”, em graus e frações decimais de graus, é
Provas
Considere a figura.
I
![]()
II
![]()
III
![]()
IV
![]()
V
![]()
Segundo a norma NBR 13133/1994, que fixa as condições exigíveis para a execução de Levantamento Topográfico, em seu Anexo B − Convenções Topográficas, tendo em vista o desenho topográfico final, os símbolos representados por I, II, III, IV e V referem-se, respectivamente, a cerca
Provas
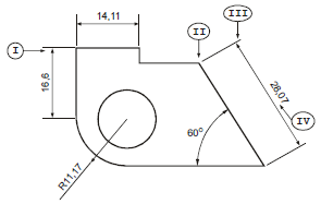
Considere a figura:

No software AutoCAD, antes de cotar um desenho, faz-se necessário ajustar a configuração das cotas no que se refere a limites de cotas e medidas das linhas, entre outras. De acordo com a caixa de diálogo aberta com o comando Dimension Style, em software tipo CAD, os itens I, II, III e IV são chamados, respectivamente, de
Provas
Considere:
Esse tipo de arquivo é um protótipo que guarda as configurações de layers, textos, cotas e até mesmo desenhos que são frequentemente utilizados. Trata-se de um formato similar ao dwg, a diferença é que serve para que inicie um projeto com base em si, sem que o arquivo original seja alterado. Tem como vantagem poder utilizar configurações padronizadas sem a necessidade de criá-las sempre que iniciar um novo desenho.
Em software AutoCAD, a descrição refere-se a arquivo
Provas
Em um estudo topográfico, erros aleatórios são aqueles que não seguem qualquer tipo de lei. A figura a seguir representa o resultado de uma amostragem dos erros.

A distribuição dos erros observados, considerando-se a repetibilidade das medidas e o grau de aderência das observações, ilustra o resultado
Provas
A iluminação caracterizada por postes com alturas entre 1 e 3 metros, destinada a iluminar passeios e pistas de caminhada ou de ciclismo, é chamada de
Provas
Caderno Container