Magna Concursos

Foram encontradas 1.410 questões.

73589 Ano: 2011
Disciplina: Engenharia Mecânica
Banca: FCC
Orgão: INFRAERO
Provas:

O mecanismo esquematizado abaixo é acionado pelo pedal HJ.

Enunciado 3456780-1

Pode ser considerado um mecanismo de quatro barras, o quadrilátero formado pelos vértices

 

Provas

Questão presente nas seguintes provas
73588 Ano: 2011
Disciplina: Engenharia Mecânica
Banca: FCC
Orgão: INFRAERO
Provas:

O mecanismo esquematizado abaixo é acionado pelo pedal HJ.

Enunciado 3456779-1

O número de graus de liberdade desse mecanismo é

 

Provas

Questão presente nas seguintes provas
73587 Ano: 2011
Disciplina: Engenharia Mecânica
Banca: FCC
Orgão: INFRAERO
Provas:

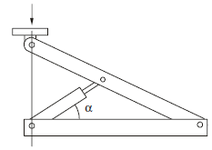
Um equipamento como os de elevação de veículos, esquematizado abaixo, admite uma carga máxima de 4 kN.

Enunciado 3456778-1

A posição da figura mostra o mínimo ângulo \( \alpha \) que equivale a 30°. Como o diâmetro do êmbolo do atuador hidráulico é de 40 mm, a pressão do óleo, em MPa, não pode ser regulada abaixo de

 

Provas

Questão presente nas seguintes provas
73586 Ano: 2011
Disciplina: Engenharia Mecânica
Banca: FCC
Orgão: INFRAERO
Provas:

Um circuito pneumático composto por dois atuadores lineares idênticos de dupla ação, tem seu diagrama trajeto − passo representado abaixo.

S1 representa o atuador recuado e S2 o avançado.

Enunciado 3456777-1

Nesse circuito, há

 

Provas

Questão presente nas seguintes provas
73585 Ano: 2011
Disciplina: Engenharia Mecânica
Banca: FCC
Orgão: INFRAERO
Provas:

Um circuito pneumático composto por dois atuadores lineares idênticos de dupla ação, tem seu diagrama trajeto − passo representado abaixo.

S1 representa o atuador recuado e S2 o avançado.

Enunciado 3456776-1

Como nesse circuito foi utilizada uma única válvula reguladora de fluxo unidirecional, ela está instalada para regular a velocidade de

 

Provas

Questão presente nas seguintes provas
73584 Ano: 2011
Disciplina: Engenharia Mecânica
Banca: FCC
Orgão: INFRAERO
Provas:

Um pinhão de dentes retos com diâmetro primitivo de 50 mm, montado no eixo de saída de um par coroa/semfim, deverá apresentar velocidade periférica (tangencial) de 0,1 m/s. Sendo o sem-fim de duas entradas e alimentado por um motor de 1 700 rpm, o número de dentes necessário à coroa deverá ser

 

Provas

Questão presente nas seguintes provas
73583 Ano: 2011
Disciplina: Engenharia Mecânica
Banca: FCC
Orgão: INFRAERO
Provas:

Considere indeformável a barra AB da figura, apoiada na parte central e com cargas iguais nas duas extremidades.

Enunciado 3456774-1

O diagrama de momentos fletores desse carregamento, sem escala e sem orientação de eixos, pode ser representado por

 

Provas

Questão presente nas seguintes provas
73582 Ano: 2011
Disciplina: Engenharia Mecânica
Banca: FCC
Orgão: INFRAERO
Provas:

Observe a estrutura isostática representada abaixo.

Enunciado 3456773-1

Para que ocorra uma reação vertical de 1,5 tf no apoio fixo, o comprimento x, indicado na barra, deverá assumir o valor de

 

Provas

Questão presente nas seguintes provas
73581 Ano: 2011
Disciplina: Engenharia Mecânica
Banca: FCC
Orgão: INFRAERO
Provas:

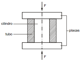
Um cilindro de diâmetro d e um tubo de diâmetro externo 2d, são submetidos a uma carga de compressão axial por meio de duas placas indeformáveis, conforme mostrado na figura abaixo.

Enunciado 3456772-1

A relação entre os módulos de elasticidade do cilindro e do tubo é 3. Portanto, a relação entre as tensões normais do cilindro e do tubo é

 

Provas

Questão presente nas seguintes provas
73580 Ano: 2011
Disciplina: Engenharia Mecânica
Banca: FCC
Orgão: INFRAERO
Provas:

Barras de igual comprimento, constituem a estrutura treliçada plana, submetida a um carregamento P, conforme figura abaixo.

Enunciado 3456771-1

Na barra 2, atuará uma força de

 

Provas

Questão presente nas seguintes provas