Foram encontradas 710 questões.
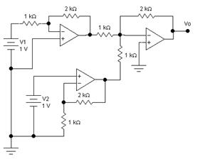
No circuito abaixo os amplificadores operacionais são ideais, sempre operam em regiões lineares e são alimentados por fontes simétricas (não mostradas no circuito).

A tensão de saída Vo será de:
Provas
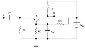
No circuito amplificador abaixo o transistor é de silício e apresenta os parâmetros híbridos h fe = 100, h ie = 1000 Ω, h re = 0 e h oe = 0 Mhos. O amplificador opera em região linear e os capacitores apresentam reatâncias desprezíveis na freqüência de operação.

Se R1 = 1000 gfhgfg, R2 = 10 kΩ, R3 = 22 kΩ, R4 = 1 kΩ e Vcc = 15 Volts, o valor mais próximo para a impedância de entrada para pequenos sinais do circuito será de:
Provas
O circuito deste item é uma fonte estabilizada por elemento dissipativo em série. Os diodos e os transistores são de silício e IC é um amplificador diferencial ideal, alimentado por uma fonte maior que 12 Volts (não mostrada no circuito). A Fonte não Regulada é de 52 Volts
10%, o diodo Zener é de 12 Volts, e o resistor R1 = 10 k
. 
Se desejarmos que a saída Vo seja igual a 36 Volts, o resistor R1 deverá ter uma resistência de
Provas
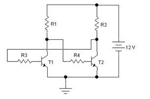
Os transistores do circuito abaixo são de silício, apresentam os parâmetros h FE =100, mas apresentam tempos de comutação diferentes.

Se R1 = R2 = 1 k
e R3 = R4 = 10 k
, podemos concluir em relação aos transistores T1 e T2, após ser ligada a fonte de 12 V, que:
Provas
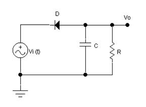
No circuito abaixo a tensão Vi (t) é a rede elétrica de 120 Volts/60 Hz. A queda de tensão no diodo é desprezível, podendo o diodo ser considerado ideal. A resistência R = 1 k
e o capacitor C = 1000
F. A tensão mais aproximada que poderemos ter entre o ponto Vo e o ponto de aterramento é de:

Provas
A figura reproduzida abaixo surgiu na tela de um osciloscópio como resultado de uma medida em um ponto P de um circuito. O osciloscópio apresentava as seguintes calibrações:
Escala Vertical = 2 Volts/divisão
Escala Horizontal = 1 ms/divisão

Pela imagem podemos concluir que o sinal é uma onda quadrada de aproximadamente:
Provas
No circuito deste item V1 = 12 Volts e V2 = 6 Volts, as resistências R1= R2 = R3 = 2 M
. Um voltímetro analógico, que apresenta uma resistência interna de 1 M
é usado para medir a tensão entre os pontos "X" e o ponto de aterramento do circuito. A tensão entre o ponto "X" e o ponto de aterramento será de

Provas
No circuito abaixo Vi é um sinal senoidal da forma Vi = 10 sen106 t. Os resistores "R" apresentam resistências de 10 k Ohms, o indutor L, ideal, apresenta uma indutância de 100
(cem micro Henry) e o capacitor uma capacitância de 10 nF (dez nano Farad).

Nessa situação, a tensão de pico do sinal de saída Vo (t) em relação ao ponto de aterramento, é de:
Provas
Três baterias B1, B2 e B3 apresentaram as seguintes características:

Se as três baterias forem colocadas em paralelo com os pólos positivos coincidentes, a tensão entre seus bornes comuns será de
Provas
Um trabalhador expõe-se a ruído diariamente, durante sua jornada de trabalho, segundo a situação descrita no quadro abaixo:

Em relação à segurança desse trabalhador quanto à exposição ao ruído, assinale a alternativa INCORRETA:
Provas
Caderno Container