Foram encontradas 710 questões.
Disciplina: Engenharia de Telecomunicações
Banca: NCE-UFRJ
Orgão: INFRAERO
- Processamento de sinaisModulação/Demodulação digital e modulação por espalhamento
- Processamento de sinaisModulação de pulsos e Modulação em frequência e em ângulo
- Em modulação angular digital é importante que saibamos o limiar de interferência do ruído branco na portadora, a partir do qual não mais poderemos diferençar um símbolo do outro, e assim haverá interferência inter-símbolos. Chamamos de ρ = Er/Eo, a relação entre a amplitude da senóide interferente "Er", e a amplitude da portadora "Eo". Para a modulação QPSK o ponto de limiar do deslocamento de fase ocorrerá quando "ρ" for igual a:
Provas
Disciplina: Engenharia de Telecomunicações
Banca: NCE-UFRJ
Orgão: INFRAERO
Na entrada de um amplificador de microondas, que apresenta uma Figura de Ruído igual a 10, é injetado um sinal com uma potência de 100
e um ruído de 1
. A relação Sinal/Ruído na saída do amplificador será de :
Provas
Disciplina: Engenharia de Telecomunicações
Banca: NCE-UFRJ
Orgão: INFRAERO
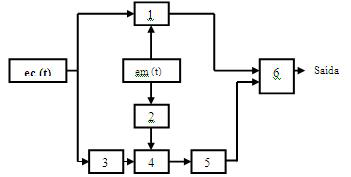
O diagrama em blocos abaixo é de um modulador angular muito conhecido pelo nome de Modulador de Armstrong, professor da Universidade de Colúmbia (EUA), que foi o inventor da FM. O sinal "ec (t)" é o da portadora, o sinal "em (t)" é o da moduladora e a saída é em "s".

Os blocos correspondem aos seguintes circuitos:
Provas
Disciplina: Engenharia de Telecomunicações
Banca: NCE-UFRJ
Orgão: INFRAERO
- Processamento de sinaisTransmissores e receptores
- Antenas e propagaçãoRadioenlaces: HF, VHF, UHF e SHF
A banda de freqüências necessária à transmissão de um sinal modulado em freqüência, teoricamente, é infinita. Entretanto são feitas aproximações baseadas nas pequenas potências das faixas laterais a partir de uma certa ordem. Se estas faixas são eliminadas, na prática não haverá prejuízos. Considerando que uma rádio FM estéreo usa um desvio máximo da portadora de 75 kHz, uma sub-portadora estéreo de 38 kHz, e uma freqüência máxima da moduladora de 15 kHz, a banda necessária para a transmissão será de:
Provas
Disciplina: Engenharia de Telecomunicações
Banca: NCE-UFRJ
Orgão: INFRAERO
O diagrama em blocos abaixo corresponde a um método de geração de um sinal SSB (Single Side Band), em que ec (t) é o sinal da portadora e em (t) é o sinal da moduladora.

A correspondência correta é:
Provas
Disciplina: Engenharia de Telecomunicações
Banca: NCE-UFRJ
Orgão: INFRAERO
Uma antena com refletor parabólico tem 1 (um) metro de raio (frontal sem se considerar a curvatura, conforme mostra a figura) e transmite um sinal em uma freqüência de 1,5 GHz.

Para facilidade de cálculo consideraremos
= 10 e, assim, essa antena terá um ganho máximo de:
Provas
Disciplina: Engenharia de Telecomunicações
Banca: NCE-UFRJ
Orgão: INFRAERO
O dispositivo amplificador de alta potência usado em microondas é:
Provas
Disciplina: Engenharia de Telecomunicações
Banca: NCE-UFRJ
Orgão: INFRAERO
Um guia de onda fechado em uma das extremidades, sem perdas de propagação de RF, e com dimensões a = 5 cm e b = 3 cm, deve ser alimentado por uma antena excitadora, tipo sonda, que penetra no guia a uma distância "d" da extremidade fechada, como mostra o desenho abaixo

Se a freqüência do gerador é de 5 (cinco) Giga Hertz, a distância "d" deverá ser aproximadamente de:
Provas
Disciplina: Engenharia de Telecomunicações
Banca: NCE-UFRJ
Orgão: INFRAERO
Desejamos projetar um lance de microondas de 100 km e na freqüência de 10 GHz em visada direta. No lance não há obstáculos e, assim, não há obstruções das elipsóides de Fresnel. Também não há atenuações por poeira ou chuva. A potência do transmissor é de 1 Watt e a sensibilidade do receptor é de – 80 dBm. A perda total nos cabos, guias de onda, acopladores, circuladores e etc..., para todo o sistema, é de 10 dB.
O ganho mínimo de cada uma das duas antenas do lance deverá ser de:
Provas
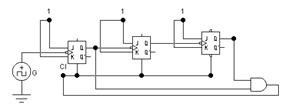
No circuito abaixo três Flip-Flops J-K Master –Slave, com as entradas J=K= "1" lógico e com mudança de estado por transição negativa, são ligados em cascata. Nas entradas de relógio é ligado um gerador de pulsos (G). O "Clear" é disparado por transição positiva.

Antes da aplicação dos pulsos todas as saídas "Q" dos Flip-Flops estavam em "0" lógico. Até que todas as saídas "Q" dos Flip-Flops retornem a "0" lógico, o gerador gerará
Provas
Caderno Container