Foram encontradas 1.460 questões.

Na figura acima, o líquido B possui massa específica de 1.600 kg/m³ e o líquido A possui peso específico igual a 9.810 N/m³. Nessa situação, assumindo a aceleração gravitacional de 10 m/s², quando h = 10,0 mm, a diferença de pressão é de
Provas
Sabendo que L, M e T representam, respectivamente, as unidades de comprimento, de massa e de tempo, no sistema internacional de unidades, então, nesse sistema, a viscosidade absoluta é indicada por
Provas

O perfil de velocidade na saída de uma tubulação de raio R é dado pela equação !$ { \large u \over U_{máx}} = \left ( 1 - { \large r^2 \over R^2} \right) !$ , como ilustra a figura acima. Na hipotése de escoamento permanente, incompressível e plenamente desenvolvido, a velocidade uniforme de entrada, em m/s, na tubulação para o perfil de velocidade medido na saída é
Provas
O perfil de velocidade do escoamento laminar, incompressível e completamente desenvolvido entre duas placas planas e paralelas é dado pela expressão !$ { \large u \over U_{máx} } = 1 - \left ( { \large 2y \over h} \right)^2 !$ , em que h é a distância entre as placas e os eixos de coordenadas x e y são colocados no ponto médio entre as placas, como mostrado na figura abaixo.

Nessa situação, considerando que !$ \rho !$ e !$ \mu !$ sejam, respectivamente, a massa específica e a viscosidade absoluta do fluido, a equação que descreve o comportamento da tensão de cisalhamento na seção transversal do canal, para um fluido newtoniano, é
Provas
Com relação a funções de transferência e resposta em frequência, assinale a opção correta.
Provas

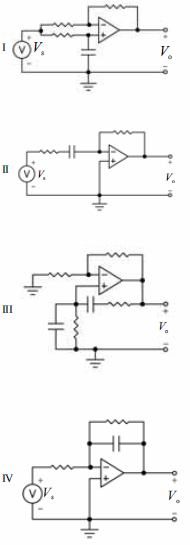
Considerando que, nos circuitos apresentados nas figuras acima, Vs indica a tensão de entrada e Vo, a tensão de saída, é correto afirmar que os circuitos I, II, III e IV implementam, respectivamente,
Provas

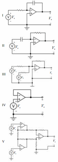
Considerando os circuitos apresentados nas figuras de I a V acima, nos quais Vs, V1 e V2 são tensões de entrada, e Vo é a tensão de saída, assinale a opção correta.
Provas

Considerando que, no circuito apresentado na figura acima, o amplificador operacional seja ideal, assinale a opção correta.
Provas
Acerca dos métodos de conversão analógico/digital (A/D) e digital/analógico (D/A), assinale a opção correta.
Provas

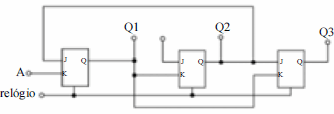
No circuito acima, A = 0 e B = 0; os três flip-flops JK estão apropriadamente alimentados, habilitados e ligados corretamente a um sinal sincronizador, denominado relógio; e os valores iniciais de Q1, Q2 e Q3 são iguais a 1, 1 e 0, respectivamente.
A partir dessas informações, é correto afirmar que, após um ciclo completo de relógio, os valores de Q1, Q2 e Q3 serão iguais, respectivamente, a
Provas
Caderno Container