Magna Concursos

Foram encontradas 1.460 questões.

92643 Ano: 2010
Disciplina: Engenharia Elétrica
Banca: CESPE / CEBRASPE
Orgão: INMETRO

Enunciado 3546528-1

No circuito acima, se A = 1, B = 0 e C = 1, então X, Y e Z serão, respectivamente,

 

Provas

Questão presente nas seguintes provas
92642 Ano: 2010
Disciplina: Engenharia Eletrônica
Banca: CESPE / CEBRASPE
Orgão: INMETRO

Enunciado 3546527-1

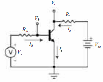
Considerando que, no circuito da figura acima, Vcc = 15 V, assinale a opção correta, com relação ao uso do transistor bipolar como chave.

 

Provas

Questão presente nas seguintes provas
92641 Ano: 2010
Disciplina: Engenharia Eletrônica
Banca: CESPE / CEBRASPE
Orgão: INMETRO

Enunciado 3546526-1

As figuras I e II acima ilustram circuitos contendo um resistor R, de resistência igual a 5 k!$ \Omega !$, e um transistor com transcondutância de 30 mA/V. No circuito da figura I, as fontes de tensão c.c. (corrente contínua) Va e Vb polarizam, respectivamente, a junção emissor-base do transistor, diretamente, e a junção coletorbase, reversamente. A fonte Va foi ajustada de modo que a corrente i no coletor seja de 2 mA. Para que o referido transistor funcione como um amplificador, foi adicionada, ao circuito, uma fonte de corrente alternada vs(t), como mostra a figura II. Considere que a amplitude de vs(t) seja pequena, de modo que a operação fique restrita ao segmento quase linear da curva característica do transistor.

A partir dessas informações, se vs(t) = 4 sen(!$ \omega !$t) mV, é correto afirmar que a tensão, em volts, no resistor R, indicada por vr(t) na figura II, será de

 

Provas

Questão presente nas seguintes provas
92640 Ano: 2010
Disciplina: Engenharia Eletrônica
Banca: CESPE / CEBRASPE
Orgão: INMETRO

Acerca de transistores bipolares e de efeito de campo, assinale a opção correta.

 

Provas

Questão presente nas seguintes provas
92639 Ano: 2010
Disciplina: Engenharia Eletrônica
Banca: CESPE / CEBRASPE
Orgão: INMETRO

A respeito de circuitos limitadores (ou ceifadores), grampeadores e multiplicadores de tensão, assinale a opção correta.

 

Provas

Questão presente nas seguintes provas
92638 Ano: 2010
Disciplina: Engenharia Elétrica
Banca: CESPE / CEBRASPE
Orgão: INMETRO

Enunciado 3546523-1

A figura acima ilustra um circuito regulador, construído com um diodo zener e um resistor, no qual Vs representa a fonte de entrada e Vo, a saída desejada. Uma condição necessária para que esse circuito funcione adequadamente como um regulador de tensão é

 

Provas

Questão presente nas seguintes provas
92637 Ano: 2010
Disciplina: Engenharia Eletrônica
Banca: CESPE / CEBRASPE
Orgão: INMETRO

Enunciado 3546522-1

A figura acima apresenta as formas de onda observadas na medição, com um osciloscópio, das tensões de entrada, vs(t), e de saída, vo(t), de determinado circuito. Entre os circuitos a seguir, determine aqueles que são capazes de gerar as formas de onda mostradas na figura.

Enunciado 3546522-2

Assinale a opção correta.

 

Provas

Questão presente nas seguintes provas
92636 Ano: 2010
Disciplina: Engenharia Eletrônica
Banca: CESPE / CEBRASPE
Orgão: INMETRO

Com relação a elementos não lineares de circuitos, assinale a opção correta.

 

Provas

Questão presente nas seguintes provas
92635 Ano: 2010
Disciplina: Engenharia Elétrica
Banca: CESPE / CEBRASPE
Orgão: INMETRO

Texto e figura para a questão

A figura a seguir ilustra um circuito em ponte, no qual !$ R_1 = 1 \Omega !$ e !$ R_4 = 1 \Omega !$.

Enunciado 3546520-1

O referido circuito, que pode ser usado para medir resistências, é denominado

 

Provas

Questão presente nas seguintes provas
92634 Ano: 2010
Disciplina: Engenharia Elétrica
Banca: CESPE / CEBRASPE
Orgão: INMETRO

Texto e figura para a questão

A figura a seguir ilustra um circuito em ponte, no qual !$ R_1 = 1 \Omega !$ e !$ R_4 = 1 \Omega !$.

Enunciado 3546519-1

Considere que, no circuito em questão, a diferença de potencial entre os nós A e B torna-se nula quando R3 = 2 !$ \Omega !$. Nesse caso, é correto afirmar que a resistência do resistor R2 é igual a

 

Provas

Questão presente nas seguintes provas