Foram encontradas 730 questões.
Um técnico de manutenção precisa medir a tensão de pico a pico, o valor eficaz de corrente e a potência ativa em uma carga e, para isso, precisa selecionar os instrumentos mais adequados.
Quais são, respectivamente, os instrumentos que deverão ser usados para realizar essas medidas de forma direta?
Quais são, respectivamente, os instrumentos que deverão ser usados para realizar essas medidas de forma direta?
Provas
Questão presente nas seguintes provas
Áreas perigosas em indústria petrolífera são locais onde existe ou pode existir uma atmosfera potencialmente explosiva ou inflamável, que gere explosão devido à presença de gases, vapor, poeiras ou fibras.
Assim, em todos os eletrodutos que chegam a um invólucro à prova de explosão (caixa) contendo chaves desligadoras, disjuntores, fusíveis, relés, resistores, ou outros dispositivos produtores de arcos, centelhas, ou altas temperaturas que possam causar uma ignição, é necessária a colocação de um(a)
Assim, em todos os eletrodutos que chegam a um invólucro à prova de explosão (caixa) contendo chaves desligadoras, disjuntores, fusíveis, relés, resistores, ou outros dispositivos produtores de arcos, centelhas, ou altas temperaturas que possam causar uma ignição, é necessária a colocação de um(a)
Provas
Questão presente nas seguintes provas
Em áreas industriais é utilizada a metodologia do iluminamento ponto a ponto. Nessa metodologia, uma fonte puntiforme F proporciona, em uma superfície, o iluminamento em um ponto P, como mostrado na figura abaixo.

Nessa condição, tomando-se uma das leis produzidas por uma fonte puntiforme, o iluminamento

Nessa condição, tomando-se uma das leis produzidas por uma fonte puntiforme, o iluminamento
Provas
Questão presente nas seguintes provas
As unidades de medida ampère, lux e henry do sistema internacional de unidades, representam, respectivamente, as seguintes grandezas:
Provas
Questão presente nas seguintes provas

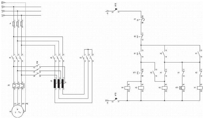
Os diagramas trifilar e de comando, apresentados acima, correspondem a motores elétricos de indução com rotor em gaiola e ao método de partida
Provas
Questão presente nas seguintes provas

Dado o circuito acima e sabendo-se que os componentes são ideais, qual a impedância Z, em Ω, vista pela fonte VG?
Provas
Questão presente nas seguintes provas
Os motores elétricos de indução com rotor em gaiola de esquilo são classificados em categorias, conforme suas características de conjugado em relação à velocidade, corrente de partida e escorregamento. Essas categorias são definidas em norma, respectivamente, como categoria N, categoria D e categoria H. Esses motores são utilizados para acionar cargas como bombas, ventiladores, britadores, elevadores, etc.
Os motores elétricos de indução com categoria D são aqueles que apresentam conjugado de partida
Os motores elétricos de indução com categoria D são aqueles que apresentam conjugado de partida
Provas
Questão presente nas seguintes provas
Muito se tem discutido sobre o papel do gerente de projeto no âmbito empresarial. Sua tarefa é complexa, e sua responsabilidade em garantir a conclusão do projeto dentro do prazo, do orçamento e do escopo é muito grande.
Projetos podem ser gerenciados de formas distintas. Para se obter sucesso e atingir os objetivos, é necessário um conjunto de habilidades do gerente de projeto.
Associe as competências necessárias ao Gerente de Projetos apresentadas abaixo com as suas respectivas características básicas.
I - Estratégica P - Empreendedorismo e criatividade II - Interpessoal Q - Preocupação com o cliente e capacidade de integração III - Técnica R - Liderança e gestão de conflitos S - Conhecimento das ferramentas e técnicas relacionadas
Estão corretas as associações
Projetos podem ser gerenciados de formas distintas. Para se obter sucesso e atingir os objetivos, é necessário um conjunto de habilidades do gerente de projeto.
Associe as competências necessárias ao Gerente de Projetos apresentadas abaixo com as suas respectivas características básicas.
I - Estratégica P - Empreendedorismo e criatividade II - Interpessoal Q - Preocupação com o cliente e capacidade de integração III - Técnica R - Liderança e gestão de conflitos S - Conhecimento das ferramentas e técnicas relacionadas
Estão corretas as associações
Provas
Questão presente nas seguintes provas
Uma empresa do setor automobilístico pretende lançar, dentro de três anos, um novo automóvel que revolucionará o mercado automotivo. Ciente de que o ambiente em que atua é altamente competitivo, ela constituiu uma equipe para trabalhar nesse projeto.
Com base no contexto em que atua, ao optar pela estrutura de projeto para o desenvolvimento do novo automóvel, a empresa aposta nas características da gestão por projetos, que é
Com base no contexto em que atua, ao optar pela estrutura de projeto para o desenvolvimento do novo automóvel, a empresa aposta nas características da gestão por projetos, que é
Provas
Questão presente nas seguintes provas
- Controle de ConstitucionalidadeControle Abstrato ou ConcentradoADI: Ação Direta de inconstitucionalidade
Nos dias atuais, é fundamental para o profissional do Direito o conhecimento relativo às diversas regras e aos princípios de hermenêutica constitucional.
Sobre tais princípios, o Supremo Tribunal Federal enuncia ser inviável a interposição de ação direta de inconstitucionalidade em face de norma originária da Constituição de 1988, em razão do princípio da
Sobre tais princípios, o Supremo Tribunal Federal enuncia ser inviável a interposição de ação direta de inconstitucionalidade em face de norma originária da Constituição de 1988, em razão do princípio da
Provas
Questão presente nas seguintes provas
Cadernos
Caderno Container