Foram encontradas 35 questões.
Quando são apresentados, como principais características, a frequência de operação, diretividade, ganho, impedância característica, tipo de polarização e ganho, pode-se afirmar tratar-se de um(a):
Provas
Disciplina: Engenharia de Telecomunicações
Banca: CESPE / CEBRASPE
Orgão: INPE
Julgue os itens sobre espectro eletromagnético e assinale o item INCORRETO.
Provas
Disciplina: Engenharia de Telecomunicações
Banca: CESPE / CEBRASPE
Orgão: INPE
O diagrama de bloco a seguir esquematizado representa um transmissor de:

Provas
Disciplina: Engenharia de Telecomunicações
Banca: CESPE / CEBRASPE
Orgão: INPE
Analise os itens abaixo e marque a combinação CORRETA
I - O efeito Doppler é a alteração da frequência sonora percebida pelo observador em virtude do movimento relativo, de aproximação ou afastamento, entre a fonte e o observador.
II - Para determinar a posição do transmissor, os satélites do National Oceanic and Atmospheric Administration ( NOAA ) usam o efeito Doppler.
III - O Efeito Doppler é utilizado para medir a velocidade de objetos através de ondas que são emitidas por aparelhos baseados em radiofrequência ou lasers como, por exemplo, os radares.
Provas
Julgue os itens a seguir:
I - Um amperímetro de RF do tipo "clip-on" é um equipamento que pode ser utilizado para investigar interferência de RF em diferentes tipos de fios condutores, como o cabo coaxial, para encontrar onde a corrente de RF está fluindo e a sua intensidade.
II - Potência de RF pode ser medida por meio de voltímetro adequadamente calibrado e conectado à carga na qual a potência está sendo dissipada.
III - O henry (H) é a indutância de um elemento passivo de um circuito que, quando percorrido por uma corrente que varia uniformemente à razão de 1 ampere por segundo, apresenta entre seus terminais uma tensão constante de 1 V.
Provas
Disciplina: Engenharia de Telecomunicações
Banca: CESPE / CEBRASPE
Orgão: INPE
Julgue as afirmativas e selecione o item CORRETO:
I - O processo de digitalização de um sinal elétrico analógico é composto de três etapas: Amostragem; Quantização; Codificação.
II - Um exemplo prático sobre multiplexação é a criação da telemetria para realizar a transmissão entre o sistema de computação/instrumentação de um satélite ou nave espacial e um sistema localizado no segmento solo.
III - A multiplexação por divisão de tempo (digital) supera em qualidade do sinal e quantidade de canais a multiplexação por divisão de frequência (analógica); Por outro lado, sinais digitais recebidos com defeito não podem ser reproduzidos, enquanto que sinais analógicos defeituosos ainda permitem a reprodução.
Provas
No amplificador operacional abaixo determine respectivamente a tensão de saída Vo e a corrente Is do circuito a seguir: Dados: Vi = 1V; R1 = 1kΩ; RF = 4,7kΩ; RL = 10kΩ

Provas
Disciplina: Engenharia de Telecomunicações
Banca: CESPE / CEBRASPE
Orgão: INPE
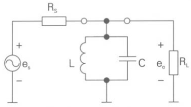
Os filtros elétricos RLC são muito utilizados em circuitos de propagação de ondas eletromagnéticas devido ao basto custo, construção simples e principalmente bom desempenho. A figura 01 abaixo corresponde a que tipo de projeto de circuito elétrico?

Provas
Qual a perda por retorno, para um sistema de transmissão de 1kW com um retorno de potência de 10W?
Provas
Disciplina: Engenharia de Telecomunicações
Banca: CESPE / CEBRASPE
Orgão: INPE
Qual a potência aproximada de transmissão de uma antena com ganho de 23dBi quando é aplicado uma potencia de entrada de 1W:
Provas
Caderno Container