Foram encontradas 1.092 questões.
Em relação a máquinas elétricas, julgue os itens a seguir.
No momento da partida de um motor de indução trifásico, o escorregamento é igual a um, fazendo que a impedância do circuito equivalente seja baixa e provocando altos valores da corrente de partida.
Provas
Em relação a máquinas elétricas, julgue os itens a seguir.
O circuito equivalente de um gerador síncrono de polos salientes é diferente daquele do gerador síncrono de polos lisos em razão das diferenças entre a relutância magnética de eixo direto e a de eixo em quadratura.
Provas
Em relação a máquinas elétricas, julgue os itens a seguir.
A característica de operação de um motor de corrente contínua com excitação em série é a baixa velocidade quando ele opera em vazio, ou seja, sem carga mecânica no seu eixo.
Provas
Em relação a máquinas elétricas, julgue os itens a seguir.
A regulação de tensão de um transformador trifásico representa a queda de tensão, em volts, entre o primário e o secundário, para determinada situação de carga.
Provas
Acerca de subestações e sistemas de proteção em subestações de energia elétrica, julgue os itens a seguir.
O arranjo a seguir representa uma subestação que está organizada com barramento principal e de transferência no primário e no secundário.

Provas
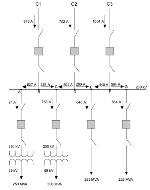
Acerca de subestações e sistemas de proteção em subestações de energia elétrica, julgue os itens a seguir.
O diagrama unifilar a seguir representa uma subestação abaixadora de 230 kV para 69 kV com três circuitos alimentadores.

Provas
A seguir, é apresentada a curva característica corrente de curto-circuito (kA) versus seção do condutor (mm2) versus quantidade de ciclos do sinal (frequência do sinal em ciclos por segundo) para um condutor elétrico de cobre com isolamento em PVC (policloreto de vinila).

Com base na curva apresentada e considerando um sistema elétrico com tensão nominal de neutro de 12 kV, julgue os seguintes itens.
Para o sistema operando em 4 ciclos por segundo, com seção de condutor de 10 mm2 , a resistência de aterramento é igual a 12 Ω.
Provas
A seguir, é apresentada a curva característica corrente de curto-circuito (kA) versus seção do condutor (mm2) versus quantidade de ciclos do sinal (frequência do sinal em ciclos por segundo) para um condutor elétrico de cobre com isolamento em PVC (policloreto de vinila).

Com base na curva apresentada e considerando um sistema elétrico com tensão nominal de neutro de 12 kV, julgue os seguintes itens.
O material utilizado no cabo do aterramento não tem influência no valor da corrente de curto-circuito máxima suportada pelo sistema.
Provas
A seguir, é apresentada a curva característica corrente de curto-circuito (kA) versus seção do condutor (mm2) versus quantidade de ciclos do sinal (frequência do sinal em ciclos por segundo) para um condutor elétrico de cobre com isolamento em PVC (policloreto de vinila).

Com base na curva apresentada e considerando um sistema elétrico com tensão nominal de neutro de 12 kV, julgue os seguintes itens.
Para o condutor suportar uma corrente de curto-circuito de 4 kA em 60 ciclos por segundo, ele deve ter seção de, no mínimo, 35 mm2.
Provas

A figura precedente apresenta o diagrama unifilar simplificado de um sistema elétrico em que G é um gerador síncrono trifásico de 100 MVA, 13,8 kV, 60 Hz; T é um transformador trifásico com tensão nominal de 13,8 kV no primário e de 500 kV no secundário, potência aparente nominal de 100 MVA e reatância de dispersão igual a 10% na base dos valores nominais do equipamento; LT são duas linhas de transmissão pequenas, com 50 km, e que podem ser representadas pela reatância em série com a resistência; e D é a carga, que representa um sistema de distribuição cujos alimentadores têm uma tensão nominal de 13,8 kV. A variação da carga ao longo do dia pode ser descrita por dois patamares: carga leve (40 MVA, fator de potência 0,9 indutivo) e carga pesada (80 MVA, com o mesmo fator de potência).
A partir das informações precedentes, julgue os itens a seguir.
Considerando-se que o sistema esteja operando em regime permanente e carga leve, se um curto-circuito em uma das linhas de transmissão fizer que ela seja retirada de operação pela atuação da proteção, então, nesse caso, o consumo de potência reativa na linha de transmissão em operação irá aumentar.
Provas
Caderno Container