Foram encontradas 1.450 questões.

Sistemas via satélite geoestacionário vêm sendo empregados
no estabelecimento de redes de telefonia fixa para interconectar
usuários tanto residenciais quanto empresariais, espalhados em vastas
regiões do globo. Essas redes via satélite permitem conectar usuários
a sistemas de telefonia fixa comutada (STFC), garantindo
flexibilidade e uma relação custo-benefício atraente, principalmente
em países em desenvolvimento ou que possuem grandes áreas a serem
atendidas, como no caso do Brasil. A figura acima ilustra uma rede
que usa tecnologia VSAT (very small aperture terminals) e os seus
principais elementos, que são utilizados no estabelecimento e na
conexão de redes de telefonia fixa via satélite geoestacionário.
Considerando as informações apresentadas e que a rede
VSAT mostrada utilize apenas um transponder de satélite,
julgue os itens seguintes.

Provas
Questão presente nas seguintes provas

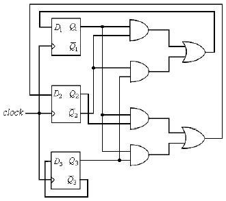
Considerando a figura acima, que ilustra um circuito digital
síncrono contendo três flip-flops, cujo sinal de clock é uma
onda quadrada simétrica, julgue o próximo item.

Provas
Questão presente nas seguintes provas

No dimensionamento de sistemas WCDMA, no tocante ao link
budget, diversos parâmetros são utilizados, entre eles a
margem de interferência, a margem de desvanecimento rápido
e o ganho de soft handover. Esses parâmetros diferem do que
usualmente é utilizado em sistemas TDMA-GSM.
Considerando o link budget apresentado na tabela, em que
alguns dados - de I a VII - devem ser determinados, julgue
os itens seguintes.
Provas
Questão presente nas seguintes provas

A figura acima descreve um sistema de comunicação que interliga,
por meio de tecnologia IP WAN (wide area network), a matriz de
uma empresa, localizada em São Paulo, a duas de suas filiais,
localizadas no Rio de Janeiro e em Curitiba. A partir dessa
descrição, julgue os itens subseqüentes.
Provas
Questão presente nas seguintes provas

A figura acima ilustra elementos da arquitetura de uma rede GSM
com recursos GPRS, em que a nomenclatura utilizada segue o
estabelecido no 3GPP (3
Generation Partnership Project).Considerando essa arquitetura, julgue os itens seguintes, relativos ao
planejamento e à otimização de redes GSM/GPRS.
Provas
Questão presente nas seguintes provas

A figura acima ilustra um esquema de aterramento para a
proteção de equipamentos de informática, alimentados por um
sistema trifásico de 380 / 220 V. Nesse esquema, a resistência de
aterramento da fonte de alimentação trifásica é igual a 10 ? e a
resistência de aterramento da massa é igual a 20 ?.
Considerando essas informações, julgue os itens subseqüentes.
Provas
Questão presente nas seguintes provas

No dimensionamento de sistemas WCDMA, no tocante ao link
budget, diversos parâmetros são utilizados, entre eles a
margem de interferência, a margem de desvanecimento rápido
e o ganho de soft handover. Esses parâmetros diferem do que
usualmente é utilizado em sistemas TDMA-GSM.
Considerando o link budget apresentado na tabela, em que
alguns dados - de I a VII - devem ser determinados, julgue
os itens seguintes.
Provas
Questão presente nas seguintes provas

No projeto de uma rede de transporte, foi proposta a
topologia ilustrada na figura acima, em que Epp indica o uso de
enlaces ponto-a-ponto em microondas e FOTS, o uso de sistema
de transmissão por fibra óptica.
Considerando essas informações, julgue os itens subseqüentes,
relativos ao sistema acima esquematizado e à sua implantação a
partir da topologia proposta.
Provas
Questão presente nas seguintes provas

O desempenho dos sistemas de comunicação é limitado pela
ocorrência de ruído e interferência. No caso de EMI
(electromagnetic interference), a maneira mais eficiente de se
reduzir esse tipo de interferência é eliminando ou reduzindo a
fonte de radiação. Considerando a figura acima, que ilustra
uma linha de dois fios terminada por uma carga, julgue os
próximos itens, com relação a EMI e a maneiras de reduzir a
interferência inserida ou provocada por esses fios em sistemas
de comunicação.
mostradas são iguais. Uma forma de reduzir a corrente de modo comum é por meio do uso do componente ilustrado na figura a seguir, ou seja, por meio de um transformador conectado à linha, tal que a emissão de radiação que causa interferência é reduzida.
Provas
Questão presente nas seguintes provas

No projeto de uma rede de transporte, foi proposta a
topologia ilustrada na figura acima, em que Epp indica o uso de
enlaces ponto-a-ponto em microondas e FOTS, o uso de sistema
de transmissão por fibra óptica.
Considerando essas informações, julgue os itens subseqüentes,
relativos ao sistema acima esquematizado e à sua implantação a
partir da topologia proposta.
Provas
Questão presente nas seguintes provas
Cadernos
Caderno Container