Foram encontradas 30 questões.
No LibreOffice Writer 7.1, Configuração Local, Idioma Português- Brasil, há três maneiras de exibir a caixa de diálogo “Localizar e Substituir”: I. clicar no ícone localizar e substituir na barra de ferramentas Localizar; II. acessar a Barra de Menus/Editar > Localizar e substituir; ou, III. usar um conjunto de teclas de atalho do teclado. Tal conjunto se refere as seguintes teclas de atalho do teclado:
Provas
Em LibreOffice Calc 7.0, Configuração Local, Idioma Português- -Brasil, o menu que “contém comandos para modificar a aparência da interface de usuário do Calc, Ver cabeçalhos, Tela inteira, Zoom etc.” localiza-se na seguinte barra de menus:
Provas
Considerando o Windows 8, Configuração Local, Idioma Português- Brasil, analise as afirmativas a seguir.
I. Existem três tipos de contas de usuário: usuário local; uma conta de domínio; ou, uma conta Microsoft.
II. O perfil de usuário de uma conta local é armazenado na nuvem e pode ser usado em qualquer computador.
III. Windows Live ID ou um endereço de e-mail dos domínios Live ou Hotmail são contas da Microsoft.
Está correto o que se afirma apenas em
Provas
No Windows 8, Configuração Local, Idioma Português-Brasil, para que o usuário possa percorrer os gadgets da área de trabalho, um atalho de teclado é o meio mais rápido; assinale-o.
Provas
No LibreOffice Impress 7.0, Configuração Local, Idioma Português- Brasil, a Área de Trabalho, que é normalmente o centro da janela principal, possui quatro exibições-padrão, que podem ser selecionadas por meio de abas. Trata-se da área em que se vai trabalhar a apresentação, criando e editando o que desejar. Uma das exibições é aberta, por padrão, quando o LibreOffice Impress é acionado; assinale-a.
Provas
O uso do Controlador Lógico Programável (CLP) em instalações elétricas residenciais é uma área denominada:
Provas
Sobre potências em uma instalação elétrica, assinale a afirmativa INCORRETA.
Provas
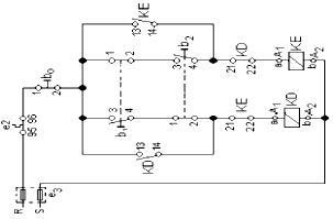
No seguinte diagrama de comando, são contatos de selo e intertravamento, respectivamente:

Provas
Sobre o quadro de distribuição de uma instalação elétrica, analise as afirmativas a seguir.
I. Este quadro recebe todos os condutores que vêm do medidor. É dele que partem os circuitos que irão alimentar todos os equipamentos existentes na instalação elétrica.
II. É o centro de distribuição de energia de toda a instalação elétrica. É nele que estão os dispositivos de proteção.
III. Em um sobrado residencial possui apenas um quadro de distribuição.
IV. Os quadros terminais e os quadros de distribuição deverão ser localizados, preferencialmente, próximo ao medidor da instalação, que é o ponto ou região onde se concentram as maiores potências.
Está correto o que se afirma em
Provas
“As subestações de são aquelas localizadas nos pontos de conexão com , consumidores e empresas . Nos pontos de conexão com geradores, a função das subestações é o nível de tensão da energia elétrica gerada para centenas de milhares de volts.” Assinale a alternativa que completa correta e sequencialmente a afirmativa anterior.
Provas
Caderno Container