Foram encontradas 50 questões.

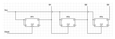
Se a frequência da variável Clock do diagrama da figura precedente for igual a 160 kHz, então as frequências de Q1, Q2 e Q3 serão, respectivamente, iguais a
Provas
Provas
CB1A3-I
“O chefe não me falou sobre isso, mas, se eu for convidado, aceitarei a tarefa.”
Assinale a opção que apresenta uma negação da proposição CB1A3-I.
Provas
CB1A3-I
“O chefe não me falou sobre isso, mas, se eu for convidado, aceitarei a tarefa.”
Supondo verdadeira a proposição CB1A3-I, assinale a opção que apresenta uma proposição também verdadeira.
Provas
A exorbitante onda de calor que nos atingiu este mês veio fora dos padrões. Sua extensão, sua força e sua duração escapam aos parâmetros. Praticamente o território nacional inteiro foi assolado. Fenômenos atmosféricos têm se tornado cada vez mais extremos e mais frequentes desde que entramos no novo milênio. Incêndios florestais na Sibéria, temperatura saariana na Inglaterra, inundações devastadoras no Rio Grande do Sul, furacões com ventos de 300 km/h, sensação de 60 °C no Rio — são eventos extremos que se multiplicam e preocupam autoridades e governos do mundo inteiro.
Provas
Em relação a aspectos linguísticos do texto CB1A1-I, julgue os itens a seguir.
- A correção gramatical e os sentidos do texto estariam preservados caso o pronome “a”, em “reduzindo-a” (no primeiro período do segundo parágrafo) fosse colocado antes do verbo: a reduzindo.
- A substituição da expressão “próximo inverno” (no segundo período do primeiro parágrafo) por inverno próximo manteria a correção gramatical do texto e o seu sentido original.
- A substituição das formas verbais “fica” e “é” (ambas no primeiro período do segundo parágrafo) por ficaria e seria preservaria a correlação entre as formas verbais e a coesão temporal do período.
Assinale a opção correta.
Provas
Disciplina: TI - Desenvolvimento de Sistemas
Banca: CESPE / CEBRASPE
Orgão: Itaipu
#include <stdio.h>
int main()
{
int var = 100;
int* p1;
int** p2;
int*** p3;
p1 = &var;
p2 = &p1;
p3 = &p2;
printf("%d" , 2*(***p3) + 3*(**p2));
return 0;
}
Assinale a opção que corresponde ao resultado da execução do fragmento de código em linguagem C precedente.
Provas
Disciplina: TI - Redes de Computadores
Banca: CESPE / CEBRASPE
Orgão: Itaipu
Frame relay
Provas

A figura precedente descreve um diagrama de estados de uma máquina de estados finitos, a qual representa um processo de verificação se um número é maior do que zero. A partir dessas informações, é correto afirmar que
Provas
Disciplina: TI - Organização e Arquitetura dos Computadores
Banca: CESPE / CEBRASPE
Orgão: Itaipu
A linguagem Assembly
Provas
Caderno Container