Foram encontradas 50 questões.
As cargas resistivas foram organizadas para formarem cargas trifásicas e estão sendo alimentadas por uma fonte trifásica com tensões equilibradas, conforme a figura ao lado.
Considerando que as tensões de linha são de 100 V eficaz, assinale a alternativa que apresenta a potência total consumida pelas cargas.

Provas
Considere o circuito elétrico ao lado, no qual uma fonte de tensão senoidal (CA) de valor eficaz de tensão igual a 50 V é aplicada a um circuito LC série composto por um indutor de reatância indutiva XL = 50 Ω e um capacitor de reatância capacitiva XC = 25 Ω.
Assinale a alternativa que indica o valor da potência reativa na fonte de tensão.

Provas
Assinale a alternativa que apresenta o valor da potência ativa fornecida pela fonte de tensão.

Provas
Assinale a alternativa que apresenta a frequência de corte do circuito ao lado, assumindo que o AMPOP seja ideal.

Provas
Considere o circuito elétrico mostrado ao lado.
Assinale a alternativa que indica a aplicação do circuito apresentado.

Provas
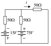
Considere o circuito elétrico mostrado ao lado.
Assinale a alternativa que apresenta o valor da corrente i, indicada no circuito.

Provas
Considere o circuito elétrico mostrado ao lado.
Assinale a alternativa que apresenta a resistência equivalente vista entre os terminais A e B:

Provas
Considere o circuito elétrico mostrado ao lado, composto por uma fonte de tensão senoidal (CA) de valor eficaz (rms) igual a 100 V, dois resistores de resistências iguais R1 = R2 = 10 Ω, um indutor de reatância indutiva XL = 10 Ω e um capacitor de reatância capacitiva XC = 10 Ω.
Assinale a alternativa que apresenta o valor da impedância vista pela fonte de tensão.

Provas
Uma fonte de tensão senoidal (CA), de tensão eficaz (rms) igual a 100 V, é aplicada a um circuito composto por uma resistência de 8 Ω, um indutor de reatância indutiva XL = 8 Ω e um capacitor de reatância capacitiva XC = 1 Ω, conforme mostrado no circuito ao lado.
A corrente fornecida pela fonte, indicada por I no circuito elétrico apresentado, tem valor igual a:

Provas
Um multiplexador digital proporciona uma maneira de selecionar uma das entradas para ser ligada a uma única saída. Sobre a implementação de tais dispositivos, considere as seguintes afirmativas:
1. Um multiplexador com 16 entradas necessita de 16 bits de seleção.
2. Um multiplexador pode ser implementado em dois estágios: o primeiro consiste em portas inversoras e portas AND entre os bits de seleção e o segundo em uma porta OR entre as saídas do primeiro estágio.
3. Um multiplexador pode ser implementado utilizando-se um conjunto de flip-flops conectados entre si através de portas AND, utilizando como sincronismo os bits de seleção.
4. Um multiplexador digital pode ser utilizado para gerar uma função lógica arbitrária das variáveis selecionadoras.
Assinale a alternativa correta.
Provas
Caderno Container