Foram encontradas 50 questões.
Provas
Provas
Provas
Com relação a sistemas de aterramento, considere a figura ao lado.
Qual é o esquema de aterramento ilustrado na figura?

Provas
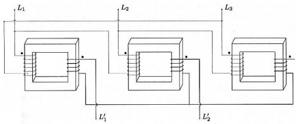
Os arranjos trifásicos podem ser obtidos pelo banco trifásico, formado por três transformadores monofásicos independentes. Na figura ao lado está representado um caso possível de conexão desses transformadores, onde os três transformadores monofásicos são idênticos, com os lados de alta tensão de cada transformador conectados nos terminais L1, L2 e L3 e os lados de baixa tensão conectados nos terminais L’1, L’2 e L’3.
A relação de espiras entre o lado de alta tensão e de baixa tensão é de 10:1.
Com base na figura e nas informações apresentadas, calcule o valor aproximado da tensão eficaz entre L’1 e L’2, considerando que os terminais L1, L2 e L3 estão conectados numa fonte trifásica equilibrada, com tensão de linha de 1000 V eficaz.

Provas
Provas
Com base no princípio de funcionamento do motor de indução trifásico, identifique como verdadeiras (V) ou falsas (F) as seguintes afirmativas:
( ) Um motor de indução trifásico de seis polos, quando alimentado com tensões trifásicas na frequência de 60 Hz, produz um campo magnético girante na velocidade de 900 rpm.
( ) Os motores de indução trifásicos apresentam na partida elevadas correntes, que podem produzir perturbações na tensão de alimentação, comprometendo a operação de outras cargas e até mesmo a própria partida do motor de indução.
( ) Para reduzir a corrente e aumentar o torque na partida do motor de indução, algumas técnicas de partida podem ser utilizadas, tais como partida estrela-triângulo, chave compensadora e soft-starter, entre outras.
( ) Se o rotor do motor de indução trifásico estiver girando na velocidade síncrona, ele não produzirá torque mecânico.
Assinale a alternativa que apresenta a sequência correta, de cima para baixo.
Provas
Provas
Em relação aos equipamentos elétricos, identifique como verdadeiras (V) ou falsas (F) as seguintes afirmativas:
( ) Os cabos com isolante XLPE e o EPR podem ser considerados materiais propagadores de chama.
( ) Os cabos com isolante PVC apresentam elevadas perdas dielétricas, principalmente acima de 20 kV, daí uma limitação de emprego em sistemas de até 15 kV.
( ) Cordoalha é um condutor formado por um tecido de fios metálicos extremamente flexível.
( ) Um eletroduto é um elemento de linha elétrica fechada, de seção circular ou não, destinado a conter condutores elétricos, permitindo tanto a enfiação como a retirada dos condutores por puxamento. Os eletrodutos podem ser metálicos (aço, alumínio) ou de material isolante (PVC, polietileno etc.) e são usados em linhas elétricas embutidas ou aparentes.
Assinale a alternativa que apresenta a sequência correta, de cima para baixo.
Provas
Sobre as máquinas síncronas trifásicas, considere as seguintes afirmativas:
1. Os geradores síncronos podem facilmente operar em paralelo. De fato, os sistemas de fornecimento de energia elétrica dos países industrializados têm tipicamente dezenas, ou mesmo centenas, deles operando em paralelo.
2. Se o eixo da máquina síncrona gira com velocidade alta, como é o caso dos turbogeradores, o rotor exigirá um número elevado de polos. Além disso, forças centrífugas de alta intensidade atuarão sobre o rotor, o que leva à escolha do rotor de polos salientes, por este ser, sob o ponto de vista mecânico, mais robusto.
3. O motor síncrono necessita de um dispositivo auxiliar para alcançar a velocidade síncrona. Uma solução frequentemente utilizada faz uso de enrolamentos amortecedores, que são barras colocadas nas faces do rotor e curto-circuitadas nas extremidades por anéis. Essas barras são muito parecidas com um rotor em gaiola. Dessa forma, o motor opera como um motor de indução durante o transitório de aceleração e somente depois desse transitório é que o enrolamento de campo é alimentado.
4. No gerador síncrono o aumento da corrente de campo faz com que o fator de potência da máquina se torne cada vez mais capacitivo.
Assinale a alternativa correta.
Provas
Caderno Container