Foram encontradas 50 questões.
Em relação às usinas hidroelétricas e seus componentes básicos, numere a coluna da direita de acordo com sua correspondência com a coluna da esquerda.
| 1. Estrutura que permite a condução da água do reservatório para adução das turbinas. | ( ) Conduto forçado. |
| 2. Controle do nível da água do reservatório, principalmente em períodos de cheias. | ( ) Tomada d’água. |
| 3. Canalização que conduz água, sob pressão, para as turbinas. | ( ) Barragem. |
| 4. Estrutura construída no leito de um rio, permitindo acumular água. | ( ) Vertedouro. |
Assinale a alternativa que apresenta a numeração correta da coluna da direita, de cima para baixo.
Provas
Em relação à regulação primária de tensão e frequência, identifique como verdadeiras (V) ou falsas (F) as seguintes afirmativas:
( ) O regulador primário de velocidade, que é localizado na própria usina, não é responsável pela restauração da frequência do sistema ao valor programado, sendo essa função desempenhada pelo controle secundário de frequência, o qual é executado pelas usinas participantes do CAG (Controle Automático de Geração).
( ) Um estatismo igual a 5% do regulador primário de velocidade significa que uma variação de 5% na frequência produzirá um incremento na potência gerada de 5% da potência nominal.
( ) Para a conexão de unidades geradoras hidroelétricas e termoelétricas com potência superior a 30 MW na rede básica de transmissão do sistema elétrico brasileiro, o sistema de excitação dessas máquinas deve conter diversos recursos, entre eles o controle automático da tensão terminal do gerador e um estabilizador de sistemas de potência (sinal adicional estabilizante).
( ) Todas as usinas hidroelétricas e termoelétricas conectadas à rede básica de transmissão do sistema elétrico brasileiro e com capacidade instalada igual ou superior a 400 MW, exceto as termoelétricas nucleares, participam do CAG (Controle Automático de Geração).
Assinale a alternativa que apresenta a sequência correta, de cima para baixo.
Provas
Em relação às principais entidades do setor elétrico brasileiro e suas atribuições, numere a coluna da direita de acordo com sua correspondência com a coluna da esquerda.
| 1. Responsável pela supervisão e controle da operação dos sistemas eletroenergéticos nacionais interligados. |
( ) CCEE |
| 2. Responsável pela administração dos contratos de compra e venda de energia elétrica, sua contabilização e liquidação. |
( ) ONS |
| 3. Responsável pela elaboração, aplicação e atualização dos Procedimentos de Distribuição (PRODIST). |
( ) EPE |
| 4. Responsável pela prestação de serviços na área de estudos e pesquisas destinadas a subsidiar o planejamento do setor energético. | ( ) ANEEL |
Assinale a alternativa que apresenta a numeração correta da coluna da direita, de cima para baixo.
Provas
Considere o problema de análise de estabilidade às pequenas perturbações do modelo clássico de uma máquina síncrona conectada a uma barra infinita por meio de uma linha de transmissão puramente indutiva. As equações diferenciais que descrevem o comportamento dinâmico do gerador linearizadas em torno do ponto de operação do sistema são escritas na forma matricial como:

em que Δ\( \delta \)(\( t \)), Δ\( \omega \)(\( t \)) e Δ\( P \)\( m \)(\( t \)) representam, respectivamente, os desvios do ângulo (em radianos), da velocidade angular (em pu) e da potência mecânica (em pu) de entrada do gerador em relação ao ponto de operação do sistema.
Assinale a alternativa que apresenta o valor do coeficiente de amortecimento (em %) do modo de oscilação eletromecânico do gerador.
Provas
Considere o seguinte diagrama unifilar e classificação das barras:

Sobre o problema de fluxo de carga formulado para o sistema de transmissão de energia elétrica representado por esse diagrama, considere as seguintes afirmativas:
1. A matriz admitância de barra que representa a rede elétrica para o problema de fluxo de carga não linear é quadrada de dimensão cinco e simétrica.
2. As magnitudes e ângulos de fase dos fasores das tensões das barras 1 e 3 são incógnitas do problema de fluxo de carga não linear.
3. As magnitudes dos fasores das tensões das barras 2, 4 e 5 são dados de entrada do problema de fluxo de carga não linear.
4. A geração líquida de potência ativa da barra 5 é dado de entrada do problema de fluxo de carga não linear.
Assinale a alternativa correta.
Provas
Em relação à operação e ao planejamento do sistema hidrotérmico brasileiro, identifique como verdadeiras (V) ou falsas (F) as seguintes afirmativas:
( ) Pelo fato de o sistema hidrotérmico brasileiro ter forte predominância de usinas hidrelétricas em relação às demais formas de geração de energia elétrica, o custo do combustível em usinas termelétricas é desprezível na formulação do problema de despacho de geração das unidades geradoras do sistema.
( ) O planejamento da operação do sistema hidrotérmico brasileiro é realizado pelo Operador Nacional do Sistema (ONS) em três etapas: médio prazo, curto prazo e programação diária, utilizando modelos computacionais.
( ) O despacho térmico é realizado segundo a metodologia denominada de Valor Condicionado ao Risco (CVaR), implantada nos modelos de otimização NEWAVE e DECOMP, ambos desenvolvidos pelo Centro de Pesquisas de Energia Elétrica (CEPEL).
( ) Uma característica importante do sistema hidrotérmico brasileiro, a qual é levada em consideração na formulação do problema de despacho de geração, consiste no fato de as usinas hidrelétricas operarem de forma independente umas das outras, ou seja, a operação de uma usina não afeta as que estão a jusante, pelo fato dos rios terem grandes extensões e as usinas estarem consideravelmente afastadas umas das outras.
Assinale a alternativa que apresenta a sequência correta, de cima para baixo.
Provas
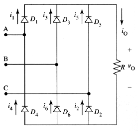
A figura abaixo apresenta o circuito retificador trifásico de onda completa.

Com base na figura, assinale a alternativa correta.
Provas

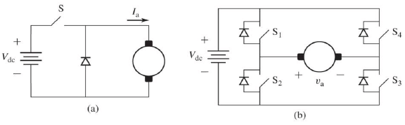
A figura acima apresenta duas configurações de conversores CC/CC.
Com base na figura, assinale a alternativa correta.
Provas
Um transformador trifásico com ligação em estrela do lado de alta tensão e triângulo do lado de baixa tensão é alimentado no lado de alta tensão em 500 kV (tensão de linha). A tensão de linha no lado de baixa tensão é de 25 kV. Considerando o transformador ideal, assinale a alternativa que apresenta o valor eficaz da corrente de fase no lado de baixa tensão do transformador, quando a corrente de linha no lado de alta tensão for de 30 A eficaz.
Provas
As figuras abaixo apresentam duas configurações de controle da velocidade do motor CC por tensão de armadura.

Admitindo-se que a velocidade do motor CC tem uma relação linear com a tensão média na armadura e que sua velocidade máxima ocorre quando a tensão mediana da armadura é igual a Vdc, identifique como verdadeiras (V) ou falsas (F) as seguintes afirmativas:
( ) O interruptor S da figura (a) está operando com modulação por largura de pulso em alta frequência e seu tempo de condução é metade do período de chaveamento. Nessa condição, o motor CC está operando na metade da velocidade máxima.
( ) Na figura (a), o diodo em paralelo com a armadura do motor CC poderia ser retirado sem prejudicar a operação do motor CC.
( ) O conversor da figura (a) não permite inverter o sentido de rotação do motor; já o conversor da figura (b) permite que o motor gire nos dois sentidos.
( ) Os interruptores da figura (b) estão operando com modulação por largura de pulso em alta frequência, sendo que, durante metade do período de chaveamento, os interruptores S1 e S3 permanecem fechados; na outra metade do período de chaveamento, os interruptores S2 e S4 permanecem fechados. Nessa condição, o motor CC está operando na metade da velocidade máxima.
Assinale a alternativa que apresenta a sequência correta, de cima para baixo.
Provas
Caderno Container