Foram encontradas 50 questões.

Os dados de placa de um motor de indução são apresentados na figura acima. Levando em consideração esses dados, assinale a alternativa correta.
Provas
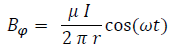
Considere o campo magnético \( B \)=(\( 0 \),\( B \)\( \varphi \),\( 0 \)) gerado por um fio condutor longo (de diâmetro desprezível em relação ao seu comprimento), estendido sobre o eixo \( z \), transportando uma corrente de amplitude \( I \) (ampères) e frequência \( \omega \) (rad/s), no regime quase-estático:


em que \( B \)\( \varphi \) é medido em teslas, μ é a permeabilidade magnética do meio em torno do fio condutor medida em H/m, r é a distância radial a partir do fio em metros e t é o tempo medido em segundos.
Uma espira condutora quadrada de lado a é colocada nas imediações do fio, a uma distância d entre o centro geométrico da espira e um ponto no fio, conforme ilustra a figura acima. Suponha que a espira seja pequena, tal que \( a \)<<\( d \), e que esteja adequadamente orientada para produzir a indução de tensão em seu circuito.
Isso posto, assinale a alternativa cuja expressão representa o valor de pico da tensão induzida Vi nos terminais da espira, em volts.
Provas
O escoamento de fluidos pode ser descrito pela equação de Bernoulli, que expressa a conservação de energia do sistema, Δ\( u \) =\( u \)\( 1 \)−\( u \)\( 2 \)=\( 0 \), em que \( u \) é a densidade de energia em um fluido de densidade de massa ρ, conforme a seguinte expressão:
\( u = p + \dfrac {1} {2} + pv^2 pgz \)
em que \( p \) é a pressão aplicada ao fluido em um dado ponto, \( v \) é a velocidade de escoamento do fluido naquele ponto, \( g \) é a aceleração gravitacional e \( z \) é a coordenada de altura no fluido medida a partir de uma referência dada. Considere o escoamento de um fluido incompressível a uma vazão constante \( Q \) [m³s], negligenciando viscosidade e perdas por atrito com as paredes de uma tubulação, conforme ilustrado na figura abaixo, com tubos de Venturi sendo utilizados para medir a diferença de pressão entre as regiões 1 e 2 e consequentemente a vazão \( Q \).

A1 e A2 representam as áreas de seção transversal da tubulação nas regiões 1 e 2, respectivamente, com \( A \)\( 1 \)>\( A \)\( 2 \). Para se obter uma vazão constante \( Q \) ao longo da tubulação, é correto afirmar que:
Provas
Considere um gás que satisfaz a chamada lei dos gases ideais, dada a \( p=n k T \) seguir:
em que p é a pressão do gás, n é a densidade de átomos e/ou moléculas do gás, k é a constante de Boltzmann e T é a temperatura absoluta.
Nesse caso, para uma transformação isobárica, ao se aumentar a temperatura do gás de 20 oC para 40 oC, é correto afirmar que a densidade do gás:
Provas
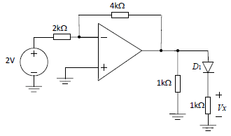
Considere o circuito abaixo:

Assumindo que o amplificador operacional (AMPOP) e o diodo D1 sejam ideais, assinale a alternativa que apresenta a tensão Vx.
Provas
Considere o circuito abaixo:

Assumindo que os diodos D1 e D2 sejam ideais, assinale a alternativa que indica o valor da corrente Ix.
Provas
Considere a seguinte equação diferencial ordinária:
\( \dfrac {d^2} {dt^2} [y(t)] + 4 \dfrac {d} {dt} [y(t)] + 13y(t) = 40sen (t) \)
Sendo c1 e c2 duas constantes arbitrárias, assinale a alternativa que apresenta a solução geral da equação diferencial apresentada:
Provas
Considere a seguinte expressão:
![]()
Assinale a alternativa que mostra uma expressão equivalente:
Provas
Considere o seguinte sistema algébrico linear:
\( \begin{pmatrix} 6 & 2 \\ -9 & -3 \end{pmatrix} \begin{pmatrix} x_1 \\ x_2\end{pmatrix} = \begin{pmatrix} 8 \\ -12 \end{pmatrix} \)
Sobre esse sistema, é correto afirmar:
Provas
Considere o circuito abaixo:

Assinale a alternativa que apresenta o valor da resistência a ser inserida entre os terminais A e B, de modo que o circuito representado transfira a máxima potência possível, e o valor dessa potência máxima, respectivamente.
Provas
Caderno Container