Foram encontradas 100 questões.
Um motor de indução de 10 HP, 2 polos, 60 Hz, ligado em estrela, tem um escorregamento de 3% em plena carga. Assinale a alternativa que apresenta, respectivamente, o valor da velocidade e da frequência do rotor do motor com carga nominal.
Provas
Sobre o decreto nº 23.569/1933, é correto afirmar que
Provas
Um conversor D/A de cinco bits produz uma tensão de saída de 0,3 V para uma entrada digital 00001. Assinale a alternativa que apresenta o valor de tensão da saída pra uma entrada igual a 10111.
Provas
Converta o número 726110 para hexadecimal.
Provas
Assinale a alternativa com a afirmação correta.
Provas
Assinale a alternativa que apresenta o valor do potencial de toque para uma resistência de contato de !$ 200 \ \Omega !$ e uma corrente de choque de 0,5 A. Considere como !$ 1k\Omega !$ a resistência do corpo humano.
Provas
Para o circuito da seguinte figura, encontre as correntes !$ i_1 !$ e !$ i_2 !$ e assinale a alternativa com os valores corretos.

Provas
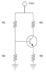
Durante a inspeção de um equipamento, um perito desenhou parte do circuito defeituoso no intuito de estudar seu comportamento. Sendo esse circuito apresentado na figura a seguir, é correto afirmar que o valor da tensão coletor-emissor desse circuito é

Provas
O valor de amplitude da tensão de fase de uma fonte trifásica balanceada, ligada em Y, é de 300 V. Essa fonte alimenta uma carga Y, também balanceada, com impedância de !$ 2 + j2 \Omega !$ por ramo. A linha que conecta a fonte à carga possui impedância da !$ 1+j1\Omega !$ por ramo. Considerando que a sequência de fase da fonte seja ‘acb’ e a tensão de fase ‘a’ seja referência, assinale a alternativa que apresenta o valor da corrente de linha do ramo ‘b’.
Provas
Um motor síncrono de 200 V, 60 Hz e dois polos, utiliza 50 A da linha, com fator de potência unitário e em plena carga. Assumindo que o motor não tenha perdas, assinale a alternativa que apresenta o valor do conjugado de saída desse motor.
Provas
Caderno Container