Foram encontradas 40 questões.
A Figura abaixo apresenta parte da barra de ferramentas e da barra de menus do aplicativo Microsoft Office Word, em sua configuração padrão.

É possível criar um novo documento em branco pressionando-se o seguinte botão:
Provas
Questão presente nas seguintes provas
Os softwares que permitem a um usuário, dentre outras funções, visualizar as mensagens enviadas para sua caixa de correio eletrônico são conhecidos como
Provas
Questão presente nas seguintes provas
Um serviço de segurança, presente em programas antivírus em algumas de suas versões, que pode ser configurado pelos usuários, é o serviço de
Provas
Questão presente nas seguintes provas
Para responder a questão , tenha por base a suíte Microsoft Office 2003, versão para o Brasil.
A Figura abaixo é a imagem de uma planilha do Microsoft Office Excel, digitada em sua configuração padrão de instalação.

Inserindo-se na célula A4 a função =INT(ABS(SOMA(A1:A3)/(B1-B2-B3))), será apresentado nessa célula o seguinte resultado:
A Figura abaixo é a imagem de uma planilha do Microsoft Office Excel, digitada em sua configuração padrão de instalação.

Inserindo-se na célula A4 a função =INT(ABS(SOMA(A1:A3)/(B1-B2-B3))), será apresentado nessa célula o seguinte resultado:
Provas
Questão presente nas seguintes provas
Um técnico observou fumaça preta saindo do escapamento de um veículo a diesel.
Esse problema foi diagnosticado como tendo sido provocado por
Esse problema foi diagnosticado como tendo sido provocado por
Provas
Questão presente nas seguintes provas
Um circuito eletrônico digital, representado na Figura abaixo, através de sua simbologia lógica equivalente, apresenta duas entradas (x e y) e uma saída (s) e trabalha com lógica positiva na qual a tensão mais positiva é atribuída como sendo o estado “1” lógico.

Conhecendo-se a forma de onda dos sinais de entrada x e y, mostrados na mesma Figura, qual é a forma de onda do sinal de saída s?
Provas
Questão presente nas seguintes provas
O amplificador abaixo usa um transistor bipolar NPN e foi rigorosamente polarizado para trabalhar corretamente em um circuito de um equipamento eletrônico.

O capacitor Cb é de acoplamento com outros estágios do circuito, Cc é de desacoplamento e o capacitor Ce, de bypass. Configurado em emissor comum, funciona perfeitamente, recebendo um sinal Vi na entrada e fornecendo um sinal de saída amplificado V0, ambos senoidais e sem distorção. Em virtude de uma falha, o equipamento tem de ser reparado. Na manutenção, ao substituir o resistor R2 danificado, um técnico, por engano, instalou um novo resistor com valor 100 vezes maior do que o original.
Qual o efeito desse equívoco na polarização do transistor?
Provas
Questão presente nas seguintes provas
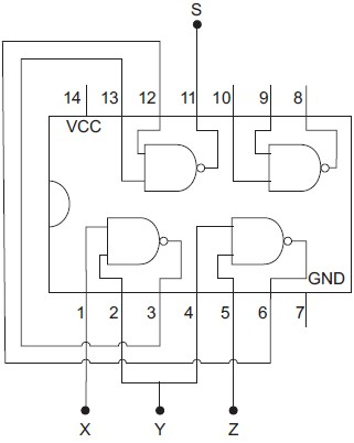
O esquema da Figura abaixo representa um circuito lógico combinacional com três entradas (X, Y e Z) e uma saída (S). Foi usado um CI (circuito integrado) com quatro portas lógicas, das quais apenas três foram utilizadas. A fonte (VCC) e o terra (GND) não foram representados para evitar congestionamento no esquema.

Qual é a função lógica na saída do circuito?
Provas
Questão presente nas seguintes provas
A Figura abaixo apresenta as curvas fornecidas para bombas do tipo Worthington D-1011.

MACINTYRE, A. J. Instalações Hidráulicas Prediais e Industriais. Rio de Janeiro: LTC, 3 ed, 1996. p. 60
Utilizando-se essas curvas, verifica-se que a bomba adequada para operar em uma instalação onde as alturas manométricas de aspiração e de recalque são iguais, respectivamente, a 6,50 m e 58 m é a de
Dado: vazão de 20 m3 /h

MACINTYRE, A. J. Instalações Hidráulicas Prediais e Industriais. Rio de Janeiro: LTC, 3 ed, 1996. p. 60
Utilizando-se essas curvas, verifica-se que a bomba adequada para operar em uma instalação onde as alturas manométricas de aspiração e de recalque são iguais, respectivamente, a 6,50 m e 58 m é a de
Dado: vazão de 20 m3 /h
Provas
Questão presente nas seguintes provas
Um técnico em eletrônica precisa duplicar o circuito abaixo e, para isso, possui apenas um osciloscópio para realizar as medidas necessárias. O resistor R1 é conhecido e vale R1 = 1k Ω, mas o resistor R2 não pode ser reconhecido, pois se encontra com o código de corres muito danificado.

Sabendo-se que o valor de pico da tensão senoidal de entrada vale: Vi = 0,01V, e que o valor da tensão de pico senoidal de saída vale: Vo = 1 V de pico, ambos medidos com o osciloscópio, qual é o valor em, kΩ, do resistor R2 ?
Provas
Questão presente nas seguintes provas
Cadernos
Caderno Container